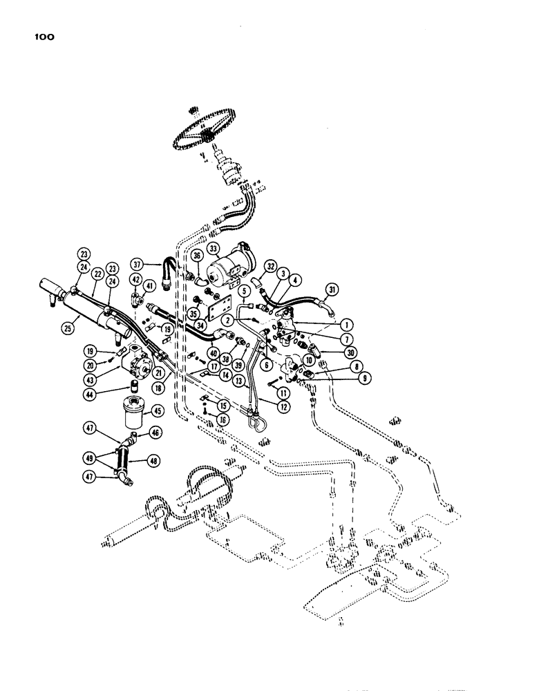
Запчасти Case IH 1200 (100) - REAR POWER STEERING (05) - STEERING

Схема запчастей Case IH 1200 - (100) - REAR POWER STEERING (05) - STEERING
44
39
41
46
48
20
19
32
24
42
22
45
11
36
12
17
18
23
40
30
25
9
34
21
47
14
5
15
37
1
35
49
23
2
10
7
31
43
16
38
13
8
3
24
47
33
6
4
19
FIT
1:1
100%

Артикул

Название

Примечание

Количество

1

A55168

VALVE ASSEMBLY - strg., rear (Repairs, F. 106)

1шт.

2

13-628

BOLT,Hex, 3/8" - 16 x 1-3/4", Gr 5

2шт.

3

218-5136

ELBOW,45 Degree Elbow, 3/4" - 16 Male JIC x 3/4" - 16 Male ORB

- valve inlet, 45 deg., Incl. Ref 4

1шт.

5

L10116

TUBE - flow div. to rear strg. valve 0.5" OD

1шт.

6

218-5106

90 ELBOW,90 Degree Elbow, 3/4" - 16 Male JIC x 3/4" - 16 Male ORB

- outler, 90deg., Includes: Ref. 7

2шт.

8

L10115

X

ELBOW - flow divider, 90 deg., Includes: Ref. 9

1шт.

10

L10092

VALVE

ASSY. - flow divider (Repair, F. 105B)

1шт.

11

13-432

BOLT,Hex, 1/4" - 20 x 2", Gr 5

2шт.

12

A55318

TUBE - lower, valve to rear cylinder

1шт.

13

A55317

TUBE - upper, valve to rear cylinder

1шт.

14

A16769

WASHER

SPACER - rear strg. tube

2шт.

15

A12032

CLAMP

- tube, rear steering

2шт.

16

13-524

BOLT,Hex, 5/16" - 18 x 1-1/2", Gr 5

- 5/16" x 1-1/2" N.C. hex

2шт.

17

A55649

TUBE - hose, cylinder rear part

1шт.

18

A55648

TUBE - hose, cylinder front part

1шт.

19

R15257

CLAMP

- hose, rear cylinder

2шт.

20

13-524

BOLT,Hex, 5/16" - 18 x 1-1/2", Gr 5

- 5/16" x 1-1/2" N.C. hex

1шт.

21

A55315

HOSE - short strg. cylinder (16-7/8")

1шт.

22

A55316

HOSE - long strg. cylinder (27")

1шт.

23

218-5105

ELBOW,90 Degree Elbow, 9/16" - 18 Male JIC x 9/16" - 18 Male ORB

- cylinder hose 90 deg., Includes: Ref. 24

2шт.

24

218-5005

O-RING,0.078" Thk x 0.468" ID, -906, Cl 6, 90 Duro

6-1, 90 Duro, .468" ID x .078" Thk, elbow

1шт.

25

A55159

CYLINCER ASSY. - steering, rear (Repair F. 107B)

1шт.

30

L10111

X

Tee - return, relief valve, front rear steering transmission flow

1шт.

31

L10114

HOSE - return, filter, front rear steering transmission flow

1шт.

32

221-1405

ELBOW,45 Degree, 3/4"-14, NPT

- pipe, 3/4" x 45 deg., front rear steering transmission flow

1шт.

33

D22660

AIR INTAKE TUBE

FILTER ASSY. - oil inlet (Repair F. 71), front rear steering transmission flow

1шт.

34

L10124

BRACKET - mtg., filter assy., front rear steering transmission flow

1шт.

35

13-616

BOLT,Hex, 3/8" - 16 x 1", Gr 5, Full Thd

Front rear steering transmission flow Hex, 3/8"-16 x 1", G5, Full Thd

6шт.

36

221-1415

ELBOW,90 Degree, 3/4"-14, NPT

- outlet, 3/4" x 90 deg. pipe, front rear steering transmission flow

1шт.

37

L10094

HOSE - return, front rear steering transmission flow

1шт.

38

218-5065

HYD CONNECTOR,1-1/16" - 12 Male JIC x 7/8" - 14 Male ORB

CONNECTOR - hose, flow divider inlet, front rear steering transmission flow, Includes: Ref. 39

1шт.

39

218-5008

O-RING,0.116" Thk x 0.924" ID, -912, Cl 6, 90 Duro

"O" RING - connector, 3/4" tube x .924 I.D., front rear steering transmission flow

1шт.

40

L10096

HOSE - pump to flow divider, front rear steering transmission flow

1шт.

41

L10095

ELBOW - outlet, pump 90 deg., front rear steering transmission flow

1шт.

42

221-1012

DRAIN PLUG,Sq Hd, 1/4"-18 NPTF

PLUG - pipe 1/8" sq. hd., front rear steering transmission flow

1шт.

43

A17373

PUMP

ASSY. - oil, trans. (Repair, F. 71B), front rear steering transmission flow

1шт.

44

221-1236

FITTING,Nipple, 1" NPT x 1 1/2"

NIPPLE - outlet, 1" x 1-1/2" pipe, front rear steering transmission flow

1шт.

45

L10123

FILTER ASSY. - oil outlet (Repair F. 71), front rear steering transmission flow

1шт.

46

221-1416

ELBOW,90 Degree, 1"-11 1/2, NPT

- inlet, 1" x 90 deg. pipe, front rear steering transmission flow

1шт.

47

A19630

ELBOW - hose, 45 deg., front rear steering transmission flow

2шт.

48

L10093

HOSE - transmission to filter, front rear steering flow

1шт.

49

214-256

HOSE CLAMP,#20, 0.81" - 1.75", Type F Worm

CLAMP - hose, front rear steering transmission flow

2шт.

4

218-5006

O-RING,0.087" Thk x 0.644" ID, -908, Cl 6, 90 Duro

"O" RING - elbow, 1/2" tube x .644 I.D.

1шт.

7

218-5006

O-RING,0.087" Thk x 0.644" ID, -908, Cl 6, 90 Duro

"O" RING - elbow, 1/2" tube x .644 I.D.

1шт.

9

218-5006

O-RING,0.087" Thk x 0.644" ID, -908, Cl 6, 90 Duro

"O" RING - elbow, 1/2" x .644 I.D.

1шт.

Выбрано товаров: 45