Запчасти Case IH 1200 (070) - TRANSMISSION OIL PUMP AND FILTER SYSTEM (06) - POWER TRAIN

Схема запчастей Case IH 1200 - (070) - TRANSMISSION OIL PUMP AND FILTER SYSTEM (06) - POWER TRAIN
13
17
2
26
34
11
16
35
7
25
3
14
6
12
31
1
27
36
9
4
5
19
15
18
33
10
8
32
37
17
FIT
1:1
100%

Артикул

Название

Примечание

Количество

L10527

TRANSMISSION ASSY. - complete (Transmission S/N 96617E and after), Includes: Ref. 1 - 4

1шт.

L10508

TRANSMISSION ASSY. - complete (Transmission S/N 7291E to Transmission S/N 96617E), Includes: Ref. 1 - 4

1шт.

A55155

TRANSMISSION ASSY. - complete (Prior Transmission S/N 7291E), Includes: Ref. 1 - 4

1шт.

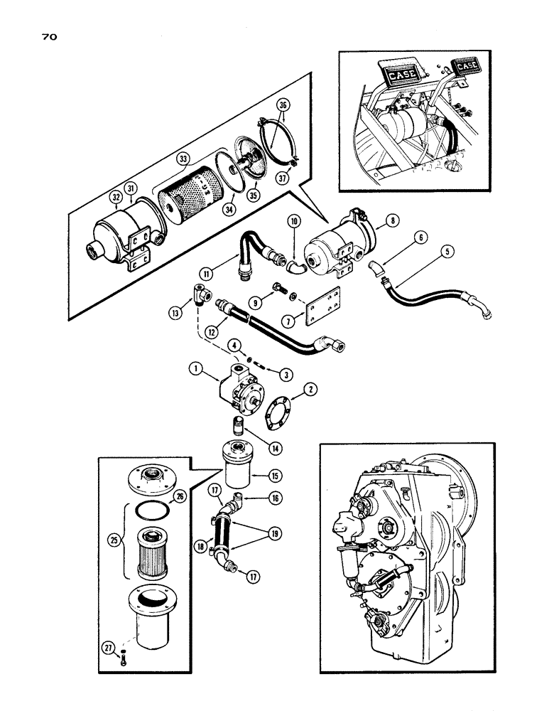
1

A17373

PUMP

ASSY. - charging (Repairs, Figure 71B)

1шт.

2

A18019

GASKET

-, Serial Range: pump-transmission

1шт.

3

A18018

STUD -, Serial Range: pump-transmission

6шт.

4

25-156

JAM NUT,Jam, 3/8"-24, G5

- jam, 3/8" N.F. hex.

6шт.

5

L10114

HOSE - return, filter

1шт.

6

221-1405

ELBOW,45 Degree, 3/4"-14, NPT

- 3/4" x 45 deg. pipe, filter inlet

1шт.

7

L10124

BRACKET - mtg., filter

1шт.

8

D22660

AIR INTAKE TUBE

FILTER ASSY - transmission oil, inlet

1шт.

9

13-616

BOLT,Hex, 3/8" - 16 x 1", Gr 5, Full Thd

6шт.

10

221-1415

ELBOW,90 Degree, 3/4"-14, NPT

- 3/4" x 90 deg. pipe, filter outlet

1шт.

11

L10094

HOSE - return, transmission oil

1шт.

12

L10096

HOSE - pump to flow divider

1шт.

13

L10095

ELBOW - pump outlet, 90deg.

1шт.

14

221-1236

FITTING,Nipple, 1" NPT x 1 1/2"

NIPPLE - 1" x 1-1/2" pipe, filter to pump

1шт.

15

L10123

FILTER ASSY - transmission oil, outlet

1шт.

16

221-1416

ELBOW,90 Degree, 1"-11 1/2, NPT

- 1" x 90deg. pipe, filter inlet

1шт.

17

A19630

ELBOW - hose, 45deg.

2шт.

18

L10093

HOSE -, Serial Range: transmission-filter

1шт.

19

214-256

HOSE CLAMP,#20, 0.81" - 1.75", Type F Worm

CLAMP - hose (1-13/16" to 1-3/4")

2шт.

L10123

FILTER ASSY - transmission, outlet oil, Includes: Ref. 25 - 27

1шт.

25

L30036

ELEMENT

KIT - filter, outlet oil, Includes: Ref. 26

1шт.

26

G46889

O-RING,0.139" Thk x 3.109" ID, -235, Cl 5, 75 Duro

"O" RING - filter head, outlet oil

1шт.

27

113-9

BOLT,Hex, 1/4" - 20 x 7/8", Gr 5

SCREW - 1/4" x 7/8" N.C., flat hd., outlet oil filter

4шт.

D22660

AIR INTAKE TUBE

FILTER ASSY - transmission, inlet oil, Includes: Ref. 31 - 37

1шт.

31

NSS

NOT SOLD SEPARAT

BODY - filter (Order D22660), inlet oil

1шт.

32

A13210

BRACKET - mounting, inlet oil filter

1шт.

33

A13211

FILTER, ENGINE OIL

ELEMENT KIT - filter, inlet oil, Includes: Ref. 34

1шт.

34

A13208

GASKET

GASKET - cover, inlet oil filter

1шт.

35

D22653

COVER

ASSY - filter, inlet oil

1шт.

36

D22658

BOLT

CLAMP - cover (Set of 2), inlet oil filter

1шт.

37

D22659

BOLT (SPREADER)

BOLT - clamp, inlet oil filter

1шт.

Выбрано товаров: 34