Запчасти Case IH 1200 (138) - L10219 FRONT AXLE HOUSING AND KNUCKLE, CONTINUED, 15.99 RATIO WITH CARDON JOINT (06) - POWER TRAIN

Схема запчастей Case IH 1200 - (138) - L10219 FRONT AXLE HOUSING AND KNUCKLE, CONTINUED, 15.99 RATIO WITH CARDON JOINT (06) - POWER TRAIN
36
30
55
42
40
57
54
37
31
47
52
58
47
53
43
46
56
39
60
58
45
51
48
49
59
61
35
57
34
41
38
33
44
50
32
FIT
1:1
100%

Артикул

Название

Примечание

Количество

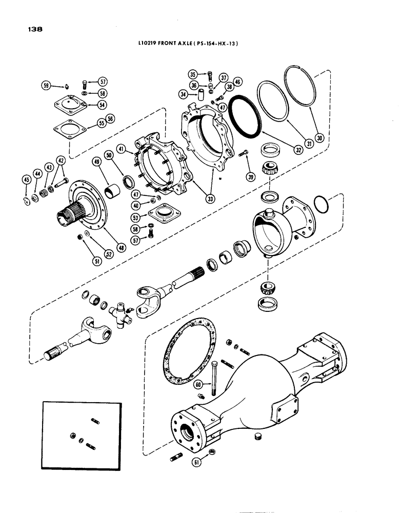
30

A15038

RING

- snap, trunnion retainer

2шт.

31

A15035

RETAINER

- seal, trunnion

2шт.

32

A15029

SEAL

- grease, trunnion socket

2шт.

33

A25237

FLANGE

ASSY. - steering knuckle (matched set), Includes: Ref. 33 - 45

2шт.

34

A15081

BUSHING,22.28mm ID x 28.66mm OD x 56.36mm L

- tie rod bolt

1шт.

35

A15078

SCREW - stop, steering

1шт.

36

A15037

SPACER

- stop screw

1шт.

37

A15043

SHIM

- stop screw spacer

1шт.

38

113-405

X

BOLT - flange halves, 1/2 x 1-1/4" N.C. hex. hd.

2шт.

29

87689

BOLT,1/2"-13 x 1.813" OAL, Gr 5

- flange halve, 1/2 x 1-7/8" N.F. hex. hd.

2шт.

40

25-178

NUT,1/2"-20, G5, Hvy

- flange bolt, 1/2" N.F. hex.

2шт.

41

A15024

STUD

- spindle, Serial Range: mounting-flange

12шт.

42

A16391

AXLE PIN

BOLT ASSY. - brake shoe adjusting

2шт.

43

A15069

VALVE SPRING

SPRING - brake shoe bolt

2шт.

44

A15061

SPACER

RETAINER - brake stop spring

2шт.

45

A13201

SHOE

CAM - brake shoe adjusting

2шт.

46

113-405

X

BOLT - flange halves, 1/2 x 1-1/4" N.C. hex. hd.

8шт.

47

92-8

LOCK WASHER,1/2"

16шт.

48

A15051

STEERING KNUCKLE

SPINDLE ASSY. - planetary, Includes: Ref. 49

2шт.

49

A15032

BUSHING

- universal drive shaft

1шт.

50

A15028

SEAL

- oil, drive shaft

2шт.

51

A15033

LOCK NUT

- spindle to knuckle flange

24шт.

52

A15036

WASHER

- spindle & flange nut

24шт.

53

A15047

CAP

- bearing, knuckle lower

2шт.

54

A15046

CAP - bearing, kunckle upper

2шт.

55

A15041

SHIM

- bearing cap, upper & lower (.005")

1шт.

56

A15042

SHIM

- bearing cap, upper & lower (.010")

1шт.

57

113-603

X

BOLT - bearing cap, 5/8" x 1-1/2" N.C. hex. hd.

16шт.

58

92-10

LOCK WASHER,5/8"

WASHER, LOCK, 5/8"

16шт.

59

219-1

LUBE NIPPLE,1/8" - 27 NPTF

FITTING - grease, 1/8" P.T. str.

2шт.

60

116-702

BOLT

BOLT - axle to chassis, 3/4 x 8" N.F. hex. hd.

8шт.

61

131-186

LOCK NUT,3/4"-16, GB

NUT - axle bolt, 3/4" N.F. hex. Essna

8шт.

Выбрано товаров: 32