Запчасти Case IH 2470 (188) - TIE ROD, FRONT AND REAR HYDRAULIC STEERING (05) - STEERING

Схема запчастей Case IH 2470 - (188) - TIE ROD, FRONT AND REAR HYDRAULIC STEERING (05) - STEERING
9
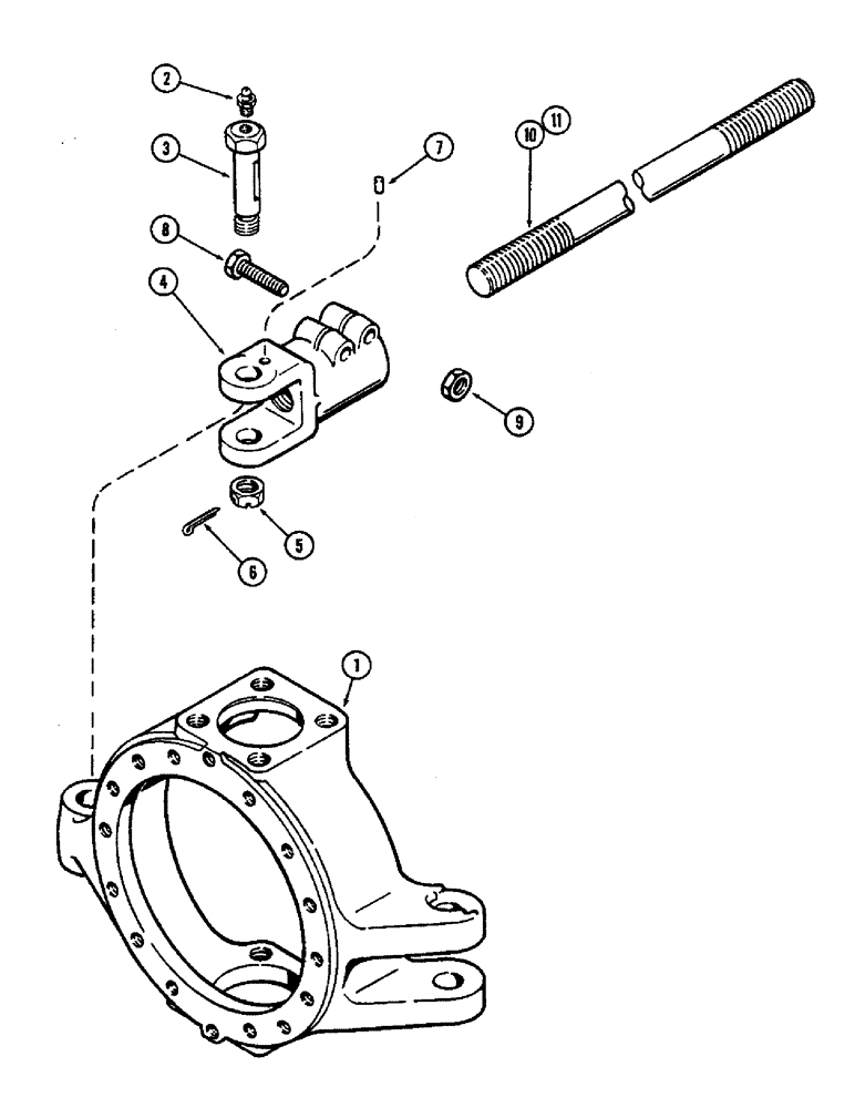
1
4
3
8
10
11
6
7
2
5
FIT
1:1
100%

Артикул

Название

Примечание

Количество

1

REF

INSTRUCTION

HOUSING ASSEMBLY - spline, front axle and rear axle (See figures 178 and 240)

4шт.

2

219-1

LUBE NIPPLE,1/8" - 27 NPTF

FITTING - grease, straight

2шт.

3

A13107

BOLT

- pivot, tie rod yoke

2шт.

4

A75253

YOKE

- tie rod

2шт.

5

A13110

NUT

- tie rod pivot bolt

2шт.

6

132-52

COTTER PIN,1/8" x 1 1/2"

Pin, Split (Cotter), 1/8" x 1 1/2"

2шт.

7

138-94

LOCK PIN,3/16" x 7/8", Slotted

PIN, , Tie rod pivot bolt (Replaces 138-94) 3/16" x 7/8", Slotted

2шт.

8

413-840

BOLT,Hex, 1/2" - 13 x 2-1/2", Gr 5

- 1/2 x 2-1/2 NC hex., grade 5 (Replaces 13-840)

4шт.

9

25-108

NUT,1/2"-13, G5

- 1/2" NC hex.

4шт.

10

A76245

ROD

- tie, front axle, 58-1/4" (1479.55 MM)

1шт.

11

A76586

ROD

- tie, rear axle, 66-1/4" (1682.75 MM)

1шт.

Выбрано товаров: 11