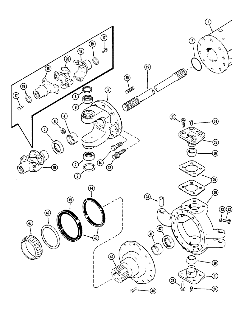
Запчасти Case IH 2470 (252) - REAR AXLE, TRUNNION AND WHEEL SPINDLE, STEERING REAR, AXLE SERIAL NO. 10110612 AND AFTER (06) - POWER TRAIN

Схема запчастей Case IH 2470 - (252) - REAR AXLE, TRUNNION AND WHEEL SPINDLE, STEERING REAR, AXLE SERIAL NO. 10110612 AND AFTER (06) - POWER TRAIN
15
9
31
16
47
20
28
48
24
18
42
44
1
30
2
10
17
19
18
12
7
23
40
33
45
6
11
3
29
26
17
27
43
8
46
24
32
25
19
23
14
4
5
41
FIT
1:1
100%

Артикул

Название

Примечание

Количество

1

REF

INSTRUCTION

HOUSING - axle, differential (See figure 240)

1шт.

2

A21301

O-RING,0.139" Thk x 3.609" ID, -239, Cl 5, 75 Duro

- seal, trunnion housing

2шт.

3

A150701

TRUNNION

ASSEMBLY - axle (Replaces A76567), Includes: Ref. 4 - 9

2шт.

4

A75234

BUSHING

- 2-1/2 x 2-11/16 x 1-1/2" (63.5 x 68.26 x 38.1 MM)

1шт.

5

A153036

OIL SEAL

- oil, 2-1/2 x 3-1/2 x 1/2" (63.5 x 88.9 x 12.7 MM) (Replaces A75233)

1шт.

6

A76569

BUSHING

RING - king pin outer bearing, 2-7/16 OD x 21/32" wide (61.91 x 16.67 MM)

1шт.

7

A76570

BEARING WASHER,1.75" ID x 2.8122" OD x 1.07"

RING - king pin outer bearing, 2-13/16 OD x 1-1/16" wide (71.44 x 26.99 MM)

1шт.

8

A144418

SEAL,53.98mm ID x 63.65mm OD x 3.56mm Thk

- upper king pin grease, 2-1/2 OD x 1/8" wide (63.5 x 3.17 MM)

1шт.

9

A142970

SEAL,63.88mm ID x 73.18mm OD x mm Thk

- lower king pin grease, 2-7/8 OD x 1/8" wide (73.02 x 3.17 MM)

1шт.

10

A77281

STUD

- mounting, axle trunnion 3/4" NC x 2-7/8"

2шт.

11

25-1612

NUT,3/4"-10, G5, Hvy

- 3/4" NC hex.

4шт.

12

166-134

12 PT SCREW,Flg, 3/4" - 10 x 2", Gr 8

BOLT - 3/4 x 2" NC Ferry cap

4шт.

12

166-139

12 PT SCREW,Flg, 3/4" - 10 x 3 1/4", Gr 8

BOLT - 3/4 x 3-1/4" NC Ferry cap

4шт.

14

26-1232

BOLT,Hex, 3/4" - 10 x 2", Gr 8

8шт.

15

A75243

SHAFT

- axle drive, short, 28-5/8" (727.07 MM)

1шт.

15

A75242

SHAFT

- axle drive, long, 32-1/2" (825.5 MM)

1шт.

16

A75275

JOINT

ASSEMBLY - universal, Includes: Ref. 17 - 20

2шт.

17

A12870

BOLT,Hex, 7/16" - 20 x 1 1/16"

- U-joint to slip yoke

8шт.

18

A44175

YOKE

- slip

2шт.

19

A44249

SNAP RING,1.812", Int, #181

Ring, Snap, 1.812", Int, #181

2шт.

20

D50866

SPIDER,49.28mm Cap Dia, 117.35mm L, Grease-able

U-JOINT - with bearings

1шт.

23

26-1028

BOLT,Hex, 5/8" - 11 x 1-3/4", Gr 8

- 3/4 x 1-3/4" NC hex. head

16шт.

24

219-41

LUBE NIPPLE,65 Degree Elbow, 1/8" - 27 NPTF

NIPPLE, LUBE, 65º, 1/8" NPT x 1.20" lg

4шт.

25

A136138

PIN

ASSEMBLY - king, upper, Includes: Ref. 26

2шт.

26

A76573

RING

- king pin inner bearing, 1-1/2" ID x 2-5/32" OD (38.1 x 54.77 MM)

1шт.

27

A136139

PIN

ASSEMBLY - king, lower, Includes: Ref. 28

2шт.

28

A76576

BEARING WASHER,44.44mm ID x 63.88mm OD x 24.89mm Thk

RING - king pin inner bearing, 1-3/4" ID x 2-13/16" OD (44.45 x 77.44 MM)

1шт.

29

A136186

SHIM,82.96mm ID x 126.75mm OD x 0.13mm Thk

King pin (0.13 mm) .005" Thk

1шт.

29

A136187

SHIM,82.96mm ID x 126.75mm OD x 0.38mm Thk

King pin (0.381 mm) .015" Thk

1шт.

30

A76584

HOUSING

ASSEMBLY - spindle, RH and LH, Includes: Ref. 31

2шт.

31

A75239

BUSHING,22.28mm ID x 28.66mm OD x 56.34mm L

- spindle housing

1шт.

32

26-1020

BOLT,Hex, 5/8" - 11 x 1-1/4", Gr 8

- 5/8 x 1-1/4" NC hex., grade 8

2шт.

33

A140011

BUSHING

SPACER - steering adjusting, 21/32 x 1 x 21/64" (16.67 x 25.4 x 8.33 MM)

1шт.

A152503

SPINDLE

ASSEMBLY - wheel (See figure 186) (Axle serial no. 1010979 and after), Includes: Ref. 40 - 47

2шт.

40

NSS

NOT SOLD SEPARAT

SPINDLE - wheel

1шт.

41

A75234

BUSHING

- universal joint yoke

1шт.

42

A153036

OIL SEAL

- oil axle, 2-1/2" ID x 3-1/2" OD x 1/2" wide (6.35 x 88.9 x 12.7 MM) (Replaces A75233)

1шт.

43

A76272

OIL SEAL,174.22mm ID x 219.53mm OD x 20.95mm Thk

ASSEMBLY - oil, wheel spindle, Includes: Ref. 44 and 45

1шт.

44

NSS

NOT SOLD SEPARAT

SEAL - oil, inner half

1шт.

45

NSS

NOT SOLD SEPARAT

SEAL - oil, outer half

1шт.

46

A75256

RING

- back-up, wheel spindle bearing

1шт.

47

L31699

TAPERED BEARING

CONE - bearing, wheel spindle

1шт.

48

26-824

BOLT,Hex, 1/2" - 13 x 1-1/2", Gr 8

28шт.

48

26-820

BOLT,Hex, 1/2" - 13 x 1-1/4", Gr 8

4шт.

Выбрано товаров: 44