Запчасти Case IH 2470 (254) - REAR AXLE AND WHEEL SPINDLE, RIGID REAR (06) - POWER TRAIN

Схема запчастей Case IH 2470 - (254) - REAR AXLE AND WHEEL SPINDLE, RIGID REAR (06) - POWER TRAIN
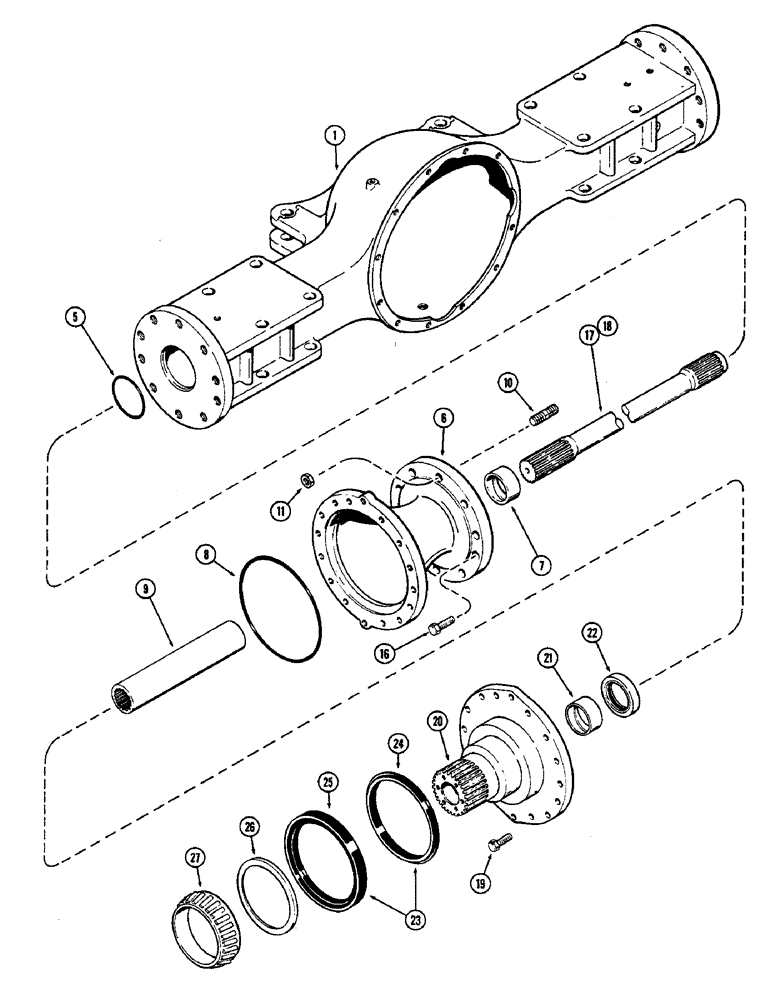
6
18
19
7
21
23
8
22
16
9
11
20
27
5
10
24
17
25
1
26
FIT
1:1
100%

Артикул

Название

Примечание

Количество

1

REF

INSTRUCTION

HOUSING - axle, differential (See figure 240)

1шт.

5

A21301

O-RING,0.139" Thk x 3.609" ID, -239, Cl 5, 75 Duro

- extension housing to differential housing, 3-5/8 x 3-7/8 x 1/8" (92.07 x 98.42 x 3.17 MM)

2шт.

6

A75237

HOUSING

ASSEMBLY - axle extension, Includes: Ref. 7

2шт.

7

A75234

BUSHING

- axle coupling

1шт.

8

A75474

O-RING,0.139" Thk x 9.484" ID, -272, Cl 5, 75 Duro

- extension to axle spindle, 9-1/2 x 9-3/4 x 1/8" (241.3 x 247.65 x 3.17 MM)

2шт.

9

A75241

COUPLING

- axle drive

2шт.

10

A77281

STUD

- mounting, axle trunnion (3/4" NC x 2-7/8")

2шт.

11

25-1612

NUT,3/4"-10, G5, Hvy

- 3/4" NC hex.

4шт.

16

26-1232

BOLT,Hex, 3/4" - 10 x 2", Gr 8

18шт.

17

A75243

SHAFT

- axle drive, short, 28-5/8" (727.07 MM)

1шт.

18

A75242

SHAFT

- axle drive, long, 32-1/2" (825.5 MM)

1шт.

19

26-824

BOLT,Hex, 1/2" - 13 x 1-1/2", Gr 8

32шт.

20

A152503

SPINDLE

ASSEMBLY - wheel (See figure 186), Includes: Ref. 21 - 27

2шт.

21

A75234

BUSHING

- yoke, universal joint

1шт.

22

A153036

OIL SEAL

- oil, axle (Replaces A75233)

1шт.

23

A76272

OIL SEAL,174.22mm ID x 219.53mm OD x 20.95mm Thk

ASSEMBLY - oil, wheel spindle, Includes: Ref. 24 and 25

1шт.

24

NSS

NOT SOLD SEPARAT

SEAL - oil, inner half

1шт.

25

NSS

NOT SOLD SEPARAT

SEAL - oil, outer half

1шт.

26

A75256

RING

- back-up, wheel spindle bearing

1шт.

27

L31699

TAPERED BEARING

CONE - bearing, wheel spindle (5" ID x 1-1/2" width)

1шт.

Выбрано товаров: 20