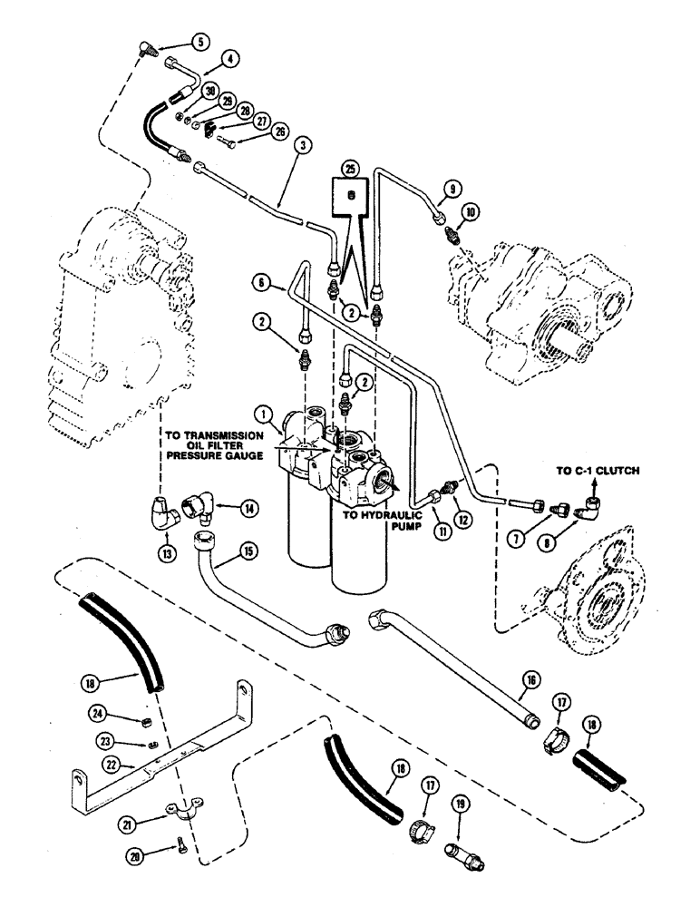
Запчасти Case IH 2470 (286) - PTO HYDRAULICS, HYDRAULIC OIL FILTER HOUSING AND LUBE LINES, TRANSMISSION S/N 10025257 - 10025704 (06) - POWER TRAIN

Схема запчастей Case IH 2470 - (286) - PTO HYDRAULICS, HYDRAULIC OIL FILTER HOUSING AND LUBE LINES, TRANSMISSION S/N 10025257 - 10025704 (06) - POWER TRAIN
2
28
22
27
12
16
4
13
25
18
15
2
8
24
17
9
20
5
18
19
30
7
6
1
26
3
21
23
14
10
29
17
18
11
2
FIT
1:1
100%

Артикул

Название

Примечание

Количество

1

REF

INSTRUCTION

HOUSING - hydraulic filter (See figure 320)

1шт.

2

218-443

HYD CONNECTOR,9/16" - 18 Male JIC x 1/4" - 18 Male NPTF

CONNECTOR - ball check

4шт.

3

A138290

TUBE

- PTO lube

1шт.

4

A138192

HOSE

- PTO lube

1шт.

5

218-483

ELBOW,90 Degree Elbow, 9/16" - 18 Male JIC x 1/4" - 18 Male NPTF

- 90 degree

1шт.

6

A138289

TUBE

- C1 lube

1шт.

7

218-786

REDUCER,37 Degree, 3/4"-16, Fem x 9/16"-18 Male

- tube, 3/4 to 9/16" (19.05 to 14.29 MM)

1шт.

8

218-5230

ELBOW,90 Degree, 3/4"-16, 37 Degree x 3/4"-16, 37 Degree Fem Sw

- 90 degree swivel

1шт.

9

A138341

TUBE

- PTO lube

1шт.

10

218-443

HYD CONNECTOR,9/16" - 18 Male JIC x 1/4" - 18 Male NPTF

CONNECTOR - straight

1шт.

11

A139792

TUBE - brake lube

1шт.

12

218-1024

HYD CONNECTOR,9/16"-18, 37 Degree x 3/8"-18, NPTF

CONNECTOR, HYD., 9/16"-18, 37° x 3/8"-18, NPTF, 3/8" tube

1шт.

13

218-488

ELBOW,90 Degree Elbow, 1-5/16" - 12 Male JIC x 1" - 11-1/2 Male NPTF

- 90 degree

1шт.

14

218-5234

ELBOW,90 Degree, 1 5/16"-12, 37 Degree x 1 5/16"-12, 37 Degree Fem Sw

- 90 degree swivel

1шт.

15

A76172

TUBE

- rear PTO drain (Order 1-A129088 tube, 1-A139756 hose, 1-A127436 clamp and 1-218-448 connector)

1шт.

16

A76173

TUBE

- front PTO drain (Order 1-A139088 tube, 1-A139756 hose, 1-A137436 clamp and 1-218-448 connector)

1шт.

17

214-256

HOSE CLAMP,#20, 0.81" - 1.75", Type F Worm

CLAMP - hose 1-3/16 to 1-3/4" (30.16 to 44.45 MM)

2шт.

18

A76175

HOSE

- PTO drain (Order 1-A139088 tube, 1-A139756 hose, 1-A137436 clamp and 1-218-448 connector)

1шт.

19

A76171

TUBE

- PTO drain fitting

1шт.

20

113-102

BOLT,Hex, 5/16" - 18 x 3/4", Gr 5

Hex, 5/16"-18 x 3/4", G5, Full Thd

2шт.

21

A76174

CLAMP - drain tube

1шт.

22

A76170

BRACKET

- drain tube support

1шт.

23

192-20

LOCK WASHER,Helical Spring, 0.318" ID, CST, ZND

WASHER, LOCK, 5/16"

2шт.

24

9635082

NUT,5/16" - 18, Gr 5

2шт.

25

221-841

PLUG

- pipe, 1/4" hex. socket head (Used without PTO)

2шт.

26

113-233

BOLT,Hex, 3/8" - 16 x 1-3/4", Gr 5

1шт.

27

49845

CLAMP

- 3/8" tube

1шт.

28

A76093

BUSHING

SPACER - PTO lube hose

1шт.

29

192-21

LOCK WASHER,3/8"

WASHER, LOCK, 3/8"

1шт.

30

129-103

NUT,Hex, 3/8" - 16, Gr 5

NUT, 3/8"-16, G5

1шт.

Выбрано товаров: 30