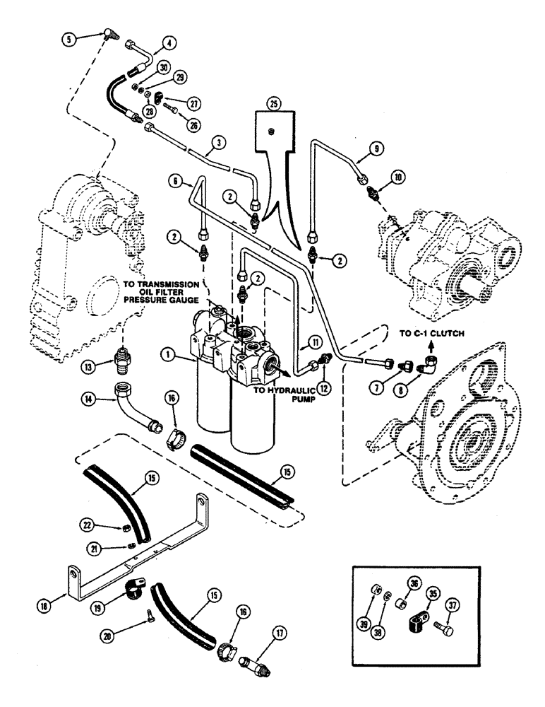
Запчасти Case IH 2470 (288) - PTO HYDRAULICS, HYDRAULIC OIL FILTER HOUSING AND LUBE LINES, TRANSMISSION S/N 10025704 AND AFTER (06) - POWER TRAIN

Схема запчастей Case IH 2470 - (288) - PTO HYDRAULICS, HYDRAULIC OIL FILTER HOUSING AND LUBE LINES, TRANSMISSION S/N 10025704 AND AFTER (06) - POWER TRAIN
27
18
6
2
5
21
28
25
4
13
36
1
16
38
3
22
8
10
16
2
15
37
2
29
19
17
30
11
15
39
35
14
9
2
20
15
26
12
7
FIT
1:1
100%

Артикул

Название

Примечание

Количество

1

REF

INSTRUCTION

HOUSING - hydraulic filter (See figure 320)

1шт.

2

218-443

HYD CONNECTOR,9/16" - 18 Male JIC x 1/4" - 18 Male NPTF

CONNECTOR - 9/16"-18 x 1/4" PT straight

4шт.

3

A138290

TUBE

- PTO lube

1шт.

4

A138192

HOSE

- PTO lube

1шт.

5

218-483

ELBOW,90 Degree Elbow, 9/16" - 18 Male JIC x 1/4" - 18 Male NPTF

- 90 degrees

1шт.

6

A138289

TUBE

- C1, lube

1шт.

7

218-786

REDUCER,37 Degree, 3/4"-16, Fem x 9/16"-18 Male

- tube, 3/4 to 9/16" (19.05 to 14.29 MM)

1шт.

8

218-5230

ELBOW,90 Degree, 3/4"-16, 37 Degree x 3/4"-16, 37 Degree Fem Sw

- 90 degree swivel

1шт.

9

A138341

TUBE

- PTO lube

1шт.

10

218-443

HYD CONNECTOR,9/16" - 18 Male JIC x 1/4" - 18 Male NPTF

CONNECTOR - straight

1шт.

11

A139792

TUBE - brake lube

1шт.

12

218-1024

HYD CONNECTOR,9/16"-18, 37 Degree x 3/8"-18, NPTF

CONNECTOR, HYD., 9/16"-18, 37° x 3/8"-18, NPTF, 3/8" tube

1шт.

13

218-448

HYD CONNECTOR,1-5/16" - 12 Male JIC x 1" - 11-1/2 Male NPTF

CONNECTOR - 1" tube x 1-5/16" PT, straight

1шт.

14

A139088

TUBE

- rear PTO drain

1шт.

15

A139756

HOSE,1.00" ID x 68.25", SAE 30R2 TYPE 1

1.00" ID x 68.20", SAE 30R2 - PTO drain

1шт.

16

214-256

HOSE CLAMP,#20, 0.81" - 1.75", Type F Worm

CLAMP - hose, 1-3/16 to 1-3/4" (30.16 to 14.45 MM)

2шт.

17

A76171

TUBE

- PTO drain fitting

1шт.

18

A76170

BRACKET

- drain tube support

1шт.

19

A137436

HOSE CLAMP

CLAMP - drain hose

1шт.

20

113-102

BOLT,Hex, 5/16" - 18 x 3/4", Gr 5

Hex, 5/16"-18 x 3/4", G5, Full Thd

1шт.

21

192-20

LOCK WASHER,Helical Spring, 0.318" ID, CST, ZND

WASHER, LOCK, 5/16"

1шт.

22

9635082

NUT,5/16" - 18, Gr 5

1шт.

25

221-841

PLUG

- pipe, 1/4" hex. socket head (Used without PTO)

2шт.

26

113-233

BOLT,Hex, 3/8" - 16 x 1-3/4", Gr 5

1шт.

27

49845

CLAMP

- 3/8" tube

1шт.

28

A76093

BUSHING

SPACER - PTO lube hose

1шт.

29

192-21

LOCK WASHER,3/8"

WASHER, LOCK, 3/8"

1шт.

30

129-103

NUT,Hex, 3/8" - 16, Gr 5

NUT, 3/8"-16, G5

1шт.

35

49836

CLAMP

- C1, lube tube

1шт.

36

A76093

BUSHING

SPACER - clamp, 13/32 x 3/4 x 1/2" (10.31 x 19.05 x 12.7 MM)

1шт.

37

113-122

BOLT,Hex, 5/16" - 18 x 1-1/2", Gr 5

1шт.

38

192-20

LOCK WASHER,Helical Spring, 0.318" ID, CST, ZND

WASHER, LOCK, 5/16"

1шт.

39

9635082

NUT,5/16" - 18, Gr 5

1шт.

Выбрано товаров: 33