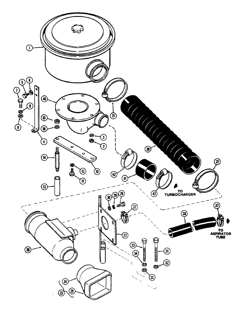
Запчасти Case IH 2470 (014) - AIR INDUCTION SYSTEM, 504BDT DIESEL ENGINE (02) - ENGINE

Схема запчастей Case IH 2470 - (014) - AIR INDUCTION SYSTEM, 504BDT DIESEL ENGINE (02) - ENGINE
40
4
25
10
31
29
14
1
33
15
21
2
11
34
41
28
5
42
37
37
16
3
24
35
36
26
9
30
8
21
32
42
12
13
27
20
23
7
6
FIT
1:1
100%

Артикул

Название

Примечание

Количество

1

A76854

AIR CLEANER

ASSEMBLY - engine (See figure 16)

1шт.

2

129-103

NUT,Hex, 3/8" - 16, Gr 5

NUT, 3/8"-16, G5

6шт.

3

192-21

LOCK WASHER,3/8"

WASHER, LOCK, 3/8"

6шт.

4

A76860

BRACKET

BRACE - air cleaner

1шт.

5

114-105

BOLT,Hex, 5/16" - 24 x 5/8", Gr 5

Brace to air cleaner Hex, 5/16"-24 x 5/8", G5, Full Thd

2шт.

6

195-521

WASHER,5/16", SAE

- 11/32 x 11/16 x 1/16" (8.73 x 17.46 x 1.59 MM)

2шт.

7

113-207

BOLT,Hex, 3/8" - 16 x 1", Gr 5

Brace to intake manifold Hex, 3/8"-16 x 1", G5, Full Thd

1шт.

8

192-21

LOCK WASHER,3/8"

WASHER, LOCK, 3/8"

1шт.

9

195-25

WASHER,3/8"

- 13/32 x 13/16 x 1/16" (10.32 x 20.64 x 1.59 MM)

1шт.

10

A76857

PLATE

- air cleaner mounting

1шт.

11

113-207

BOLT,Hex, 3/8" - 16 x 1", Gr 5

2шт.

12

192-21

LOCK WASHER,3/8"

WASHER, LOCK, 3/8"

2шт.

13

A150787

FITTING

SPACER - air cleaner support (Replaces A76859)

2шт.

14

A76858

STUD

- air cleaner support

2шт.

15

129-105

NUT,Hex, 1/2" - 13, Gr 5

2шт.

16

192-23

LOCK WASHER,1/2"

WASHER, LOCK, 1/2"

2шт.

20

A76865

HOSE

- connecting, air cleaner tube

1шт.

21

214-275

HOSE CLAMP,#92, 5.38" - 6.25", Type F Worm

CLAMP - hose, 5-3/8" to 6-1/4" (136.53 to 158.75 MM)

2шт.

23

A76874

FUNNEL ASSEMBLY - air inlet, Includes: Ref. 24 and 25

1шт.

24

A76047

SEAL - air inlet funnel

1шт.

Attach with adhesive 345-22.

1шт.

25

A76048

SEAL - air inlet funnel

1шт.

Attach with adhesive 345-22.

1шт.

26

A76864

PRECLEANER

PRE-CLEANER - engine

1шт.

27

A76866

SUPPORT - pre-cleaner

1шт.

28

113-221

BOLT,Hex, 3/8" - 16 x 7/8", Gr 5

Pre-cleaner to support Hex, 3/8"-16 x 7/8", G5, Full Thd

4шт.

29

192-21

LOCK WASHER,3/8"

WASHER, LOCK, 3/8"

4шт.

30

195-104

WASHER,3/8"

- 7/16 x 1 x 3/32" (11.11 x 25.4 x 2.38 MM)

4шт.

31

113-429

BOLT,Hex, 1/2" - 13 x 5", Gr 5

Support to engine block Hex, 1/2"-13 x 5", G5

1шт.

32

192-23

LOCK WASHER,1/2"

WASHER, LOCK, 1/2"

1шт.

33

113-346

BOLT,Hex, 7/16" - 14 x 5", Gr 5

- 7/16 x 5" NC hex., support to water pump, grade 5

1шт.

34

192-22

LOCK WASHER,7/16"

WASHER, LOCK, 7/16"

1шт.

35

195-529

WASHER,7/16", SAE

- 15/32 x 59/64 x 1/16" (11.91 x 23.42 x 1.59 mm)

1шт.

36

A76880

HYDRAULIC HOSE

HOSE - aspirator

1шт.

Ref. 36 - 23 1/2" long

1шт.

37

214-258

HOSE CLAMP,#28, 1.31" - 2.25", Type F Worm

(33.34 to 57.17 mm) #28, 1.31/2.25 Type F Worm

2шт.

40

A150787

FITTING

ELBOW - mounting, air cleaner (Replaces A76856)

1шт.

41

A75798

HOSE

-, Serial Range: elbow-turbocharger

1шт.

Ref. 41 - 3" I.D. 3 3/8" O.D. x 2 1/2"

1шт.

42

214-264

HOSE CLAMP,#52, 2.81" - 3.75", Type F Worm

CLAMP - hose, 2-13/16" to 3-3/4" (71.44 to 95.25 MM)

2шт.

Выбрано товаров: 40