Запчасти Case IH 2470 (336) - TWIN DUAL REMOTE HYDRAULICS CONTROLS (08) - HYDRAULICS

Схема запчастей Case IH 2470 - (336) - TWIN DUAL REMOTE HYDRAULICS CONTROLS (08) - HYDRAULICS
24
12
8
19
25
24
4
5
3
13
17
15
17
7
15
1
18
2
13
22
20
13
18
4
21
2
5
12
9
14
6
23
14
18
10
11
7
8
13
FIT
1:1
100%

Артикул

Название

Примечание

Количество

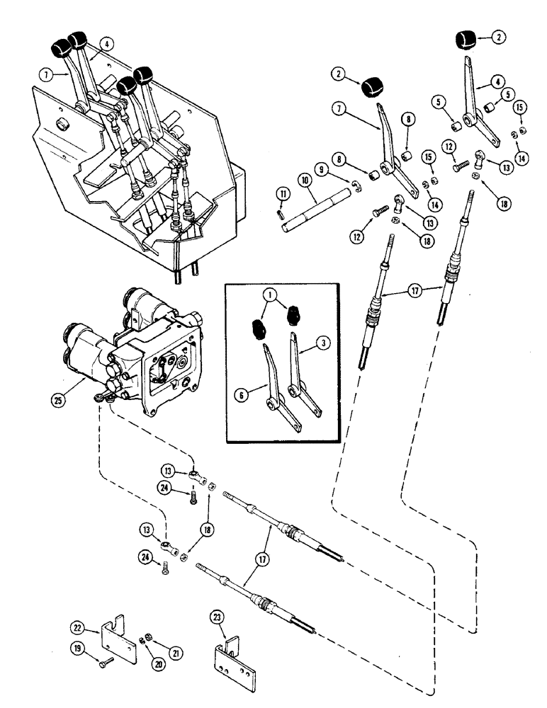
1

A65699

KNOB

- lever, plastic (Order A137806)

2шт.

2

A137806

KNOB

- lever, rubber

2шт.

3

A75916

LEVER

ASSEMBLY - inner, with threaded top (Order ref 2 and 4), Includes: Ref. 5

1шт.

4

A137846

LEVER

ASSEMBLY - inner (Replaces A75916), Includes: Ref. 5

1шт.

5

A59429

BUSHING,15.95mm ID x 19.13mm OD x 12.83mm L

- lever

2шт.

6

A75918

LEVER

ASSEMBLY - outer, with threaded top (Order ref 2 and 7), Includes: Ref. 8

1шт.

7

A137848

LEVER

ASSEMBLY - outer (Replaces A75918), Includes: Ref. 8

1шт.

8

A59429

BUSHING,15.95mm ID x 19.13mm OD x 12.83mm L

- lever

2шт.

9

A27785

CIRCLIP,#62, .480" Dia, E-Type

Ring, Retaining, #62, .480" Dia, E-Type

1шт.

10

A75736

SHAFT

- console lever

1шт.

11

138-96

LOCK PIN,3/16" x 1", Slotted

PIN, 3/16" x 1", Slotted

1шт.

12

113-104

BOLT,Hex, 5/16" - 18 x 1-1/4", Gr 5

2шт.

13

A35134

BEARING

BALL JOINT - cable end

4шт.

14

192-20

LOCK WASHER,Helical Spring, 0.318" ID, CST, ZND

WASHER, LOCK, 5/16"

2шт.

15

9635082

NUT,5/16" - 18, Gr 5

2шт.

17

A145337

CABLE,2235.2mm L

- remote (Replaces A76997)

2шт.

18

86637933

JAM NUT,5/16" - 24, Gr 5

4шт.

19

113-208

BOLT,Hex, 3/8" - 16 x 1-1/4", Gr 5

2шт.

20

192-21

LOCK WASHER,3/8"

WASHER, LOCK, 3/8"

2шт.

21

129-103

NUT,Hex, 3/8" - 16, Gr 5

NUT, 3/8"-16, G5

2шт.

22

A76996

BRACKET

- cable mounting (Used with A76908 manifold) (Order A145347)

1шт.

23

A145347

BRACKET

- cable mounting

1шт.

24

114-101

BOLT,Hex, 5/16" - 24 x 7/8", Gr 5, Full Thd

2шт.

25

REF

INSTRUCTION

VALVE ASSEMBLY - twin dual remote hydraulics (See figures 376 and 384)

1шт.

Выбрано товаров: 24