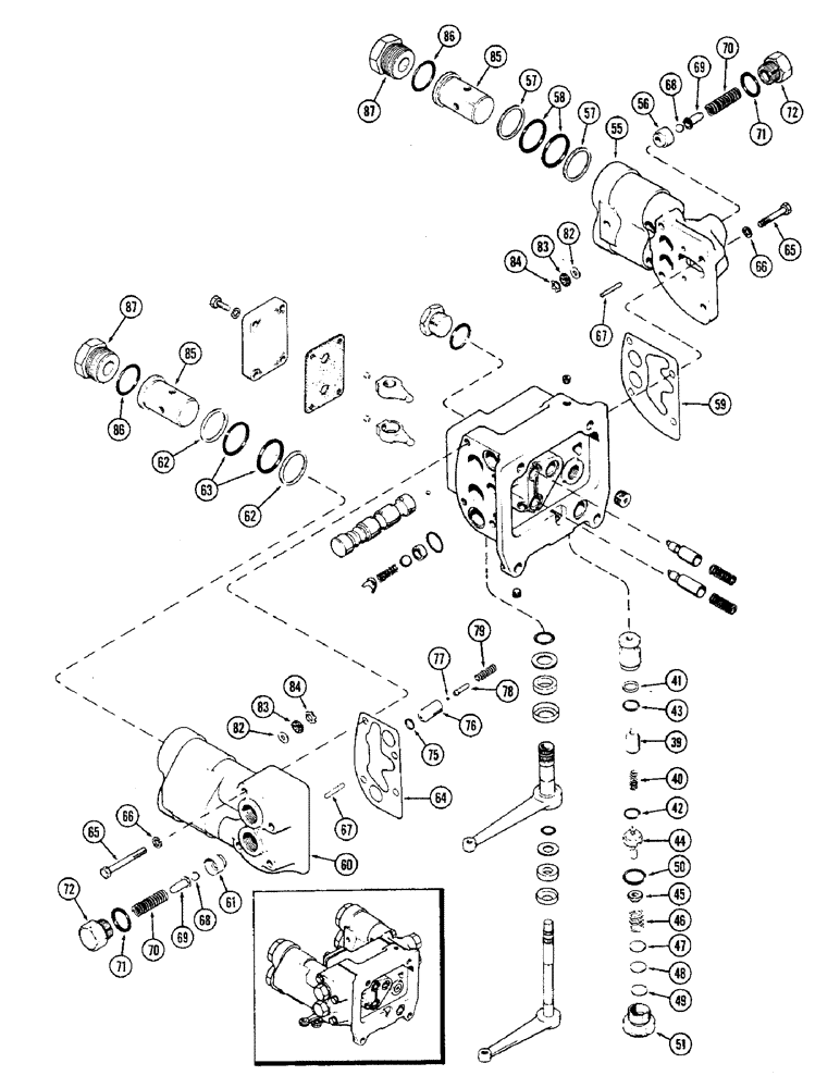
Запчасти Case IH 2470 (368) - A147432 REMOTE HYDRAULIC VALVE, WITH RELIEF VALVE, P.I.N. 8826987 AND AFTER, CONTD (08) - HYDRAULICS

Схема запчастей Case IH 2470 - (368) - A147432 REMOTE HYDRAULIC VALVE, WITH RELIEF VALVE, P.I.N. 8826987 AND AFTER, CONTD (08) - HYDRAULICS
59
87
71
76
49
72
72
65
75
84
55
79
86
84
56
85
42
60
85
67
50
41
68
62
62
70
61
67
82
68
63
39
64
70
51
66
83
65
44
83
40
69
66
46
48
45
87
69
82
43
47
86
77
57
78
58
71
57
FIT
1:1
100%

Артикул

Название

Примечание

Количество

A147432

VALVE ASSEMBLY - control (Continued from figure 366), Includes: Ref. 39 - 87

1шт.

39

A57553

PISTON

- pilot relief valve

1шт.

40

A34382

SPRING

- relief valve, 15/32" OD x 1" free length (11.90 x 25.4 MM)

1шт.

41

A34493

RING,16.33mm ID x 19.02mm OD x 1.25mm Thk

- relief valve

1шт.

Part of Valve Seal Kit P/N A43086.

1шт.

42

A17526

O-RING,0.614" ID x 0.754" OD x 0.7"

- 3/4 x 5/8 x 1/16" (19.05 x 15.87 x 1.58 MM)

1шт.

Part of Valve Seal Kit P/N A43086.

1шт.

Part of Pilot Relief Valve Kit P/N A42888.

1шт.

43

L33213

O-RING,0.07" Thk x 0.614" ID, -16, Cl 6, 90 Duro

- pilot relief

1шт.

Part of Pilot Relief Valve Kit P/N A42888.

1шт.

44

A57556

PISTON

ASSEMBLY - pilot

1шт.

45

A57558

RETAINER

- pilot relief spring

1шт.

46

A34492

SPRING

- pilot relief, 49/64" OD x 23/32" free length (19.44 x 18.25 MM)

1шт.

47

A34694

SHIM,.0201" Thk

Pilot relief spring (0.51 mm) .0201" Thk

1шт.

Refer to tag attached to valve for shim data.

1шт.

48

A34817

SHIM,.0149" Thk

Pilot relief spring (0.37 mm) (Blue) .0149" Thk

1шт.

Refer to tag attached to valve for shim data.

1шт.

49

A34390

SHIM,.0329" Thk

Pilot relief spring (0.83 mm) (Replaces A34817) .0329" Thk

1шт.

Refer to tag attached to valve for shim data.

1шт.

49

A34391

SHIM,.0149" Thk

Pilot relief spring (0.37 mm) (Order A34817) .0149" Thk

1шт.

Refer to tag attached to valve for shim data.

1шт.

49

A34849

SHIM,.0105" Thk

Pilot relief spring (0.25 mm) .0105" Thk

1шт.

Refer to tag attached to valve for shim data.

1шт.

50

218-5008

O-RING,0.116" Thk x 0.924" ID, -912, Cl 6, 90 Duro

- 3/4 x 59/64 x 1/8" (19.05 x 23.41 x 3.17 MM)

1шт.

Part of Valve Seal Kit P/N A43086.

1шт.

Part of Pilot Relief Valve Kit P/N A42888.

1шт.

51

A34392

PLUG

- pilot relief valve

1шт.

55

A139951

HEAD

ASSEMBLY - remote valve, LH, Includes: Ref. 56 - 58

1шт.

56

NSS

NOT SOLD SEPARAT

SEAT - valve head

2шт.

57

A76898

RING

- back-up, 1-1/2 x 1-3/4 x 3/64" (38.1 x 44.45 x 1.19 MM)

4шт.

58

T13224

O-RING,1.484" ID x 1.762" OD x 0.139"

- 1-31/64 x 1-49/64 x 9/64" (37.70 x 44.84 x 3.57 MM)

4шт.

59

A143303

GASKET

- valve head, LH

1шт.

Part of Valve Seal Kit P/N A43086.

1шт.

60

A139949

HEAD

ASSEMBLY - remote valve, RH, Includes: Ref. 61 - 63

1шт.

61

NSS

NOT SOLD SEPARAT

SEAT - valve head

2шт.

62

A76898

RING

- back-up, 1-1/2 x 1-3/4 x 3/64" (38.1 x 44.45 x 1.1906 MM)

4шт.

63

T13224

O-RING,1.484" ID x 1.762" OD x 0.139"

- 1-31/64 x 1-49/64 x 9/64" (37.70 x 44.84 x 3.57 MM)

4шт.

64

A143304

GASKET

- valve head, RH

1шт.

Part of Valve Seal Kit P/N A43086.

1шт.

65

13-644

BOLT,Hex, 3/8" - 16 x 2-3/4", Gr 5

- 3/8 x 2-3/4" NC hex., grade 5

8шт.

66

92-6

LOCK WASHER,3/8"

8шт.

67

A57559

SPOOL

PIN - return ball check

4шт.

68

211-28

BALL,13/32" Dia

- return, meter (10.32 MM) 13/32" Dia

4шт.

69

A76895

GUIDE

- return ball check spring

4шт.

70

A76896

SPRING

- check, return ball, 1/2" OD x 2" free length (12.7 x 50.8 MM)

4шт.

71

218-5008

O-RING,0.116" Thk x 0.924" ID, -912, Cl 6, 90 Duro

- 3/4 x 59/64 x 1/8" (19.05 x 23.41 x 3.17 MM)

4шт.

Part of Valve Seal Kit P/N A43086.

1шт.

72

A76894

FITTING

- valve head

4шт.

75

A27891

O-RING,0.103" Thk x 0.362" ID, -110, Cl 5, 75 Duro

- thermal valve seat

2шт.

Part of Valve Seal Kit P/N A43086.

1шт.

76

A137335

SEAT

- thermal valve, RH head

2шт.

77

211-3

BALL,1/8" Dia

- thermal valve, meter (3.17 MM) 1/8" Dia

2шт.

78

A137594

GUIDE

- thermal valve ball

2шт.

79

A57396

SPRING

- thermal valve, 11/32" OD x 1-1/8" free length (8.73 x 28.57 MM)

2шт.

82

195-516

WASHER,#12

- 1/4 x 9/16 x 1/16" (6.35 x 14.29 x 1.59 MM)

4шт.

83

A76892

SEAL

- valve head quick coupler

4шт.

84

A76893

SNAP RING,0.625", Int, #62

Ring, Snap, , valve head seal 0.625", Int, #62

4шт.

85

A147286

INSERT

- remote valve head

4шт.

86

A30915

O-RING,0.139" Thk x 1.359" ID, -220, Cl 5, 75 Duro

- 1-3/8 x 1-5/8 x 1/8" (34.92 x 41.27 x 3.17 MM)

4шт.

87

A147561

ADAPTER

ADAPTOR - remote valve head

4шт.

A43086

SEAL

KIT valve, Includes: Ref. 41, 42, 50, 59, 64, 71 and 75

1шт.

A42888

KIT

pilot, relief, valve, Includes: Ref. 42, 43 and 50

1шт.

Выбрано товаров: 62