Запчасти Case IH 2470 (454) - LOWER SEAT SUSPENSION, 15 DEGREE SWIVEL SEAT, P.I.N. 8792901 AND AFTER (09) - CHASSIS/ATTACHMENTS

Схема запчастей Case IH 2470 - (454) - LOWER SEAT SUSPENSION, 15 DEGREE SWIVEL SEAT, P.I.N. 8792901 AND AFTER (09) - CHASSIS/ATTACHMENTS
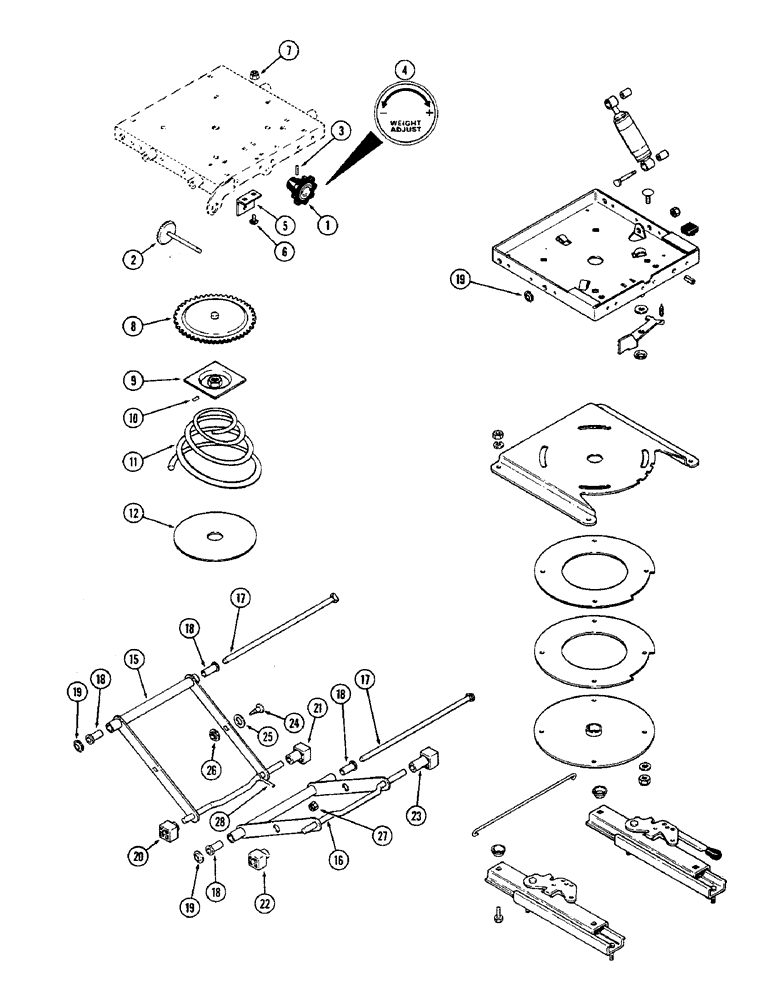
28
16
25
19
18
19
15
17
11
1
18
7
5
23
4
26
9
24
10
21
18
12
19
8
2
22
3
20
18
17
27
6
FIT
1:1
100%

Артикул

Название

Примечание

Количество

A139917

SEAT

AND SUSPENSION ASSEMBLY - (15 degree swivel), Includes: Ref. 1 - 28

1шт.

1

A45508

BUTTON

KNOB - weight adjustment

1шт.

2

A45513

GEAR

SHAFT AND GEAR ASSEMBLY - weight adjusting

1шт.

3

138-77

LOCK PIN,5/32" x 1", Slotted

PIN, 5/32" x 1", Slotted

1шт.

4

A45511

DECAL

- weight adjusting knob

1шт.

5

A45531

BRACKET

- adjusting shaft

1шт.

6

411-48

CARRIAGE BOLT,Sq Nk, 1/4" - 20 x 1/2", Gr 2

BOLT - 1/4 x 1/2" NC round head square neck, grade 2

2шт.

7

131-2

NUT,1/4"-20, GB

NUT - jam, 1/4" NC hex.

2шт.

8

A45505

GEAR

ASSEMBLY - height adjusting

1шт.

9

A45504

SPRING WASHER

- spring

1шт.

10

138-77

LOCK PIN,5/32" x 1", Slotted

PIN, 5/32" x 1", Slotted

1шт.

11

A45497

SPRING

- conical

1шт.

12

A45530

PAD

- spring

1шт.

15

A45533

TUBE

ARM ASSEMBLY - outer

1шт.

16

A45532

TUBE

ARM ASSEMBLY - inner (Order A47759)

1шт.

17

A45057

SHAFT

- bearing (Replaces A45506)

2шт.

18

A45496

TUBE

- bearing

4шт.

19

131-425

PUSH-ON NUT,Push, 1/2"

NUT, LOCK, Push, 1/2"

2шт.

20

A45512

BLOCK

- slider, 1-3/16" (30.1625 MM)

1шт.

21

A45516

BLOCK

- slider, 2-3/16" (55.5625 MM)

1шт.

22

A45515

BLOCK

- slider, 1-9/16" (39.6875 MM)

1шт.

23

P0045517A

WASHER

- slider, 2-9/16" (65.0875 MM)

1шт.

24

A45055

BOLT

- 3/8 x 1-3/4" NC round head square neck (Replaces A45569)

2шт.

25

A45110

WASHER

- spacer

2шт.

26

A45498

BUSHING

BEARING - cross pivot (Order A47759)

2шт.

195-25

WASHER,3/8"

- 13/32 x 13/16 x 1/16" (10.32 x 20.64 x 1.59 MM) (Used with A45056)

2шт.

27

131-6

LOCK NUT,3/8"-16, GC

NUT - jam, 3/8" NC hex.

2шт.

28

A47070

INDICATOR

- ride height seat

1шт.

Выбрано товаров: 28