Запчасти Case IH 2470 (540) - CAB, RADIO AND STEREO TAPE PLAYER, PRIOR TO CAB SERIAL NO. 7864002 (09) - CHASSIS/ATTACHMENTS

Схема запчастей Case IH 2470 - (540) - CAB, RADIO AND STEREO TAPE PLAYER, PRIOR TO CAB SERIAL NO. 7864002 (09) - CHASSIS/ATTACHMENTS
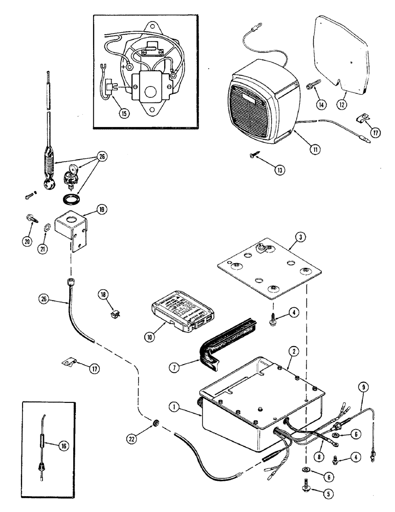
11
4
7
12
6
5
22
2
19
21
17
15
4
18
16
10
17
3
26
26
20
8
1
9
6
14
13
FIT
1:1
100%

Артикул

Название

Примечание

Количество

A143542

RADIO

AND TAPE PLAYER KIT - (AM-FM) (Also order A62457 antenna kit for complete installation) (Replaces A137760), Includes: Ref. 1 - 22

1шт.

1

NSS

NOT SOLD SEPARAT

RADIO AND TAPE PLAYER - (Order A137760)

1шт.

2

NSS

NOT SOLD SEPARAT

PLATE - mounting (Includes bolts)

1шт.

3

NSS

NOT SOLD SEPARAT

PLATE - adapter, Serial Range: player-roof

1шт.

4

187-1036

SELF-TAP SCREW,Hex Washer, 1/4" - 20 x 1/2"

SCREW - 1/4 x 1/2" self-tapping

4шт.

5

187-1082

SELF-TAP SCREW,Hex Washer, 1/4" - 20 x 1"

SCREW - 1/4 x 1" self-tapping

1шт.

6

193-73

LOCK WASHER,Ext-Int Tooth, 1/4"

WASHER - 1/4" internal/external Shakeproof

2шт.

7

A137175

SUPPORT

MOLDING - trim, front

1шт.

8

NSS

NOT SOLD SEPARAT

STRAP - ground

1шт.

9

NSS

NOT SOLD SEPARAT

WIRE - lead-in (Includes fuse)

1шт.

10

NSS

NOT SOLD SEPARAT

TAPE - cleaning, tape player

1шт.

11

NSS

NOT SOLD SEPARAT

SPEAKERS KIT - stereo (Includes 2 speakers with wires)

1шт.

12

A137174

BOARD - speaker mounting

2шт.

13

187-1020

SCREW,Cross Hd, #8 x 3/4"

- #8 x 1/4" Phillips self-tapping

4шт.

14

187-1059

SELF-TAP SCREW,Hex Wash Hd, 1/4" x 1 1/2"

SCREW - 1/4 x 1/2" self-tapping

2шт.

15

NSS

NOT SOLD SEPARAT

CAPACITOR - alternator

1шт.

16

NSS

NOT SOLD SEPARAT

SUPPRESSOR - distributor (With gas engine only)

1шт.

17

A20541

CLIP

- wire

12шт.

18

A62079

CLIP

- wire and antenna cable

5шт.

19

NSS

NOT SOLD SEPARAT

BRACKET - antenna

1шт.

20

187-1036

SELF-TAP SCREW,Hex Washer, 1/4" - 20 x 1/2"

SCREW - 1/4 x 1/2" self-tapping

2шт.

21

193-73

LOCK WASHER,Ext-Int Tooth, 1/4"

WASHER - 1/4" internal/external Shakeproof

2шт.

22

A23870

GROMMET

- antenna cable (Replaces D38275)

1шт.

A62457

ANTENNA

KIT, Includes: Ref. 26

1шт.

26

NSS

NOT SOLD SEPARAT

CABLE - antenna

1шт.

Выбрано товаров: 25