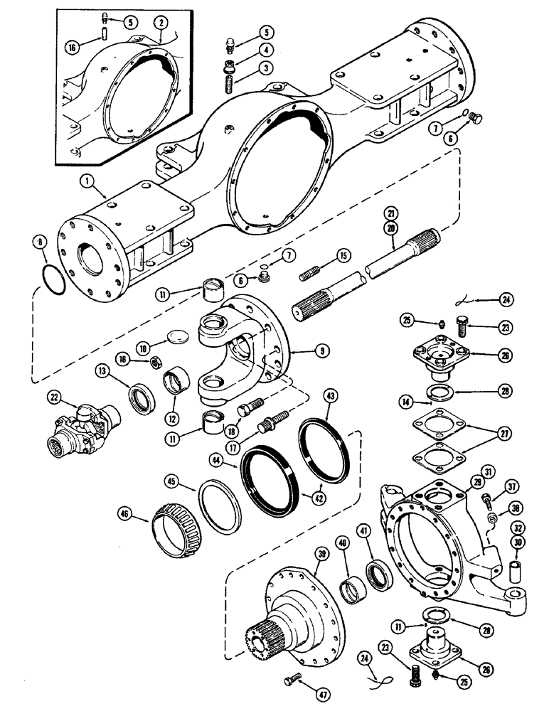
Запчасти Case IH 2470 (148) - REAR HYDRAULIC STEER, REAR AXLE HOUSING, TRUNNION AND SPINDLE (06) - POWER TRAIN

Схема запчастей Case IH 2470 - (148) - REAR HYDRAULIC STEER, REAR AXLE HOUSING, TRUNNION AND SPINDLE (06) - POWER TRAIN
25
45
16
14
13
1
43
10
8
24
32
9
2
18
12
44
20
41
21
24
37
11
29
28
6
40
28
3
4
15
31
38
7
23
11
23
5
25
6
47
46
7
30
26
17
42
27
39
5
22
16
26
11
FIT
1:1
100%

Артикул

Название

Примечание

Количество

1

A76478

HOUSING

- axle, differential (With 3/8" P.T. breather hole)

1шт.

2

A75224

HOUSING

- axle, differential (With 1/8" P.T. breather hole)

1шт.

3

221-164

FITTING,Nipple, 3/8" NPT x 2"

NIPPLE - pipe (3/8" P.T. x 2")

1шт.

4

221-345

COUPLING, BREAK AWAY

COUPLING - reducer, Serial Range: (3/8-1/8")

1шт.

5

A12928

BREATHER

- diff. hsg.

1шт.

6

A14280

PLUG

- drain, differential hsg.

2шт.

7

A58608

GASKET

- drain plug

2шт.

8

A21301

O-RING,0.139" Thk x 3.609" ID, -239, Cl 5, 75 Duro

"O" RING - seal, trunnion to diff. hsg. (3-5/8 x 3-7/8 x 1/8")

2шт.

9

A75230

TRUNNION ASSY. - axle, Includes: Ref. 10 - 14

2шт.

10

41-36

PLUG,Exp, 2 1/4"

- (2-1/4")

2шт.

11

A76244

BUSHING

- King pin (Replaced A75235)

2шт.

12

A75234

BUSHING

- universal

1шт.

13

A75233

SEAL

- oil (2-1/2 x 3-1/2 x 1/2")

1шт.

14

A75236

PIN

- trunnion thrust washer

4шт.

15

A75225

STUD

- mounting, axle trunnion (3/4" N.C. x 2-1/8")

4шт.

16

25-1612

NUT,3/4"-10, G5, Hvy

- (3/4" N.C. hex.)

4шт.

17

166-134

12 PT SCREW,Flg, 3/4" - 10 x 2", Gr 8

BOLT - (3/4 x 2" N.C. Ferry cap)

12шт.

18

26-1232

BOLT,Hex, 3/4" - 10 x 2", Gr 8

4шт.

20

A75243

SHAFT

- axle drive, short (28-5/8")

1шт.

21

A75242

SHAFT

- axle drive, long (32-1/2")

1шт.

22

A75275

JOINT

ASSY. - universal (See figure 108)

2шт.

23

A75248

BOLT - (3/4 x 1-3/8" N.C., drilled head)

16шт.

24

391-407

WIRE - safety (#13 x 10")

8шт.

25

219-41

LUBE NIPPLE,65 Degree Elbow, 1/8" - 27 NPTF

NIPPLE, LUBE, 65º, 1/8" NPT x 1.20" lg

4шт.

26

A75244

PIN

- King

4шт.

27

A75246

SHIM,.005" Thk

King pin .005" Thk

1шт.

27

A75247

SHIM,.015" Thk

- King pin (0.020")

1шт.

28

A75245

WASHER

- thrust, King pin

4шт.

29

A75249

HOUSING

ASSY. - spindle, R.H. front & L.H. rear (See figure 103A), Includes: Ref. 30

1шт.

30

A75239

BUSHING,22.28mm ID x 28.66mm OD x 56.34mm L

- spindle housing

1шт.

31

A75250

HOUSING

ASSY. - spindle, R.H. rear & L.H. front (See figure 103A), Includes: Ref. 32

1шт.

32

A75239

BUSHING,22.28mm ID x 28.66mm OD x 56.34mm L

- spindle housing

1шт.

37

13-1036

BOLT,Hex, 5/8" - 11 x 2-1/4", Gr 5

2шт.

38

A31254

SPACER - adjusting bolt (21/32 x 1 x 1-1/8")

2шт.

39

A75254

SPINDLE

ASSY. - wheel, Includes: Ref. 40 - 46

2шт.

40

A75234

BUSHING

- yoke, universal joint

1шт.

41

A75233

SEAL

- oil, axle

1шт.

42

A76272

OIL SEAL,174.22mm ID x 219.53mm OD x 20.95mm Thk

ASSY. - oil, wheel spindle (Replaced A75259), Includes: Ref. 43 and 44

1шт.

43

NSS

NOT SOLD SEPARAT

SEAL - oil, inner half

1шт.

44

NSS

NOT SOLD SEPARAT

SEAL - oil, outer half

1шт.

45

A75256

RING

- back-up, wheel spindle bearing

1шт.

46

L31699

TAPERED BEARING

CONE - bearing, wheel spindle (5" I.D. x 1-1/2")

1шт.

47

26-824

BOLT,Hex, 1/2" - 13 x 1-1/2", Gr 8

28шт.

47

26-820

BOLT,Hex, 1/2" - 13 x 1-1/4", Gr 8

4шт.

Выбрано товаров: 44