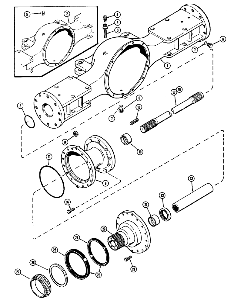
Запчасти Case IH 2470 (150) - REAR RIGID STEER, REAR AXLE HOUSING, AXLE EXTENSION & SPINDLE (06) - POWER TRAIN

Схема запчастей Case IH 2470 - (150) - REAR RIGID STEER, REAR AXLE HOUSING, AXLE EXTENSION & SPINDLE (06) - POWER TRAIN
5
2
19
16
13
8
17
25
24
7
22
23
4
26
14
3
1
11
21
6
20
5
6
10
7
9
27
12
18
FIT
1:1
100%

Артикул

Название

Примечание

Количество

1

A76478

HOUSING

- axle, differential (With 3/8" P.T. breather hole)

1шт.

2

A75224

HOUSING

- axle, differential (With 1/8" P.T. breather hole)

1шт.

3

221-164

FITTING,Nipple, 3/8" NPT x 2"

NIPPLE - pipe (3/8" P.T. x 2")

1шт.

4

221-345

COUPLING, BREAK AWAY

COUPLING - reducer, Serial Range: (3/8-1/8")

1шт.

5

A12928

BREATHER

- diff. hsg.

1шт.

6

A14280

PLUG

- drain, differential hsg.

2шт.

7

A58608

GASKET

- drain plug

2шт.

8

A21301

O-RING,0.139" Thk x 3.609" ID, -239, Cl 5, 75 Duro

"O" RING - extension hsg. to diff. hsg. (3-5/8 x 3-7/8 x 1/8")

2шт.

9

A75237

HOUSING

ASSY. - axle extension, Includes: Ref. 10

2шт.

10

A75234

BUSHING

- axle coupling

1шт.

11

A75474

O-RING,0.139" Thk x 9.484" ID, -272, Cl 5, 75 Duro

"O" RING - extension hsg. to axle spindle

2шт.

12

A75241

COUPLING

- axle drive

2шт.

13

A75225

STUD

- mounting, axle trunnion (3/4" N.C. x 2-1/8")

4шт.

14

25-1612

NUT,3/4"-10, G5, Hvy

- (3/4" N.C. hex.)

4шт.

16

26-1232

BOLT,Hex, 3/4" - 10 x 2", Gr 8

16шт.

17

A75243

SHAFT

- axle drive, short (28-5/8")

1шт.

18

A75242

SHAFT

- axle drive, long (32-1/2")

1шт.

19

26-824

BOLT,Hex, 1/2" - 13 x 1-1/2", Gr 8

32шт.

20

A75254

SPINDLE

ASSY. - wheel, Includes: Ref. 21 - 27

2шт.

21

A75234

BUSHING

- yoke, universal joint

1шт.

22

A75233

SEAL

- oil, axle

1шт.

23

A76272

OIL SEAL,174.22mm ID x 219.53mm OD x 20.95mm Thk

ASSY. - oil, wheel spindle (Replaced A75259), Includes: Ref. 24 and 25

1шт.

24

NSS

NOT SOLD SEPARAT

SEAL - oil, inner half

1шт.

25

NSS

NOT SOLD SEPARAT

SEAL - oil, outer half

1шт.

26

A75256

RING

- back-up, wheel spindle bearing

1шт.

27

L31699

TAPERED BEARING

CONE - bearing, wheel spindle (5" I.D. x 1-1/2")

1шт.

Выбрано товаров: 26