Запчасти Case IH 2470 (183E) - SHUTTLE VALVE & LINES, WITH P.T.O. (06) - POWER TRAIN

Схема запчастей Case IH 2470 - (183E) - SHUTTLE VALVE & LINES, WITH P.T.O. (06) - POWER TRAIN
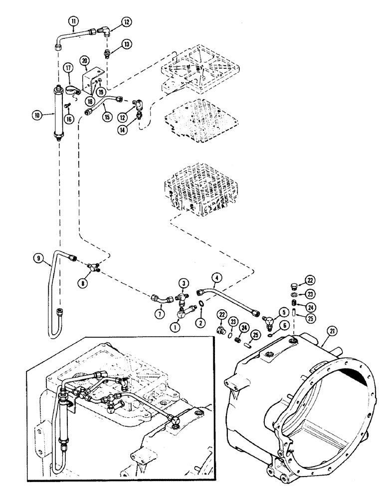
10
21
1
23
9
18
5
17
15
25
7
12
13
24
24
6
22
4
11
23
12
20
19
2
8
3
22
14
25
16
FIT
1:1
100%

Артикул

Название

Примечание

Количество

1

A62102

ELBOW,90 Degree, 3/4"-16, 37 Degree x 3/4"-16 O-Ring, Long

ASSY. - 90 degrees (1/2" tube O.D.), Includes: Ref. 2

1шт.

3

218-840

TEE,37 Degree, 3/4"-16 x 3/4"-16, Fem Sw Br

- tube w/swivel branch

1шт.

4

A76310

TUBE - tee to clutch hsg.

1шт.

5

218-5106

90 ELBOW,90 Degree Elbow, 3/4" - 16 Male JIC x 3/4" - 16 Male ORB

ASSY. - 90 degree adjustable, Includes: Ref. 6

1шт.

7

A65074

TUBE - tube union tee to swivel branch tee

1шт.

8

218-594

TEE,3/4"-16, 37 Degree

- tube union

1шт.

9

A76308

TUBE - shuttle valve to tube union tee

1шт.

10

A65308

VALVE

- shuttle

1шт.

11

A76309

TUBE - shuttle valve to (C-1) clutch

1шт.

12

A65071

ELBOW

- with pressure check

2шт.

13

217-1080

HYD CONNECTOR,1/4" - 18 NPT x 1/4" - 18 NPT

CONNECTOR, (NIPPLE, PIPE) 1/4"-18 NPTF

1шт.

14

217-1071

HYD CONNECTOR,1/4" - 18NPTF x 1/8" - 27 NPTF

NIPPLE - pipe (1/4 x 1/8" hex. reducing)

1шт.

15

A65075

TUBE - tube union tee to (C-4) clutch

1шт.

16

13-512

BOLT,Hex, 5/16" - 18 x 3/4", Gr 5

1шт.

17

A65069

CLAMP,1 3/8", 5/16" Bolt

- shuttle valve to bracket

1шт.

18

92-5

LOCK WASHER,5/16"

1шт.

19

9635082

NUT,5/16" - 18, Gr 5

- (5/16" N.C. hex.)

1шт.

20

A65068

BRACKET - mounting, shuttle valve

1шт.

21

A58483

HOUSING - clutch

1шт.

22

214389

PLUG,3/4" - 16 ORB

Assy, Includes Ref. 23 Hex Hd, 3/4"-16 ORB

2шт.

23

A27410

O-RING,0.487" ID x 0.693" OD x 0.103"

"O" RING - (1/2 x 11/16 x 3/32")

1шт.

24

A58050

PLUG

- (C-1) & (C-4) clutch oil fill tube

2шт.

25

A58049

TUBE

- (C-1) & (C-4) clutch oil fill

2шт.

2

218-5006

O-RING,0.087" Thk x 0.644" ID, -908, Cl 6, 90 Duro

"O" RING - (1/2 x 21/32 x 3/32")

1шт.

6

218-5006

O-RING,0.087" Thk x 0.644" ID, -908, Cl 6, 90 Duro

"O" RING - (1/2 x 21/32 x 3/32")

1шт.

Выбрано товаров: 25