Запчасти Case IH 2470 (198) - TWIN DUAL REMOTE HYDRAULICS CONTROLS, CONTROLS R.H. SIDE REMOTES (08) - HYDRAULICS

Схема запчастей Case IH 2470 - (198) - TWIN DUAL REMOTE HYDRAULICS CONTROLS, CONTROLS R.H. SIDE REMOTES (08) - HYDRAULICS
10
10
15
19
15
3
11
19
17
10
10
16
4
12
12
16
7
11
19
5
23
21
24
9
15
17
8
6
5
3
1
16
20
22
16
23
18
9
19
15
2
FIT
1:1
100%

Артикул

Название

Примечание

Количество

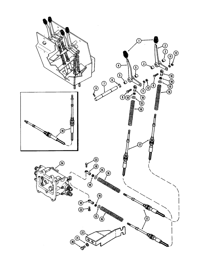
1

A65699

KNOB

Lever, w/brass insert (Replaced A23885)

2шт.

2

A75916

LEVER

ASSY - remote, inner, Incl. Ref. 3

1шт.

3

A59429

BUSHING,15.95mm ID x 19.13mm OD x 12.83mm L

Lever

2шт.

4

A75918

LEVER

ASSY, remote, outer, Incl. Ref. 5

1шт.

5

A59429

BUSHING,15.95mm ID x 19.13mm OD x 12.83mm L

Lever

2шт.

6

A27785

CIRCLIP,#62, .480" Dia, E-Type

1шт.

7

A75736

SHAFT

Console lever

1шт.

8

138-96

LOCK PIN,3/16" x 1", Slotted

1шт.

9

113-104

BOLT,Hex, 5/16" - 18 x 1-1/4", Gr 5

2шт.

10

A35134

BEARING

BALL JOINT - cable end

4шт.

11

192-20

LOCK WASHER,Helical Spring, 0.318" ID, CST, ZND

2шт.

12

9635082

NUT,5/16" - 18, Gr 5

2шт.

15

195-2027

WASHER,.344" x 1" x .065"

4шт.

16

A76475

SPRING

Remote valve centering (Replaces A76235)

4шт.

17

A76293

CABLE

Remote (75") (1st used trac. S/N 8692744)

2шт.

18

A75737

CABLE

Remote (75") (Used prior to trac. S/N 8692744)

2шт.

19

86637933

JAM NUT,5/16" - 24, Gr 5

2шт.

20

113-433

BOLT,Hex, 1/2" - 13 x 3/4", Gr 5, Full Thd

2шт.

21

192-23

LOCK WASHER,1/2"

2шт.

22

A76005

SPARE PART Cable mounting

1шт.

23

114-101

BOLT,Hex, 5/16" - 24 x 7/8", Gr 5, Full Thd

2шт.

24

REF

INSTRUCTION

VALVE ASSY, twin dual remote hyds. (See figs. 212-215C)

1шт.

Выбрано товаров: 22