Запчасти Case IH 2470 (215C) - A75812 REMOTE HYDRAULICS VALVE ASSYEMBLY, USED PRIOR TO TRACTOR SERIAL NO. 8713156 (08) - HYDRAULICS

Схема запчастей Case IH 2470 - (215C) - A75812 REMOTE HYDRAULICS VALVE ASSYEMBLY, USED PRIOR TO TRACTOR SERIAL NO. 8713156 (08) - HYDRAULICS
55
71
63
80
54
47
57
68
52
79
50
51
67
65
66
56
72
75
76
64
66
53
48
78
65
73
58
49
77
70
74
69
FIT
1:1
100%

Артикул

Название

Примечание

Количество

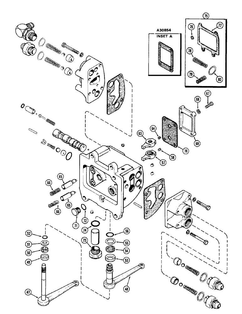
A75812

VALVE

ASSY. - twin dual remote hyds., Includes: Ref. 47 - 74

1шт.

47

A75757

LEVER

- shifter shaft (Outer)

1шт.

48

A75755

LEVER

- shifter shaft (Inner)

1шт.

49

A30875

RETAINER

- felt washer

1шт.

Part of seal Kit P/N A43086

1шт.

50

A30853

WASHER

- felt (1/2 x 15/16 x 1/4")

1шт.

Part of seal Kit P/N A43086

1шт.

51

A27409

WASHER

- seal, spool (33/64 x 63/64 x 1/32")

1шт.

Part of seal Kit P/N A43086

1шт.

52

A64836

O-RING,0.487" ID x 0.693" OD

"O" RING - outer handle (1/2 x 11/16 x 3/32")

1шт.

Part of seal Kit P/N A43086

1шт.

53

A30880

RETAINER

- felt washer

1шт.

Part of seal Kit P/N A43086

1шт.

54

A30879

WASHER

- felt (3/4 x 1-3/16 x 1/4")

1шт.

Part of seal Kit P/N A43086

1шт.

55

A30881

SEALING WASHER,19.45mm ID x 31.35mm OD

WASHER - seal, spool (49/64 x 1-15/64 x 1/32")

1шт.

Part of seal Kit P/N A43086

1шт.

56

A64837

O-RING,0.103" Thk x 0.75" ID, -116, Cl 5, 75 Duro

"O" RING - seal, shaft (3/4 x 15/16 x 3/32")

1шт.

Part of seal Kit P/N A43086

1шт.

57

A57546

ARM

ASSY. - hyd. valve spool shifter lever (Inner), Includes: Ref. 58

1шт.

58

178-875

SET SCREW,Hex Soc, 1/4"-20 x 1/4"

SCREW - set (1/4 x 1/4" N.C. hex. sckt. hdless. cup pt.)

1шт.

63

A57547

ARM

ASSY. - hyd. valve spool shifter lever (Outer), Includes: Ref. 64

1шт.

64

178-875

SET SCREW,Hex Soc, 1/4"-20 x 1/4"

SCREW - set (1/4 x 1/4" N.C. hex. sckt. hdless. cup pt.)

1шт.

65

A63765

PLUNGER

- hyd. valve spool (Inner & outer)

2шт.

66

A30883

SPRING

- hyd. valve spool plunger

2шт.

67

13-414

BOLT,Hex, 1/4" - 20 x 7/8", Gr 5, Full Thd

4шт.

68

92-4

LOCK WASHER,1/4"

WASHER, LOCK, 1/4"

4шт.

69

A57552

CAP

- hyd. valve body

1шт.

70

A76374

GASKET

- hyd. valve body cap (Replaced A30854 - see inset A)

1шт.

Part of seal Kit P/N A43086

1шт.

71

86512512

PLUG,7/8" - 14 ORB

- Incl. Ref. 72 Hex Hd, 7/8"-14 ORB

1шт.

72

237-6010

O-RING,0.097" Thk x 0.755" ID, -910, Cl 6, 90 Duro

"O" RING - (5/8 x 3/4 x 3/32")

1шт.

Part of seal Kit P/N A43086

1шт.

73

A34392

PLUG

- pilot relief valve

1шт.

74

218-5008

O-RING,0.116" Thk x 0.924" ID, -912, Cl 6, 90 Duro

"O" RING - (3/4 x 59/64 x 1/8")

1шт.

Part of seal Kit P/N A43086

1шт.

A43086

SEAL

KIT - seal (Includes Refs. 9, 16, 22, 36, 37, 49 - 56, 70, 72 and 74)

1шт.

75

A44704

KIT

- remote valve neutral rework, Includes: Ref. 76 - 80

1шт.

76

A32348

GASKET,16.54mm ID x 23.29mm OD x 3.5mm Thk

GASKET - remote valve

1шт.

77

A34138

GASKET

-, Serial Range: valve-transmission

1шт.

78

A66473

SPRING

- valve return ball (2-5/16" free length)

4шт.

79

A66472

SPRING

- valve spool plunger (1-21/32" free length)

2шт.

80

218-5008

O-RING,0.116" Thk x 0.924" ID, -912, Cl 6, 90 Duro

"O" RING - (3/4 x 59/64 x 1/8")

4шт.

Выбрано товаров: 43