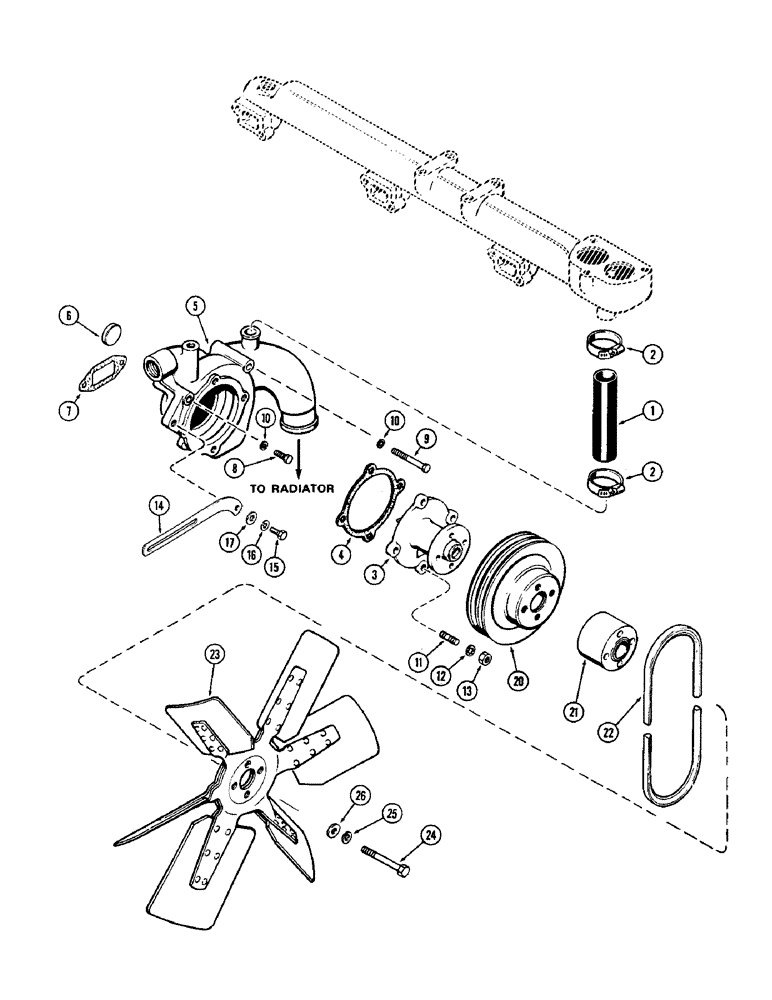
Запчасти Case IH 2470 (015A) - WATER PUMP, 504BDT DIESEL ENGINE (02) - ENGINE

Схема запчастей Case IH 2470 - (015A) - WATER PUMP, 504BDT DIESEL ENGINE (02) - ENGINE
4
3
13
12
8
14
15
10
23
6
25
26
1
10
2
24
11
9
20
7
2
21
16
5
22
17
FIT
1:1
100%

Артикул

Название

Примечание

Количество

1

A58640

HOSE

HOSE - water pump by-pass (1-1/4" I.D. x 2-2/5" length)

1шт.

2

214-256

HOSE CLAMP,#20, 0.81" - 1.75", Type F Worm

CLAMP - hose (1-3/16 to 1-3/4")

2шт.

3

1998701C1

REMAN-WATER PUMP

Pump Assy. -Reman Water Pump (replaces A62976)

1шт.

3

A48329

CORE-WATER PUMP

Return Number, Water Pump

1шт.

4

A58646

GASKET

GASKET - pump to body (See gasket kits, figure 40)

1шт.

5

A60630

HOUSING

BODY ASSY. - water pump, Includes: Ref. 6

1шт.

6

A58568

PLUG,Cup, 1 3/8", Stainless

PLUG - (1-25/64" cup type)

1шт.

7

A58649

GASKET

GASKET - body to block (See gasket kits, figure 40)

1шт.

8

13-618

BOLT,Hex, 3/8" - 16 x 1-1/8", Gr 5

BOLT, Hex, 3/8"-16 x 1 1/8", G5, Full Thd

2шт.

9

13-660

BOLT,Hex, 3/8" - 16 x 3-3/4", Gr 5

BOLT - (3/8 x 3-3/4" N.C. hex.)

2шт.

10

92-6

LOCK WASHER,3/8"

LOCK WASHER, 3/8"

4шт.

11

A62234

STUD

STUD - (3/8" N.C. x 1-5/16")

4шт.

12

193-30

LOCK WASHER,Int Tooth, 3/8"

WASHER, LOCK, Int Tooth, 3/8"

4шт.

13

25-146

JAM NUT,Jam, 3/8"-16, G5

NUT - (3/8" N.C. hex., jam)

4шт.

14

A59167

STRAP

STRAP - alternator adjusting

1шт.

15

13-616

BOLT,Hex, 3/8" - 16 x 1", Gr 5, Full Thd

BOLT, Hex, 3/8"-16 x 1", G5, Full Thd

1шт.

16

92-6

LOCK WASHER,3/8"

LOCK WASHER, 3/8"

1шт.

17

95-6

WASHER,3/8"

WASHER - 7/16 x 1 x 5/64"

1шт.

20

A75293

PULLEY

PULLEY - fan driven

1шт.

21

A75813

BUSHING

SPACER - fan

1шт.

22

A61048

SET OF BELTS,0.69" W x 58.00" L

Fan, 2 Matched

1шт.

23

A64705

FAN

FAN - radiator, suction

1шт.

24

113-247

BOLT,Hex, 3/8" - 16 x 3-1/4", Gr 5

BOLT, Hex, 3/8"-16 x 3 1/4", G5

4шт.

25

192-21

LOCK WASHER,3/8"

WASHER, LOCK, 3/8"

4шт.

26

195-104

WASHER,3/8"

WASHER - (7/16 x 1 x 3/32")

4шт.

Выбрано товаров: 25