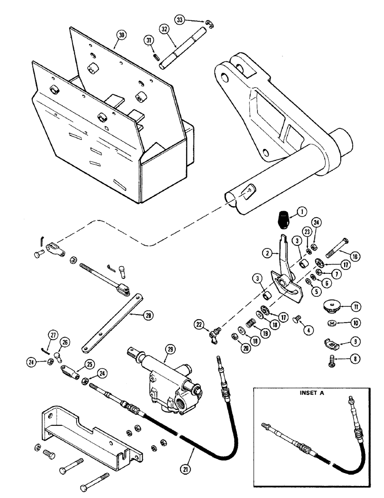
Запчасти Case IH 2470 (218) - 3 POINT HITCH, DEPTH CONTROLS (09) - CHASSIS/ATTACHMENTS

Схема запчастей Case IH 2470 - (218) - 3 POINT HITCH, DEPTH CONTROLS (09) - CHASSIS/ATTACHMENTS
6
1
3
22
8
30
24
25
4
31
26
16
29
21
18
33
23
32
24
19
2
7
11
17
28
27
3
20
9
10
24
5
18
17
FIT
1:1
100%

Артикул

Название

Примечание

Количество

1

A65699

KNOB

- lever, w/brass insert (Replaced A23885)

1шт.

2

A75448

LEVER

ASSY. - depth control, Includes: Ref. 3

1шт.

3

A59429

BUSHING,15.95mm ID x 19.13mm OD x 12.83mm L

- lever

2шт.

4

111-360

CARRIAGE BOLT,Short NK, 3/8"-16 x 3/4", G5

BOLT, CARRIAGE, Short NK, 3/8"-16 x 3/4", G5

2шт.

5

195-525

WASHER,3/8", SAE

- plain (13/32 x 13/16 x 5/64")

2шт.

6

192-21

LOCK WASHER,3/8"

WASHER, LOCK, 3/8"

2шт.

7

129-103

NUT,Hex, 3/8" - 16, Gr 5

NUT, 3/8"-16, G5

2шт.

8

111-317

CARRIAGE BOLT,Short NK, 3/8"-16 x 1", G2

BOLT, CARRIAGE, Short NK, 3/8"-16 x 1", G2

2шт.

9

A75453

CLAMP

- lever, stop

2шт.

10

195-104

WASHER,3/8"

- (7/16 x 1 x 5/64")

2шт.

11

G15951

NUT

- knurled

2шт.

16

111-327

CARRIAGE BOLT,Short NK, 3/8"-16 x 3", G2

BOLT - (3/8 x 3" N.C. rd. hd. sq. neck)

1шт.

17

A61069

DISC

- friction

2шт.

18

195-104

WASHER,3/8"

- flat

2шт.

19

A75454

SPRING

- friction disc

1шт.

20

131-94

LOCK NUT,3/8"-16, GB

NUT - lock (3/8" - 16)

1шт.

21

A76292

CABLE

- depth control (Replaced A75445 see inset A)

1шт.

22

A75447

BALL JOINT

BEARING - spherical rod end

1шт.

23

192-18

LOCK WASHER,Helical Spring, #10, 0.196" ID, CST, ZND

WASHER, LOCK, #10

1шт.

24

129-37

NUT,#10-32

3шт.

25

A63015

YOKE

CLEVIS - cable end

1шт.

26

141-3

CLEVIS PIN,5/16" x .940"

PIN, CLEVIS, , Valve 5/16" x .940"

1шт.

27

132-26

COTTER PIN

Pin, Split (Cotter), 3/32" x 3/4"

1шт.

28

A75444

LEVER - control valve

1шт.

29

L10043

VALVE

ASSY. - depth control (See figure 238)

1шт.

30

A75997

CONSOLE - operator's

1шт.

31

138-96

LOCK PIN,3/16" x 1", Slotted

PIN, 3/16" x 1", Slotted

1шт.

32

A75736

SHAFT

- console lever

1шт.

33

A27785

CIRCLIP,#62, .480" Dia, E-Type

Ring, Retaining, #62, .480" Dia, E-Type

1шт.

Выбрано товаров: 29