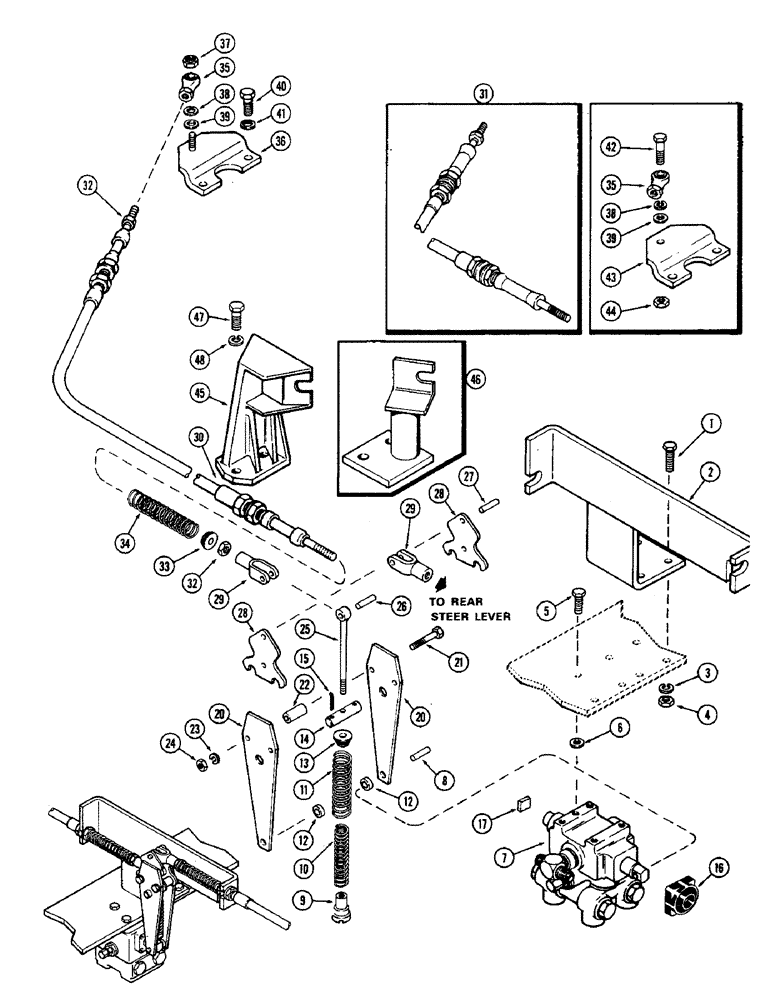
Запчасти Case IH 2470 (088) - REAR STEER CONTROL LINKAGE (05) - STEERING

Схема запчастей Case IH 2470 - (088) - REAR STEER CONTROL LINKAGE (05) - STEERING
36
20
11
32
25
24
46
14
39
9
33
7
35
26
15
28
30
6
5
42
44
45
39
34
3
8
13
16
23
37
38
43
17
4
22
10
35
38
12
29
21
31
48
40
32
47
27
20
29
2
41
12
28
1
FIT
1:1
100%

Артикул

Название

Примечание

Количество

1

113-208

BOLT,Hex, 3/8" - 16 x 1-1/4", Gr 5

4шт.

2

A76181

BRACKET - steering valve mounting

1шт.

3

192-21

LOCK WASHER,3/8"

WASHER, LOCK, 3/8"

4шт.

4

129-103

NUT,Hex, 3/8" - 16, Gr 5

NUT, 3/8"-16, G5

4шт.

5

113-206

BOLT,Hex, 3/8" - 16 x 3/4", Gr 5, Full Thd

3шт.

6

A26676

GASKET

WASHER - copper (25/64 x 5/8 x 1/64")

3шт.

7

A76334

VALVE

ASSY. - rear steering (Replaced A75643) (See fg. 96)

1шт.

8

138-177

LOCK PIN,3/8" x 2", Slotted

PIN, 3/8" x 2", Slotted

1шт.

9

A76133

NUT - valve lever sleeve

1шт.

10

A76131

SPRING - inner, steering valve lever (4-5/32" free length)

1шт.

11

A76132

SPRING - outer, steering valve lever (4-3/4" free length)

1шт.

12

T34907

SPACER

- steering valve lever & spool

2шт.

13

A76130

WASHER - valve lever spring

1шт.

14

A75611

PIN - steering valve lever

1шт.

15

132-310

COTTER PIN,1/8" x 1"

PIN, SPLIT (COTTER), 1/8" x 1"

2шт.

16

A76236

BOOT

- rear steer valve

1шт.

17

A76237

FILTER

- rear steer valve

1шт.

20

A75609

LEVER - steering valve, lower half

2шт.

21

113-14

BOLT,Hex, 1/4" - 20 x 2", Gr 5

Hex, 1/4"- 20 x 2", G5

2шт.

22

A75610

SPACER - steering valve lever

2шт.

23

192-19

LOCK WASHER,Helical Spring, 0.256" ID, CST, ZND

WASHER, LOCK, 1/4"

2шт.

24

7770

NUT,Hex, 1/4 - 20, Cl 5

1/4"-20, G5

2шт.

25

A75612

BOLT - eye, valve lever

1шт.

26

138-172

LOCK PIN,3/8" x 1 1/4", Slotted

PIN, 3/8" x 1 1/4", Slotted

1шт.

27

138-174

LOCK PIN,3/8" x 1 1/2", Slotted

PIN, 3/8" x 1 1/2", Slotted

1шт.

28

A75608

LEVER - steering valve, upper half

2шт.

29

213-4

ADJUSTABLE CLEVIS,3/8"-24 x 2 1/2"

CLEVIS - steering cable

2шт.

30

A76268

CABLE

- steering (64") (1st used tractor serial no. 8711832)

1шт.

31

A75605

CABLE

ASSY. - steering (64") (Used prior to tractor serial no. 8711832) (Order A76268)

1шт.

32

129-123

NUT,3/8"-24, G5

2шт.

33

A75606

WASHER - cable spring

1шт.

34

A76129

SPRING - steering cable (6-21/32" free length)

1шт.

35

A75602

END

BALL JOINT - rod end, steering cable

1шт.

36

A76258

PLATE

- rear axle steering (1st used tractor serial no. 8692636)

1шт.

37

131-52

NUT,3/8"-16, GC

NUT - lock (3/8" hex. Esna) (1st used tractor serial no. 8692636)

1шт.

38

192-21

LOCK WASHER,3/8"

WASHER, LOCK, 3/8"

1шт.

39

195-525

WASHER,3/8", SAE

- (13/32 x 13/16 x 16 ga.)

1шт.

40

113-433

BOLT,Hex, 1/2" - 13 x 3/4", Gr 5, Full Thd

2шт.

41

192-23

LOCK WASHER,1/2"

WASHER, LOCK, 1/2"

2шт.

42

113-209

BOLT,Hex, 3/8" - 16 x 1-1/2", Gr 5

(Used prior to tractor S/N 8692636) Hex, 3/8"-16 x 1 1/2", G5

1шт.

43

A75601

PLATE

- rear axle steering (Used prior to tractor serial no. 8692636) (Order A76258)

1шт.

44

129-103

NUT,Hex, 3/8" - 16, Gr 5

NUT, (Used prior to tractor S/N 8692636) 3/8"-16, G5

1шт.

45

A76319

SUPPORT

BULKHEAD - rear axle (1st used trac. ser. no. 8713026)

1шт.

46

A76265

SUPPORT

BULKHEAD - rear axle (Replaced A75603) (Used prior to tractor serial no. 8713026)

1шт.

47

113-417

BOLT,Hex, 1/2" - 13 x 1-1/4", Gr 5, Full Thd

2шт.

48

192-23

LOCK WASHER,1/2"

WASHER, LOCK, 1/2"

2шт.

Выбрано товаров: 46