Запчасти Case IH 2470 (121A) - NEUTRAL START SWITCH KIT (06) - POWER TRAIN

Схема запчастей Case IH 2470 - (121A) - NEUTRAL START SWITCH KIT (06) - POWER TRAIN
5
12
9
9
4
8
3
12
11
7
7
1
2
6
10
5
8
6
10
4
11
FIT
1:1
100%

Артикул

Название

Примечание

Количество

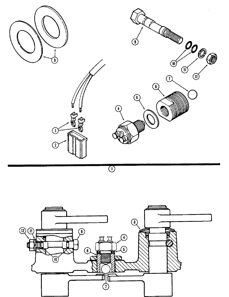
1

A76400

KIT

- neutral start switch, Includes: Ref. 2 - 12

1шт.

2

A76401

BODY - terminal

1шт.

3

A76402

TERMINAL - wire harness

2шт.

4

A76403

SWITCH

- neutral start

1шт.

5

G49401

SHIM,.005" Thk

Neutral start switch .005" Thk

1шт.

5

G49402

SHIM,.010" Thk

Neutral start switch .010" Thk

1шт.

6

A76404

NUT - adjusting

1шт.

7

211-13

BALL,1/2" Dia

steel 1/2" Dia

1шт.

8

A76406

SHIM - external, shift lever (0.187")

1шт.

8

A76407

SHIM - external, shift lever (0.032")

1шт.

8

A76408

SHIM - external, shift lever (0.005")

1шт.

9

A76405

DOWEL - adjusting screw

1шт.

10

A27358

O-RING,0.07" Thk x 0.239" ID, -10, Cl 5, 75 Duro

"O" RING - adjusting screw dowel

2шт.

11

92-5

LOCK WASHER,5/16"

1шт.

12

25-145

JAM NUT,Jam, 5/16"-18, G5

- (5/16" N.C. hex. jam)

1шт.

Выбрано товаров: 15