Запчасти Case IH 2670 (200) - RANGE SHIFT MECHANISM (06) - POWER TRAIN

Схема запчастей Case IH 2670 - (200) - RANGE SHIFT MECHANISM (06) - POWER TRAIN
10
3
11
2
5
22
20
18
17
12
16
6
5
17
7
19
15
13
6
8
7
21
1
14
3
23
9
1
FIT
1:1
100%

Артикул

Название

Примечание

Количество

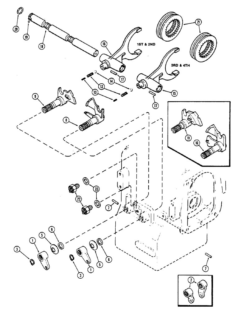
1

A136325

LEVER

- shift (Straight) (1st used trans. ser. no. 2474800)

2шт.

2

A76551

LEVER

- shift (Offset) (Used before trans. ser. no. 2474800) (Order A136325)

2шт.

3

B18208

SNAP RING,#100, Ext

shifter lever to shifter shaft #100, Ext

2шт.

5

A76552

SPRING

- wave, shifting lever

2шт.

6

A76307

OIL SEAL,25.4mm ID x 31.9mm OD x 4.75mm Thk

- oil, shifter shaft

2шт.

7

A58950

PIN

- retaining, shifter shaft

2шт.

8

A146850

LEVER

- shifter (3rd and 4th) (1st used trans. ser. no. 10027104)

1шт.

9

A146849

LEVER

- shifter (1st and 2nd) (1st used trans. ser. no. 10027104)

1шт.

10

A76549

LEVER

- shifter (3rd and 4th) (Order A146850) (Used before trans. ser. no. 10027104)

1шт.

11

A76257

LEVER - shifter (1st and 2nd) (Order A146849) (Used before trans. ser. no. 10027104)

1шт.

12

A26530

SPRING

- detent, outer, 13/32" O.D. x 1-1/2" long (10.32 x 38.1 MM)

2шт.

13

A23886

SPRING

- detent, inner, 1/4" O.D. x 1-1/2" long (6.35 x 38.1 MM)

2шт.

14

211-12

BALL,7/16 Dia

- detent, 7/16" dia. (11.11 MM)

2шт.

15

A76524

FORK

- shifter (3rd and 4th)

1шт.

16

A76523

FORK

- shifter (1st and 2nd)

1шт.

17

138-58

LOCK PIN,1/8" x 13/16", Slotted

Pin, 1/8" x 13/16", Slotted

2шт.

18

A77136

RAIL

- shifter

1шт.

19

211-7

BALL,1/4" Dia

- shifter rail retainer 1/4" Dia

1шт.

20

A75171

SNAP RING,#112, 1.060", Ext

RING - snap, shifter rail retainer

1шт.

21

A138190

COLLAR

- shift, sliding (Replaces A76692)

2шт.

22

A139078

SWITCH

- neutral start (Replaces A76403)

2шт.

23

G49402

SHIM,.010" Thk

Neutral start switch (0.2540 mm) .010" Thk

1шт.

Выбрано товаров: 22