Запчасти Case IH 2670 (226) - OUTPUT SHAFT (06) - POWER TRAIN

Схема запчастей Case IH 2670 - (226) - OUTPUT SHAFT (06) - POWER TRAIN
2
6
3
1
1
7
20
6
21
4
3
8
18
19
10
17
4
16
22
2
15
9
5
FIT
1:1
100%

Артикул

Название

Примечание

Количество

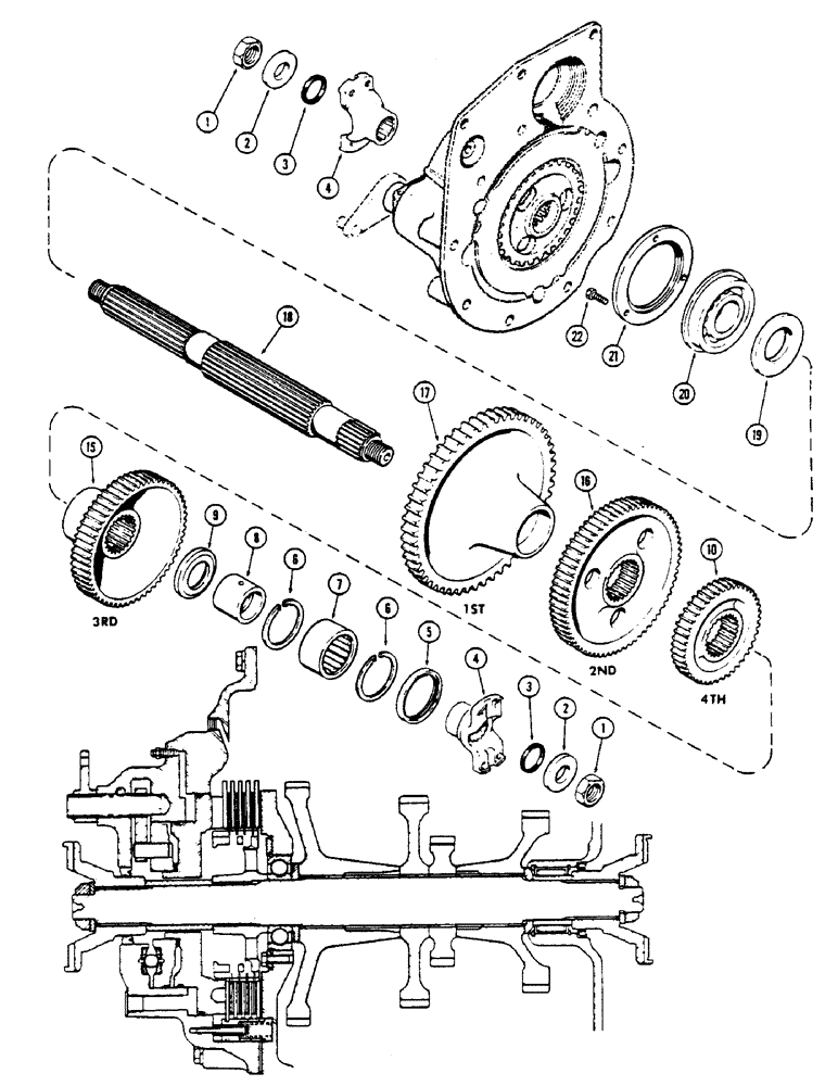
1

131-587

LOCK NUT,1 3/8"-12

NUT - (1-3/8" N.F. hex, Flexloc)

2шт.

2

A76504

WASHER

- retaining, output shaft yoke

2шт.

3

A76503

SEALING WASHER,44.45mm ID x 50.8mm OD x 7.11mm Thk

GASKET - sealing, yoke, 1-1/2 x 1-3/4 x 11/32" (38.1 x 44.45 x 8.73 MM)

2шт.

4

A76502

YOKE

- output shaft

2шт.

5

A38231

OIL SEAL,66.67mm ID x 85.22mm OD x 9.53mm Thk

- oil, output shaft, front

1шт.

6

REF

INSTRUCTION

RING - snap, output shaft needle bearing (See Figures 192 and 194)

2шт.

7

REF

INSTRUCTION

BEARING - needle, output shaft, front (See Figures 192 and 194)

1шт.

8

REF

INSTRUCTION

RACE - inner, output shaft needle bearing (See Figures 192 and 194)

1шт.

9

A76506

BUSHING

SPACER - output shaft, 3rd driven gear

1шт.

10

A152214

GEAR

- driven (4th) (39 teeth) (Replaces A76508)

1шт.

15

A76507

GEAR

- driven (3rd) (55 teeth)

1шт.

16

A76509

GEAR

- driven (2nd) (65 teeth)

1шт.

17

A76510

GEAR

- driven (1st) (76 teeth)

1шт.

18

A76501

SHAFT

- output

1шт.

19

A76511

BUSHING

SPACER - output shaft 1st gear, rear

1шт.

20

A76512

BALL BEARING,2.1654" ID x 5.09" OD x 1.1417"

BEARING - output shaft, rear

1шт.

21

A76513

RETAINER

- output shaft rear bearing

1шт.

22

13-616

BOLT,Hex, 3/8" - 16 x 1", Gr 5, Full Thd

3шт.

Выбрано товаров: 18