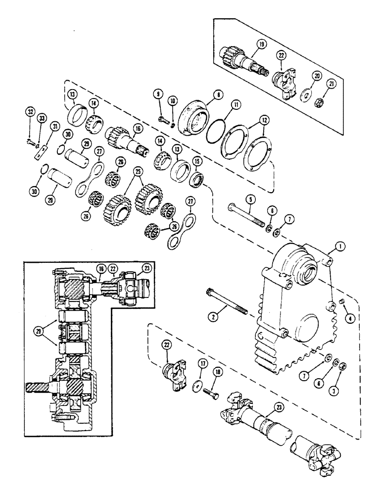
Запчасти Case IH 2670 (266) - P.T.O. DROP BOX, INPUT SHAFT AND IDLER (08) - HYDRAULICS

Схема запчастей Case IH 2670 - (266) - P.T.O. DROP BOX, INPUT SHAFT AND IDLER (08) - HYDRAULICS
23
18
22
19
13
33
25
30
26
22
23
29
12
3
4
17
14
1
7
13
16
29
7
16
32
20
22
27
26
2
21
9
26
27
10
31
6
29
5
14
8
6
30
11
15
FIT
1:1
100%

Артикул

Название

Примечание

Количество

1

A146542

HOUSING

- P.T.O. drop box (Replaces A76089)

1шт.

2

166-149

SCREW,Flg, 3/4" - 10 x 8", Gr 8

BOLT - 3/4 x 8" N.C. 12 pt. Ferry hd. cap, grade 8

2шт.

3

25-1012

NUT,3/4"-10, G5

(Lower mounting bolts) 3/4"-10, G5

2шт.

4

221-846

PLUG,Hex Soc, 1"-11 1/2

- 1" P.T. hex sckt. hd.

1шт.

5

15-12112

BOLT (SPREADER),Hex, 3/4" - 10 x 7", Gr 5

BOLT - 3/4" x 7" N.C. hex head, grade 5

2шт.

6

92-12

LOCK WASHER,3/4"

WASHER, LOCK, 3/4"

4шт.

7

A27449

WASHER

- mounting bolt (25/32 x 1-9/16 x 1/4")

4шт.

8

A75209

CARRIER

- P.T.O. input pinion bearing

1шт.

9

13-620

BOLT,Hex, 3/8" - 16 x 1-1/4", Gr 5, Full Thd

3шт.

10

92-6

LOCK WASHER,3/8"

3шт.

11

A27507

O-RING,0.139" Thk x 3.984" ID, -242, Cl 5, 75 Duro

- P.T.O. input bearing carrier

1шт.

12

A75212

SHIM,.005" Thk

PTO input pinion brg. (0.127 mm) .005" Thk

1шт.

12

A75213

SHIM,.007" Thk

PTO input pinion brg. (0.177 mm) .007" Thk

1шт.

13

A75210

BEARING CUP,3.5433" OD x 0.9055"

CUP - bearing, P.T.O. input pinion

2шт.

14

A75211

ROLLER BEARING,1.9685" ID x 1.1024"

CONE - bearing, P.T.O. input pinion

2шт.

15

A57708

SEAL

- oil, P.T.O. input shaft

1шт.

16

A138562

GEAR

PINION - input (1st used tractor ser. no. 8767184)

1шт.

17

A75206

WASHER,13.5mm ID x 50.8mm OD x 9.53mm Thk

- retainer (17/32 x 2 x 3/8") (1st used tractor ser. no. 8767184)

1шт.

18

113-2436

BOLT,Locking, 1/2" - 13 x 2-1/4", Gr 5

- lock, 1/2 x 2-1/4" N.C. grade 5 (1st used tractor ser. no. 8767184)

1шт.

19

A76561

PINION

- input (Used before tractor ser. no. 8767184) (Order A138562, A75206 and 113-2436)

1шт.

20

A75138

WASHER

- retainer (1-5/32 x 2-13/64 x 1/4") (Used before tractor ser. no. 8767184)

1шт.

21

131-584

LOCK NUT,1 1/8"-12

NUT - (1-1/8" flexlock) (Used before tractor ser. no. 8767184)

1шт.

22

A76560

YOKE

- P.T.O. input pinion

1шт.

23

A148811

SHAFT

ASSY. - P.T.O. drive (Replaces A76564) (See Figure 280)

1шт.

25

A76562

GEAR

- P.T.O. idler

2шт.

26

A63282

ROLLER BEARING,1.75" ID x 2.1268" OD x 1"

BEARING - needle, P.T.O. idler gear

4шт.

27

A63281

WASHER

- thrust, P.T.O. idler gear

2шт.

29

A75214

SHAFT

- P.T.O. idler

2шт.

30

T13224

O-RING,1.484" ID x 1.762" OD x 0.139"

- P.T.O. idler shaft

2шт.

31

A75215

PLATE

- lock, P.T.O. idler shaft

1шт.

32

13-614

BOLT,Hex, 3/8" - 16 x 7/8", Gr 5, Full Thd

2шт.

33

92-6

LOCK WASHER,3/8"

2шт.

Выбрано товаров: 32