Запчасти Case IH 2670 (324) - TWIN DUAL REMOTE HYDRAULICS CONTROLS (08) - HYDRAULICS

Схема запчастей Case IH 2670 - (324) - TWIN DUAL REMOTE HYDRAULICS CONTROLS (08) - HYDRAULICS
19
7
15
8
12
18
3
21
17
2
23
5
18
13
17
9
5
18
8
20
13
10
6
22
4
4
13
18
13
14
14
23
1
24
15
7
25
12
11
FIT
1:1
100%

Артикул

Название

Примечание

Количество

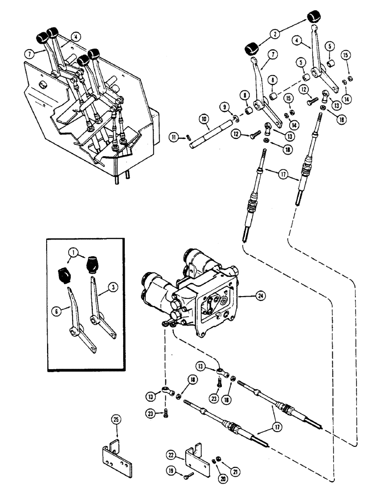
1

A65699

KNOB

- lever (Plastic) (Order A137806)

2шт.

2

A137806

KNOB

- lever (Rubber)

2шт.

3

A75916

LEVER

ASSY. - inner (With threaded top) (Order Ref. 2 and 4)

1шт.

4

A137846

LEVER

ASSY. - inner (Replaces A75916)

1шт.

5

A59429

BUSHING,15.95mm ID x 19.13mm OD x 12.83mm L

- lever

2шт.

6

A75918

LEVER

ASSY. - outer (With threaded top) (Order Ref. 2 and 7)

1шт.

7

A137848

LEVER

ASSY. - outer (Replaces A75918)

1шт.

8

A59429

BUSHING,15.95mm ID x 19.13mm OD x 12.83mm L

- lever

1шт.

9

A27785

CIRCLIP,#62, .480" Dia, E-Type

Ring, Retaining, #62, .480" Dia, E-Type

1шт.

10

A75736

SHAFT

- console lever

1шт.

11

138-96

LOCK PIN,3/16" x 1", Slotted

PIN, 3/16" x 1", Slotted

1шт.

12

113-104

BOLT,Hex, 5/16" - 18 x 1-1/4", Gr 5

2шт.

13

A35134

BEARING

BALL JOINT - cable end

4шт.

14

192-20

LOCK WASHER,Helical Spring, 0.318" ID, CST, ZND

WASHER, LOCK, 5/16"

2шт.

15

9635082

NUT,5/16" - 18, Gr 5

2шт.

17

A145337

CABLE,2235.2mm L

- remote (Replaces A76997)

2шт.

18

86637933

JAM NUT,5/16" - 24, Gr 5

4шт.

19

113-208

BOLT,Hex, 3/8" - 16 x 1-1/4", Gr 5

- 3 x 1-1/4" N.C. hex, grade 5

2шт.

20

192-21

LOCK WASHER,3/8"

WASHER, LOCK, 3/8"

2шт.

21

129-103

NUT,Hex, 3/8" - 16, Gr 5

NUT, 3/8"-16, G5

2шт.

22

A76996

BRACKET

- cable mounting (Used before tractor ser. no. 8826007) (See Ref. 25) (Order A145347)

1шт.

23

114-101

BOLT,Hex, 5/16" - 24 x 7/8", Gr 5, Full Thd

2шт.

24

REF

INSTRUCTION

VALVE ASSY. - twin dual remote hyds. (See Figure 362)

1шт.

25

A145347

BRACKET

- cable mounting (1st used trac. ser. no. 8826007)

1шт.

Выбрано товаров: 24