Запчасти Case IH 2670 (384) - G33943 LIFT ARM CYLINDER ASSEMBLY, 4 INCH DIAMETER CYLINDER WITH 9-27/32 INCH STROKE (08) - HYDRAULICS

Схема запчастей Case IH 2670 - (384) - G33943 LIFT ARM CYLINDER ASSEMBLY, 4 INCH DIAMETER CYLINDER WITH 9-27/32 INCH STROKE (08) - HYDRAULICS
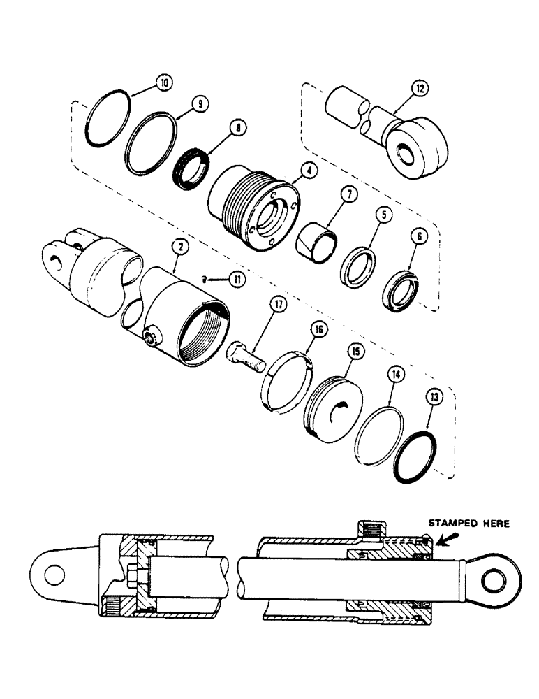
9
7
15
13
12
10
14
6
8
11
2
5
16
4
17
FIT
1:1
100%

Артикул

Название

Примечание

Количество

G33943

CYLINDER

ASSY. - 3 point hitch (Stamped G33943 on gland), Includes: Ref. 2 - 17

1шт.

2

G33957

TUBE,18.11" L

ASSY. - cylinder body

1шт.

G34773

GLAND

ASSY. - hand stamp for identification, Includes: Ref. 4 - 10

1шт.

4

NSS

NOT SOLD SEPARAT

GLAND

1шт.

5

NSS

NOT SOLD SEPARAT

RING - center bearing

1шт.

6

D95142

WIPER SEAL,1.5" ID x 2" OD x 0.31" Thk

WIPER - piston rod, outer, 1-1/2 x 2 x 5/16" (38.1 x 50.8 x 7.93 MM)

1шт.

Included w/ SEAL KIT, G33968

1шт.

7

D34302

BEARING - center

1шт.

Included w/ SEAL KIT, G33968

1шт.

8

D36969

CUP

SEAL - piston rod, 1-1/2 x 2 x 7/16" (38.1 x 50.8 x 11.11 MM)

1шт.

Included w/ SEAL KIT, G33968

1шт.

9

G32176

BACK-UP RING,101.22mm ID x 107.32mm OD x 1.4mm Thk

- Gland O-Ring

1шт.

Included w/ SEAL KIT, G33968

1шт.

10

A27507

O-RING,0.139" Thk x 3.984" ID, -242, Cl 5, 75 Duro

- 4 x 4-1/4 x 1/8" (101.6 x 107.95 x 3.17 MM)

1шт.

Included w/ SEAL KIT, G33968

1шт.

11

187-1031

SELF-TAP SCREW,Pan, 0.164"-32 x 1/4"

SCREW - gland lock (#8-32 x 1/4" self tapping)

1шт.

12

G33961

ROD

- piston, 1-1/2" dia. (38.1 MM)

1шт.

13

G15457

O-RING,0.139" Thk x 3.484" ID, -238, Cl 5, 75 Duro

- 3-1/2 x 3-3/4 x 1/8" (88.9 x 95.25 x 3.17 MM)

1шт.

Included w/ SEAL KIT, G33968

1шт.

14

G31928

RING

- piston (Teflon)

1шт.

Included w/ SEAL KIT, G33968

1шт.

15

G33774

PISTON

- cylinder

1шт.

16

G100448

RING,101.6mm OD, Ext

- wear, piston (Nylon) (Replaces G31927)

1шт.

Included w/ SEAL KIT, G33968

1шт.

17

28-1232

BOLT,Hex, 3/4" - 16 x 2", Gr 8

Piston Hex, 3/4-16 x 2", G8, Full Thd

1шт.

G33968

REPAIR KIT

SEAL KIT - cylinder repair, Includes: Ref. 6 - 10, 13, 14 and 16

1шт.

Выбрано товаров: 26