Запчасти Case IH 2670 (498) - CAB, PLENUM W/HEATER, FIRST USED CAB SERIAL NUMBER 7864002 (09) - CHASSIS/ATTACHMENTS

Схема запчастей Case IH 2670 - (498) - CAB, PLENUM W/HEATER, FIRST USED CAB SERIAL NUMBER 7864002 (09) - CHASSIS/ATTACHMENTS
7
6
19
19
19
9
5
17
19
2
22
20
19
3
1
4
21
8
15
10
8
16
23
11
18
19
15
23
FIT
1:1
100%

Артикул

Название

Примечание

Количество

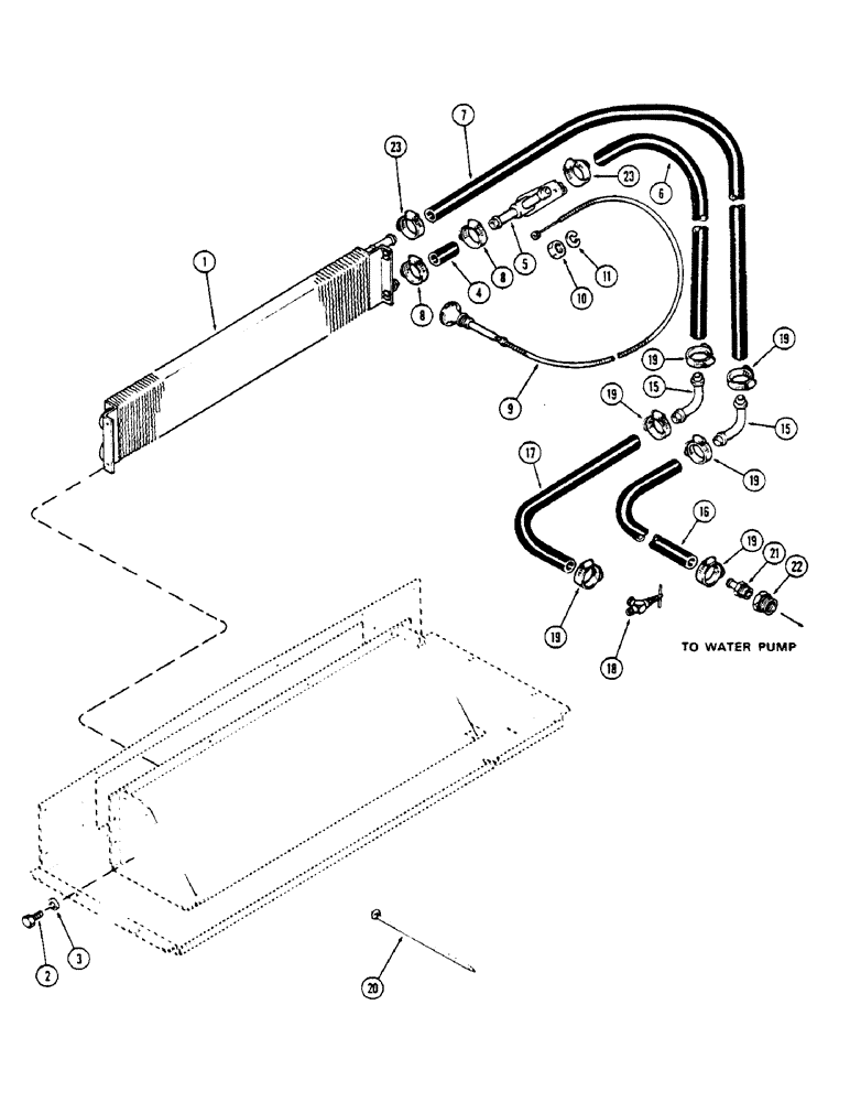
1

F63680

CORE

- heater

1шт.

2

113-39

BOLT,Hex, 1/4" - 20 x 1/2", Gr 2

- 1/4 x 1/2" N.C. hex., grade 5

4шт.

3

192-19

LOCK WASHER,Helical Spring, 0.256" ID, CST, ZND

WASHER, LOCK, 1/4"

4шт.

4

NSS

NOT SOLD SEPARAT

HOSE - core to valve (Black 2") (Order A42610)

1шт.

5

F63865

VALVE

- control, heat

1шт.

6

NSS

NOT SOLD SEPARAT

HOSE - valve outlet, black 134" (3403.6 MM) (Order A42610)

1шт.

7

NSS

NOT SOLD SEPARAT

HOSE - core inlet (Black with red 104") (2641.6 MM) (Order A42610)

1шт.

8

214-256

HOSE CLAMP,#20, 0.81" - 1.75", Type F Worm

CLAMP - hose, 1-3/16 to 1-3/4"

2шт.

9

A42614

CABLE

ASSY. - heat control, Includes: Ref. 10 and 11

1шт.

10

87016560

JAM NUT,Jam, 3/8"-16, G5

1шт.

11

92-6

LOCK WASHER,3/8"

1шт.

15

A60823

ELBOW

- eng. hose to cab hose

2шт.

16

NSS

NOT SOLD SEPARAT

HOSE - heater to water pump, 75" (1905 MM) (Order A42610)

1шт.

17

NSS

NOT SOLD SEPARAT

HOSE - manifold to heater, 52" (1320.8 MM) (Order A42610)

1шт.

18

A16764

VALVE

- shut-off

1шт.

19

214-256

HOSE CLAMP,#20, 0.81" - 1.75", Type F Worm

CLAMP - hose, 1-3/16 to 1-3/4"

6шт.

20

L18331

CABLE TIE,375.9mm L, Nylon, Black

STRAP - nylon, hose retainer (Replaces L11541)

1шт.

21

217-153

FITTING,5/8" Hose Barb x 1/2" Male NPTF

CONNECTOR - hose to water pump, 5/8" hose x 1/2" P.T.

1шт.

22

221-1060

REDUCER,Hex, 3/4" x 1/2" NPT

BUSHING - reducer, 3/4 to 1/2"

1шт.

A42610

LARGE HOSE

HOSE - 5/8" I.D. x 1" O.D., 50 ft. roll (15240 MM), Serial Range: (Cut-length)

1шт.

23

214-256

HOSE CLAMP,#20, 0.81" - 1.75", Type F Worm

CLAMP - hose, 1-3/16 to 1-3/4"

2шт.

Выбрано товаров: 21