Запчасти Case IH 2670 (036) - TURBOCHARGER ASSEMBLY, 504BDT INTERCOOLED DIESEL ENGINE (02) - ENGINE

Схема запчастей Case IH 2670 - (036) - TURBOCHARGER ASSEMBLY, 504BDT INTERCOOLED DIESEL ENGINE (02) - ENGINE
18
24
23
6
3
5
21
12
26
21
23
15
9
19
17
23
4
9
1
18
7
29
20
35
22
30
20
8
15
22
13
2
27
25
14
28
20
21
19
25
22
FIT
1:1
100%

Артикул

Название

Примечание

Количество

A76341

STUD

TURBOCHARGER - original equipment (Order A44499)

1шт.

Part no. A44498 used only to return original equipment turbo for credit on remanufactured turbo.

1шт.

A157336

TURBOCHARGER

TURBOCHARGER

1шт.

A48192

REMAN-TURBOCHARGER

2670

1шт.

A48191

CORE-TURBOCHARGER

Return Part Number

1шт.

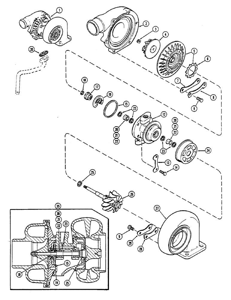
1

A44499

TURBOCHARGER

TURBOCHARGER ASSY. - remanufactured, Includes: Ref. 2 - 29

1шт.

1

A48192

REMAN-TURBOCHARGER

Remanufactured Turbocharger

1шт.

1

A44498

CORE-TURBOCHARGER

Turbocharger, Return Part Number

1шт.

2

A45097

HOUSING

HOUSING - compressor (Replaces A44837)

1шт.

3

A45090

NUT

NUT - lock, compressor (Replaces A44831)

1шт.

4

A45016

IMPELLER

IMPELLER - turbo (Replaces A44835)

1шт.

5

A45095

PLATE

BACKPLATE ASSY. - turbo (Replaces A44836), Includes: Ref. 6

1шт.

6

NSS

NOT SOLD SEPARAT

SPRING - thrust

1шт.

7

A44838

CLAMP

CLAMP - compressor housing.

3шт.

8

A44839

PLATE

LOCKPLATE - compressor housing. clamp

3шт.

9

113-101

BOLT,Hex, 5/16" - 18 x 1-1/2", Gr 5

BOLT, Hex, 5/16"-18 x 1/2", G5, Full Thd

12шт.

12

A44825

HOUSING

HOUSING - center

1шт.

13

A44820

PLATE

LOCKPLATE - center, Serial Range: hsg.-backplate

2шт.

14

113-2

BOLT,Hex, 1/4" - 20 x 5/8", Gr 5

BOLT, Hex, 1/4"-20 x 5/8", G5, Full Thd

4шт.

15

A44833

RING

RING - seal, turbo backplate to center housing.

1шт.

Part of Repair Kit, P/N A45344, A45345 and A45346

1шт.

17

A44830

COLLAR

COLLAR - thrust, compressor

1шт.

18

A44828

RING

RING - position, compressor, 1/2" O.D. (12.7 MM)

1шт.

Part of Repair Kit, P/N A45344, A45345 and A45346

1шт.

19

A44832

THRUST BEARING,0.172"

BEARING - thrust plate

1шт.

Part of Repair Kit, P/N A45344, A45345 and A45346

1шт.

20

A44826

BEARING

BEARING - journal, center (Std.)

2шт.

Part of Repair Kit P/N, A45344

1шт.

21

A44849

BUSHING

BEARING - journal, center (-0.005") (0.013 MM)

2шт.

Part of Repair Kit, P/N, A45345

1шт.

22

A44850

BUSHING

BEARING - journal, center (-0.010") (0.025 MM)

2шт.

Part of Repair Kit, P/N A45346

1шт.

23

A44827

RING

RING - snap, journal bearing

4шт.

Part of Repair Kit, P/N A45344, A45345 and A45346

1шт.

24

A45091

GUARD

SHROUD - center hsg. side wheel (Replaces A44834)

1шт.

25

A44829

RING

RING - piston, turbine housing, 22/32" O.D. (18.26 MM)

1шт.

Part of Repair Kit, P/N A45344, A45345 and A45346

1шт.

26

A44841

WHEEL

WHEEL - turbo shaft

1шт.

27

A44840

HOUSING

HOUSING - turbo

1шт.

28

A44823

CLAMP

CLAMP - turbo to turbine housing.

3шт.

29

A44824

PLATE

LOCKPLATE - turbo to turbine housing.

3шт.

30

A58892

GASKET,1.59mm Thk

GASKET - oil drain tube

1шт.

Part of Repair Kit, P/N A45344, A45345 and A45346

1шт.

35

A45344

KIT

KIT - repair, Includes: Ref. 15, 18, 19, 23, 25, 30 and Ref. 20

1шт.

35

A45345

KIT

KIT - repair, Includes: Ref. 15, 18, 19, 23, 25, 30 and Ref. 21

1шт.

35

A45346

KIT

KIT - repair, Includes: Ref. 15, 18, 19, 23, 25, 30 and Ref. 22

1шт.

Выбрано товаров: 46