Запчасти Case IH 2670 (052) - OIL PUMP, 504BDT INTERCOOLED DIESEL ENGINE (02) - ENGINE

Схема запчастей Case IH 2670 - (052) - OIL PUMP, 504BDT INTERCOOLED DIESEL ENGINE (02) - ENGINE
15
29
19
20
5
6
3
30
4
9
26
8
11
14
2
13
12
6
10
16
9
1
7
22
24
27
13
11
28
25
17
23
12
18
FIT
1:1
100%

Артикул

Название

Примечание

Количество

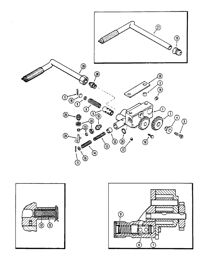
1

A152998

PUMP

ASSY. - oil (Replaces A66002 and A140444), Includes: Ref. 2 - 19

1шт.

2

A58915

SLEEVE

- oil pump body

1шт.

3

A63941

GEAR WHEEL

GEAR ASSY. - idler

1шт.

4

A63944

SHAFT

- idler gear

1шт.

5

A63945

12 PT SCREW

BOLT - 3/8" - 16 N.C. ferry cap, L.H., grade 8

1шт.

6

A75286

VALVE

ASSY. - relief (With cup plug)

1шт.

7

138-2063

PIN,3/32" x 1", Coiled

1шт.

8

A63949

SPRING

- relief valve, 2-7/8" free length (73.03 MM)

1шт.

9

A57470

WASHER

- 13/32 x 11/16" x 16 gauge

1шт.

10

41-1016

PLUG,Cup, 1"

- relief valve

1шт.

11

132-34

COTTER PIN,3/32" x 1 3/4"

Pin, Split (Cotter), 3/32" x 1 3/4"

2шт.

12

A76152

VALVE

- safety, pressure relief

1шт.

13

A76154

SPRING

- inner, 3-7/64" free length (78.98 MM)

1шт.

14

A76153

SPRING

- outer, 2-7/16" free length (61.91 MM)

1шт.

15

195-25

WASHER,3/8"

- (13/32 x 13/16 x 1/16")

1шт.

16

13-516

BOLT,Hex, 5/16" - 18 x 1", Gr 5

Cover to body Hex, 5/16"-18 x 1", G5, Full Thd

4шт.

17

221-850

PLUG,Hex Soc, 1/16"-27

- pipe (1/16" sq. socket hd.), in cover

3шт.

18

221-843

PLUG,Hex Soc, 3/8"-18

- pipe (3/8" hex socket. hd.)

1шт.

19

222-4022

HYD CONNECTOR,1/2"-24 x 1/8" NPTF

CONNECTOR - flex (1/4" tube x 1/8" P.T.) in oil pump cover

1шт.

20

A142004

CONNECTOR, ELEC

CONNECTOR - suction tube (1-5/16" - 12 x 1-1/4" - 18)

1шт.

22

A142004

CONNECTOR, ELEC

SLEEVE - flex tube fitting

2шт.

23

87017024

TUBE NUT,1/2"-24

NUT - flex tube fitting

2шт.

24

A75290

TUBE

- oil pump gallery sensing

1шт.

25

222-4022

HYD CONNECTOR,1/2"-24 x 1/8" NPTF

CONNECTOR - flex (1/4" tube x 1/8" P.T.) in block

1шт.

26

A142503

SCREEN

TUBE ASSY. - suction (Incl. screen) (Replaces A75288)

1шт.

27

A75288

SCREEN

TUBE ASSY. - suction (Order Ref. 20 and 26)

1шт.

28

222-510

TUBE NUT,1 1/4"-18

NUT - suction tube (1" flare) (Use with A75288 tube)

1шт.

29

A64434

O-RING,0.93" ID x 1.142" x 0.106"

- pump to block, 59/64 x 1-1/8 x 7/64" (23.42 x 28.58 x 2.78 MM)

1шт.

30

A58859

SHIM,.005" Thk

Oil pump (.1270 mm) .005" Thk

1шт.

Выбрано товаров: 29