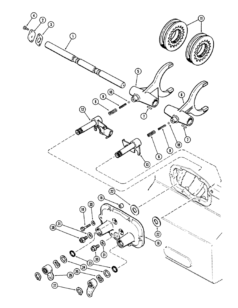
Запчасти Case IH 2870 (180) - RANGE SHIFT MECHANISM, USED TRANSMISSION SERIAL NUMBER 10196101 AND AFTER (06) - POWER TRAIN

Схема запчастей Case IH 2870 - (180) - RANGE SHIFT MECHANISM, USED TRANSMISSION SERIAL NUMBER 10196101 AND AFTER (06) - POWER TRAIN
25
26
31
31
10
24
8
4
9
8
22
16
2
3
30
3
8
13
20
16
21
39
7
19
11
5
10
1
27
6
12
22
FIT
1:1
100%

Артикул

Название

Примечание

Количество

1

A136701

RAIL - shifter fork

1шт.

2

A136704

COVER - shifter rail retainer

1шт.

3

A66110

GASKET

- cover

1шт.

4

13-412

BOLT,Hex, 1/4" - 20 x 3/4", Gr 5, Full Thd

Cover Hex, 1/4"-20 x 3/4", G5, Full Thd

1шт.

5

A136702

FORK - shift collar, first and second

1шт.

6

A136703

FORK - shift collar, third and fourth

1шт.

7

138-58

LOCK PIN,1/8" x 13/16", Slotted

Pin, (3.18 x 20.64 mm) 1/8" x 13/16", Slotted

2шт.

8

A26530

SPRING

- detent, outer, 13/32" diameter x 1-9/16" free length (10.32 x 39.69 mm)

2шт.

9

A23886

SPRING

- detent, inner, 1/4" diameter x 1-1/2" free length (6.35 x 38 mm)

2шт.

10

211-12

BALL,7/16 Dia

- detent, 7/16" diameter (11.11 mm)

2шт.

11

A136030

COLLAR

- shift, sliding shaft

2шт.

12

A153005

LEVER

- shift fork, first and second

1шт.

13

A153006

LEVER

- shift fork, third and fourth

1шт.

16

A150365

HOUSING

- shift cover

1шт.

345-74

SEALANT

- gasket eliminator

1шт.

18

A63167

SLEEVE

- shift lever housing locating

2шт.

19

13-624

BOLT,Hex, 3/8" - 16 x 1-1/2", Gr 5

- housing, 3/8 x 1/2" NC hex

5шт.

19

13-628

BOLT,Hex, 3/8" - 16 x 1-3/4", Gr 5

Housing Hex, 3/8"-16 x 1 3/4", G5

1шт.

20

195-25

WASHER,3/8"

- 3/8 x 13/16 x 1/16" (9.53 x 20.64 1.59 mm)

6шт.

22

A65121

SHIM,.005" Thk

Shift levers (0.14 mm) (Use as required) .005" Thk

4шт.

23

A76307

OIL SEAL,25.4mm ID x 31.9mm OD x 4.75mm Thk

- oil, 1 x 1-1/4 x 3/16" (25.4 x 31.75 x 4.76 mm)

2шт.

24

G46081

BEARING WASHER

WASHER - 1 x 1-9/16 x 1/32" (25.4 x 39.7 x 0.79 mm)

2шт.

25

A63169

SPRING

- lever tension (Wave type)

2шт.

26

A153022

LEVER

- shift linkage, outer

2шт.

27

B18208

SNAP RING,#100, Ext

shift lever #100, Ext

2шт.

30

A139078

SWITCH

- neutral start

2шт.

31

G49402

SHIM,.010" Thk

Switch (0.26 mm) .010" Thk

1шт.

Выбрано товаров: 27