Запчасти Case IH 2870 (182) - RANGE SHIFT MECHANISM, USED PRIOR TO TRANSMISSION SERIAL NUMBER 10196101 (06) - POWER TRAIN

Схема запчастей Case IH 2870 - (182) - RANGE SHIFT MECHANISM, USED PRIOR TO TRANSMISSION SERIAL NUMBER 10196101 (06) - POWER TRAIN
19
11
7
9
25
9
8
16
15
10
26
21
10
15
20
18
1
5
3
20
2
6
8
4
17
7
17
FIT
1:1
100%

Артикул

Название

Примечание

Количество

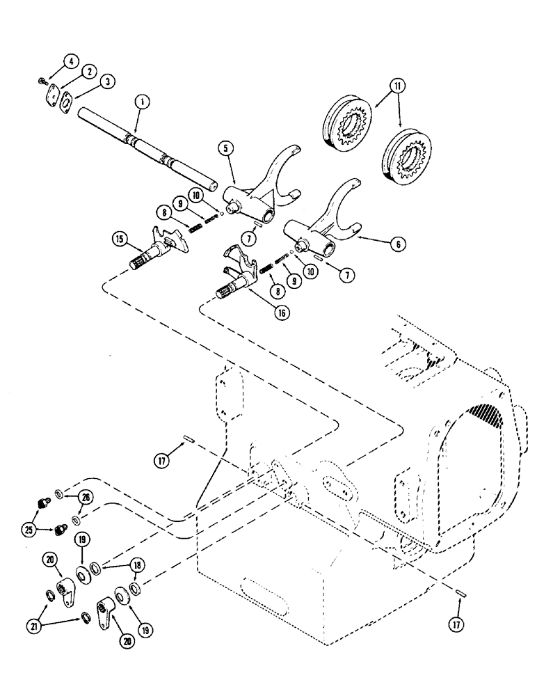
1

A136701

RAIL - shifter fork

1шт.

2

A136704

COVER - shifter rail retainer

1шт.

3

A66110

GASKET

- cover

1шт.

4

13-412

BOLT,Hex, 1/4" - 20 x 3/4", Gr 5, Full Thd

Cover Hex, 1/4"-20 x 3/4", G5, Full Thd

1шт.

5

A136702

FORK - shift collar, first and second

1шт.

6

A136703

FORK - shift collar, third and fourth

1шт.

7

138-58

LOCK PIN,1/8" x 13/16", Slotted

Pin, (3.18 x 20.64 mm) 1/8" x 13/16", Slotted

2шт.

8

26530

SPRING - detent, outer, 13/32" diameter x 1-9/16" free length (10.32 x 39.69 mm)

2шт.

9

A23886

SPRING

- detent, inner, 1/4" diameter x 1-1/2" free length (6.35 x 38 mm)

2шт.

10

211-12

BALL,7/16 Dia

- detent, 7/16" diameter (11.11 mm)

2шт.

11

A136030

COLLAR

- shift, sliding shaft

2шт.

15

A146849

LEVER

- shift fork, first and second

1шт.

16

A146850

LEVER

- shift fork, third and fourth

1шт.

17

A58950

PIN

- shift lever retainer, 3/8 x 1-3/8" (9.53 x 34.93 mm)

2шт.

18

A76307

OIL SEAL,25.4mm ID x 31.9mm OD x 4.75mm Thk

- oil, 1 x 1-1/4 x 3/16" (25.4 x 31.75 x 4.76 mm)

2шт.

19

A76552

SPRING

WASHER - control lever tension

2шт.

20

A136325

LEVER

- shift linkage, outer

2шт.

21

B18208

SNAP RING,#100, Ext

shift levers #100, Ext

2шт.

25

A139078

SWITCH

- neutral start

2шт.

26

G49402

SHIM,.010" Thk

Switch (0.26 mm) .010" Thk

1шт.

Выбрано товаров: 20