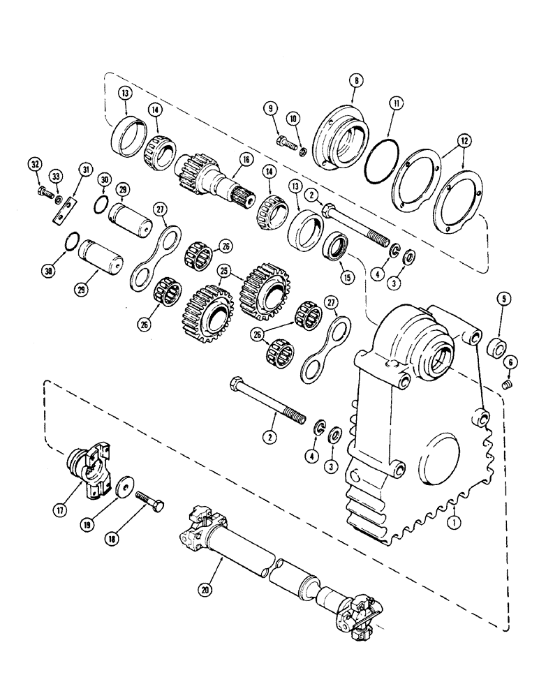
Запчасти Case IH 2870 (240) - PTO INPUT SHAFT AND IDLER (06) - POWER TRAIN

Схема запчастей Case IH 2870 - (240) - PTO INPUT SHAFT AND IDLER (06) - POWER TRAIN
8
31
27
13
30
18
9
4
15
4
30
2
12
25
33
11
10
26
26
13
32
19
29
14
27
17
20
2
1
5
6
3
14
3
26
16
29
FIT
1:1
100%

Артикул

Название

Примечание

Количество

1

A146542

HOUSING

- PTO drop box

1шт.

2

15-12120

BOLT (MACHINE)

BOLT - 3/4 x 7-1/2" NC hex

4шт.

3

195-45

WASHER,3/4"

3шт.

3

A141125

WASHER

- lower left hand bolt, 3/4 x 1-1/4 x 3/16" (19.05 x 31.75 x 4.76 mm)

1шт.

4

92-12

LOCK WASHER,3/4"

WASHER, LOCK, 3/4"

4шт.

5

A148744

SPACER - upper mounting bolts

2шт.

6

221-846

PLUG,Hex Soc, 1"-11 1/2

- 1" PT, socket head

1шт.

8

A75209

CARRIER

- bearing, input pinion

1шт.

9

13-620

BOLT,Hex, 3/8" - 16 x 1-1/4", Gr 5, Full Thd

3шт.

10

92-6

LOCK WASHER,3/8"

3шт.

11

A27507

O-RING,0.139" Thk x 3.984" ID, -242, Cl 5, 75 Duro

- bearing carrier, 4 x 4-1/4 x 1/8" (101.6 x 107.95 x 3.18 mm)

1шт.

12

A75212

SHIM,.005" Thk

Brg. carrier (0.14 mm) .005" Thk

1шт.

12

A75213

SHIM,.007" Thk

Brg. carrier (0.20 mm) .007" Thk

1шт.

13

A75210

BEARING CUP,3.5433" OD x 0.9055"

CUP - bearing, input pinion, 3-9/16" OD (90.46 mm)

2шт.

14

A75211

ROLLER BEARING,1.9685" ID x 1.1024"

CONE - bearing, input pinion 2" ID (50.8 mm)

2шт.

15

A57708

SEAL

- oil, input pinion, 1-3/4 x 2-1/2 x 1/2" (44.45 x 63.5 x 12.7 mm)

1шт.

16

A138562

GEAR

PINION - input, PTO drop box

1шт.

17

A76560

YOKE

- drive shaft to input pinion

1шт.

18

113-2436

BOLT,Locking, 1/2" - 13 x 2-1/4", Gr 5

- yoke, 1/2 x 2-1/4" NC hex (Poly-Lok)

1шт.

19

A75206

WASHER,13.5mm ID x 50.8mm OD x 9.53mm Thk

- yoke retainer, 1/2 x 2 x 3/8" (12.7 x 50.8 x 9.53 mm)

1шт.

20

A148811

SHAFT

ASSEMBLY - PTO drive from transmission (See figure 252)

1шт.

25

A76562

GEAR

- idler, PTO drive, 32 teeth

2шт.

26

A63282

ROLLER BEARING,1.75" ID x 2.1268" OD x 1"

BEARING - needle, idler gear

4шт.

27

A63281

WASHER

- thrust, idler gear

2шт.

29

A75214

SHAFT

- idler gear

2шт.

30

T13224

O-RING,1.484" ID x 1.762" OD x 0.139"

- idler shaft, 1-1/2 x 1-3/4 x 1/8" (38.1 x 44.45 x 3.18 mm)

2шт.

31

A75215

PLATE

- lock, idler shaft

1шт.

32

13-614

BOLT,Hex, 3/8" - 16 x 7/8", Gr 5, Full Thd

2шт.

33

92-6

LOCK WASHER,3/8"

2шт.

Выбрано товаров: 29