Запчасти Case IH 2870 (246) - PTO LUBRICATION AND DRAIN TUBES (06) - POWER TRAIN

Схема запчастей Case IH 2870 - (246) - PTO LUBRICATION AND DRAIN TUBES (06) - POWER TRAIN
15
23
5
2
9
6
13
12
1
27
5
4
20
3
7
14
14
8
16
21
24
22
11
10
26
FIT
1:1
100%

Артикул

Название

Примечание

Количество

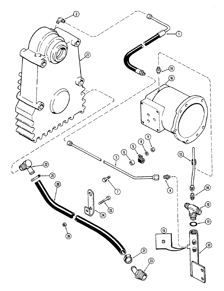
1

A140620

HOSE - lube oil, PTO drop box

1шт.

2

218-483

ELBOW,90 Degree Elbow, 9/16" - 18 Male JIC x 1/4" - 18 Male NPTF

- 90 degree

1шт.

3

A148344

TUBE - PTO, Serial Range: lube-distributor

1шт.

4

218-443

HYD CONNECTOR,9/16" - 18 Male JIC x 1/4" - 18 Male NPTF

CONNECTOR

1шт.

5

49845

CLAMP

CLIP - tube and hose

3шт.

6

A76093

BUSHING

SPACER - clip, 13/32 x 3/4 x 1/2" (10.32 x 19.05 x 12.7 mm)

3шт.

7

113-233

BOLT,Hex, 3/8" - 16 x 1-3/4", Gr 5

3шт.

8

192-21

LOCK WASHER,3/8"

WASHER, LOCK, 3/8"

3шт.

9

129-103

NUT,Hex, 3/8" - 16, Gr 5

NUT, 3/8"-16, G5

2шт.

10

218-5185

TEE,1-1/16" - 12 Male JIC x 1-1/16" - 12 Male JIC x 1-1/16" - 12 Male ORB

ASSEMBLY, Includes: Ref. 11

1шт.

11

218-5008

O-RING,0.116" Thk x 0.924" ID, -912, Cl 6, 90 Duro

- 15/16 x 1-5/32 x 1/8" (23.81 x 29.37 x 3.18 mm)

1шт.

12

REF

INSTRUCTION

DISTRIBUTOR - lube oil (See figure 248)

1шт.

13

A148342

TUBE - lube oil, PTO clutch

1шт.

14

218-443

HYD CONNECTOR,9/16" - 18 Male JIC x 1/4" - 18 Male NPTF

CONNECTOR

2шт.

15

217-433

PLUG,Hex Soc, 1/4" - 18 NPTF

Distributor tube (Without PTO) Hex Soc, 1/4"-18 NPTF

2шт.

16

REF

INSTRUCTION

HOUSING - PTO clutch (See figure 236)

1шт.

20

A140780

HOSE,1.00" ID x 83.00", SAE 30R2 TYPE 1

1.00" ID x 83.00", SAE 30R2 - Drain, PTO drop box

1шт.

21

214-256

HOSE CLAMP,#20, 0.81" - 1.75", Type F Worm

CLAMP - hose, 1-3/16" to 1-3/4" (30.16 to 44.45 mm)

2шт.

22

217-136

ELBOW,90 Degree Elbow, 1" Hose Barb x 1" Male NPTF

- 90 degree

1шт.

23

A76171

TUBE

- drain, Serial Range: tube-transmission

1шт.

24

A140779

SUPPORT

- drain hose

1шт.

25

113-110

BOLT,Hex, 5/16" - 18 x 2-1/4", Gr 5

Hex, 5/16"-18 x 2 1/4", G5

1шт.

26

231-1445

NUT,5/16"-18, GB

NUT - 5/16" NC hex

1шт.

27

REF

INSTRUCTION

HOUSING - PTO drop box (See figure 240)

1шт.

Выбрано товаров: 0