Запчасти Case IH 2870 (040) - CYLINDER HEAD, 674 CUBIC INCH DIESEL ENGINE, WITH 30 DEGREE INTAKE VALVES AND SEATS (02) - ENGINE

Схема запчастей Case IH 2870 - (040) - CYLINDER HEAD, 674 CUBIC INCH DIESEL ENGINE, WITH 30 DEGREE INTAKE VALVES AND SEATS (02) - ENGINE
18
24
1
2
3
4
12
8
7
9
30
16
26
19
31
22
32
20
25
10
23
17
21
11
FIT
1:1
100%

Артикул

Название

Примечание

Количество

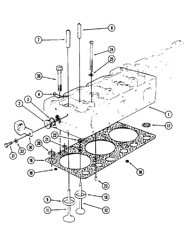
1

A45700

CYLINDER HEAD

HEAD ASSEMBLY - cylinder (Order 1-A46415 and 3-A46416) (See figure 38), Includes: Ref. 2 - 10

2шт.

2

A45701

PLUG

- front and rear

2шт.

3

A45719

O-RING,39.3 mm ID x 1.6 mm

- plug

2шт.

4

A45720

PLUG

- side

3шт.

7

A46433

GUIDE

- intake valve (Replaces A45702)

3шт.

8

A46409

GUIDE

- exhaust valve (Replaces A45703)

3шт.

9

A45704

SEAT

- intake valve

3шт.

10

A45705

VALVE SEAT

SEAT - exhaust valve

3шт.

11

A45706

VALVE

- intake

6шт.

12

A46380

VALVE

- exhaust (Replaces A45707)

6шт.

16

A45744

GASKET

- cylinder, Serial Range: head-block

2шт.

17

A45745

RING

- seal, head gasket (38.7 mm diameter)

12шт.

18

A45746

RING

- seal, head gasket (15.7 mm diameter)

4шт.

19

A46345

RING

- seal, head gasket (12.7 mm diameter) (Replaces A45750)

2шт.

20

A46291

RING

- seal, head gasket (32.7 mm diameter) (Replaces A45749)

2шт.

21

A46290

RING

- seal, head gasket (19.7 mm diameter) (Replaces A45748)

18шт.

22

A45747

RING

- seal, head gasket (23.7 mm diameter)

4шт.

23

A45970

PIN

DOWEL - head locating

2шт.

24

A45751

STEP BOLT

BOLT - cylinder head to block, 16 x 187 mm

22шт.

25

A45763

WASHER

- cylinder head bolts

22шт.

26

A45752

STEP BOLT

BOLT - cylinder head to block, 18 x 110 mm

6шт.

30

A45740

BRACKET

- lift cylinder head

1шт.

31

513-705

BOLT

- bracket, 10 x 1.5 x 25 mm, hex head

2шт.

32

195-525

WASHER,3/8", SAE

- 13/32 x 13/16 x 1/16" (10.32 x 20.64 x 1.59 mm)

2шт.

Выбрано товаров: 24