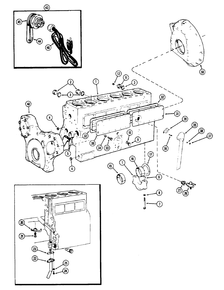
Запчасти Case IH 2870 (046) - CYLINDER BLOCK, 674 CUBIC INCH DIESEL ENGINE (02) - ENGINE

Схема запчастей Case IH 2870 - (046) - CYLINDER BLOCK, 674 CUBIC INCH DIESEL ENGINE (02) - ENGINE
34
32
44
46
12
15
40
23
21
20
1
24
26
22
17
4
25
16
31
8
5
3
11
4
35
36
33
45
2
3
7
9
27
6
38
1
43
10
37
30
32
39
FIT
1:1
100%

Артикул

Название

Примечание

Количество

1

A45817

BLOCK

ASSEMBLY - cylinder (Includes bearing caps), Includes: Ref. 2 - 4

1шт.

2

A45818

PLUG

- right hand side (44 mm)

2шт.

3

A45845

O-RING,45.8 mm ID x 49 mm OD

- plug

3шт.

4

A45846

PLUG

- cup (20 mm)

3шт.

5

REF

INSTRUCTION

BUSHING - camshaft (See figure 44)

4шт.

6

A45819

GUIDE

- bearing, Serial Range: cap-block

14шт.

7

A45847

SCREW,Hex, M18 x 145mm

BOLT - bearing cap

14шт.

8

A45848

WASHER

- bolt, bearing cap

14шт.

9

A45849

PLUG

- left hand side

1шт.

10

A45850

GASKET

GASKET - plug

1шт.

11

A45854

PLUG

- right hand side (44 mm)

1шт.

12

A45851

PLUG

- 3/8" PT

1шт.

15

REF

INSTRUCTION

LINER - main bearing, crankshaft (See figure 48)

12шт.

16

REF

INSTRUCTION

LINER - center bearing, crankshaft (See figure 48)

2шт.

17

A45828

WASHER

- thrust, center bearing (Standard)

4шт.

17

A45829

WASHER

- thrust, center bearing (3.505 mm oversize)

4шт.

17

A45830

WASHER

- thrust, centering bearing (3.556 mm oversize)

4шт.

17

A45831

BEARING

WASHER - thrust, center bearing (3.683 mm oversize)

4шт.

20

A45840

NOZZLE CAP

NOZZLE - piston cooling

6шт.

21

A46361

BANJO BOLT

- nozzle (Replaces A45841)

6шт.

22

A45842

TUBE

- drain

1шт.

23

A45844

GASKET

- tube flange

1шт.

24

513-604

BOLT

- 8 x 1.25 x 16 mm, hex head

2шт.

25

195-103

WASHER,5/16"

- 3/8 x 7/8 x 5/64" (9.53 x 22.23 x 1.98 mm)

2шт.

26

A46155

VALVE

DRAIN - cylinder block

1шт.

27

A46156

CONNECTOR, ELEC

CONNECTOR -, Serial Range: drain-block

1шт.

P/N A46156 connector----external threads 1/2---internal threads 1/4.

1шт.

30

A45855

COVER

- side

1шт.

31

A45857

COVER

- side (With breather opening)

1шт.

32

A45856

GASKET

- cover

2шт.

33

513-606

BOLT

- 8 x 1.25 x 25 mm, hex head

28шт.

34

195-103

WASHER,5/16"

- 3/8 x 7/8 x 5/64" (9.53 x 22.23 x 1.98 mm)

28шт.

35

A45880

BREATHER

TUBE - breather

1шт.

36

A45882

STUD

STUB - breather flange

2шт.

37

43362

NUT,M8 x 1.25, Cl 10

M8, Cl 10

2шт.

38

195-103

WASHER,5/16"

- 3/8 x 7/8 x 5/64" (9.53 x 22.23 x 1.98 mm)

2шт.

39

A46436

GASKET

- breather tube (Replaces A45881)

1шт.

40

REF

INSTRUCTION

TIMING GEAR COVER - (See figure 74)

1шт.

43

A150513

HEATER

ASSEMBLY - cylinder block, Includes: Ref. 44 - 46

1шт.

44

NSS

NOT SOLD SEPARAT

ELEMENT - heater

1шт.

45

A45719

O-RING,39.3 mm ID x 1.6 mm

- element seal, 1-13/16 x 1-15/16 x 1/16" (46 x 49.21 x 1.59 mm)

1шт.

46

A44813

CABLE EXTENSION

CORD - heater, 12" long (304.8 mm)

1шт.

50

A45877

HOUSING

- flywheel and rear oil seal (See figure 48)

1шт.

A46507 Block - Short

1шт.

Выбрано товаров: 44