Запчасти Case IH 2870 (064) - FUEL INJECTION PUMP, 674 CUBIC INCH DIESEL ENGINE (03) - FUEL SYSTEM

Схема запчастей Case IH 2870 - (064) - FUEL INJECTION PUMP, 674 CUBIC INCH DIESEL ENGINE (03) - FUEL SYSTEM
35
10
8
5
3
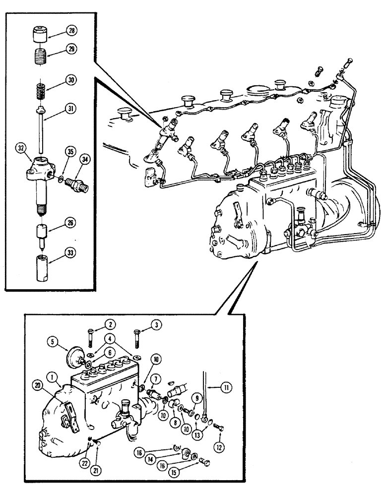
1
16
12
31
7
28
10
16
32
22
34
4
26
15
30
11
13
9
29
20
10
21
2
14
33
6
FIT
1:1
100%

Артикул

Название

Примечание

Количество

1

REF

INSTRUCTION

PUMP ASSEMBLY - fuel injection (See figure 68)

1шт.

2

813-10085

BOLT,Hex, M10 x 1.5 x 85mm, Cl 8.8

- 10 x 1.5 x 85 mm, hex head (Replaces 513-717)

3шт.

3

A46068

BOLT

- guide

1шт.

4

195-525

WASHER,3/8", SAE

- 13/32 x 13/16 x 1/16" (10.32 x 20.64 x 1.59 mm)

4шт.

5

A46075

FUEL INJECTION PUMP

DIAPHRAGM - injection pump

1шт.

6

A46209

GASKET

-, Serial Range: diaphragm-pump

1шт.

7

A46065

VALVE

- pump fuel return

1шт.

8

A46067

CONNECTOR, ELEC

CONNECTOR - fuel return (Leak-off) to fuel tank

1шт.

9

A46066

BANJO BOLT

-, Serial Range: connector-valve

1шт.

10

A45766

GASKET

- valve and connector

3шт.

11

A46059

TUBE

- fuel return (Leak-off), Serial Range: nozzle-pump

1шт.

12

A46058

BANJO BOLT

- fuel return tube

1шт.

13

A46379

WASHER

GASKET - return line (Copper) (Replaces aluminum gasket A46071)

2шт.

14

A46067

CONNECTOR, ELEC

CONNECTOR - fuel line (From fuel tank)

1шт.

15

A46063

BOLT,Hollow

-, Serial Range: connector-pump

1шт.

16

A45766

GASKET

- connector

2шт.

20

A136995

LEVER

ARM - throttle lever

1шт.

21

A46074

BOLT

- arm to pump, 6 x 1.0 x 22 mm, hex head

2шт.

22

195-515

WASHER,#12

- 1/4 x 1/2 x 3/64" (6.35 x 12.7 x 1.19 mm)

2шт.

26

A46044

NOZZLE CAP

NOZZLE - fuel injection, holder

6шт.

A46123

HOLDER

ASSEMBLY - injection nozzle, fuel, Includes: Ref. 28 - 35

6шт.

Ref. 26B - A46880 Seal, Nozzle Holder

1шт.

28

NSS

NOT SOLD SEPARAT

NUT - cap, fuel injection nozzle & holder

1шт.

29

NSS

NOT SOLD SEPARAT

SCREW - pressure adjusting, fuel injection nozzle & holder

1шт.

30

NSS

NOT SOLD SEPARAT

SPRING - pressure, fuel injection nozzle & holder

1шт.

31

NSS

NOT SOLD SEPARAT

SPINDLE - fuel injection nozzle & holder

1шт.

32

NSS

NOT SOLD SEPARAT

BODY - fuel injection nozzle & holder

1шт.

33

NSS

NOT SOLD SEPARAT

NUT - fuel injection nozzle & holder

1шт.

34

NSS

NOT SOLD SEPARAT

CONNECTOR - fuel line, injection nozzle & holder

1шт.

35

NSS

NOT SOLD SEPARAT

WASHER - connector, fuel injection nozzle & holder

1шт.

Выбрано товаров: 0