Запчасти Case IH 2870 (074) - TIMING GEAR COVER, 674 CUBIC INCH DIESEL ENGINE (03) - FUEL SYSTEM

Схема запчастей Case IH 2870 - (074) - TIMING GEAR COVER, 674 CUBIC INCH DIESEL ENGINE (03) - FUEL SYSTEM
11
26
6
36
29
40
10
4
7
16
1
20
5
28
41
35
38
9
37
17
33
34
25
18
3
39
30
20
27
11
2
19
15
8
FIT
1:1
100%

Артикул

Название

Примечание

Количество

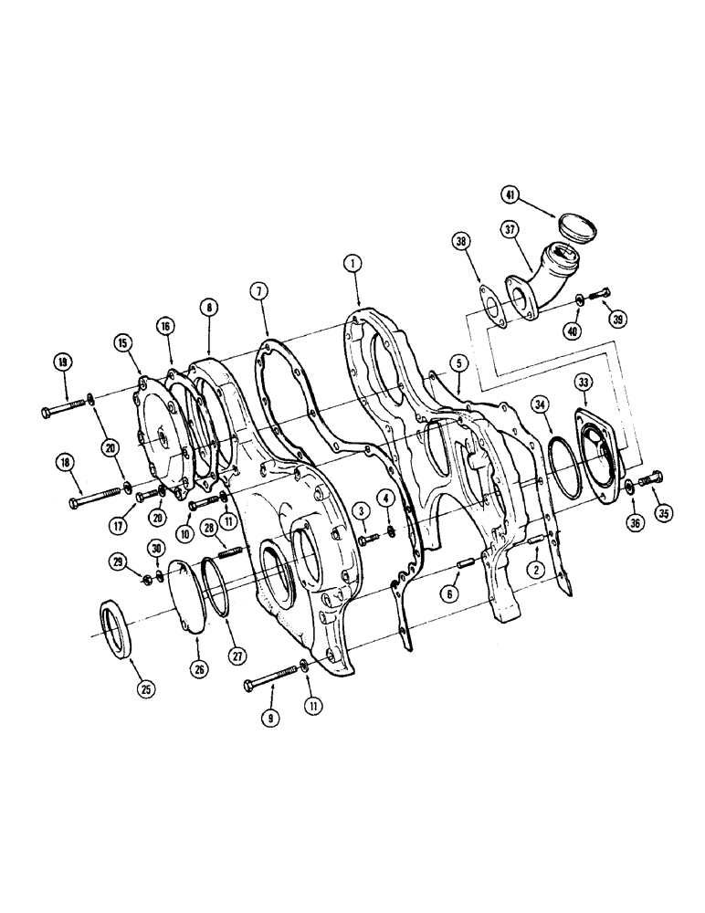
1

A45862

HOUSING

ASSEMBLY - timing gear

1шт.

2

A45971

PIN

- guide

2шт.

3

813-10030

BOLT,Hex, M10 x 1.5 x 30mm, Cl 8.8, Full Thd

- 10 x 1.5 x 30 mm, hex head (Replaces 513-706)

7шт.

4

195-525

WASHER,3/8", SAE

- 13/32 x 13/16 x 1/16" (10.32 x 20.64 x 1.59 mm)

7шт.

5

A46437

GASKET

- housing to block (Replaces A45863)

1шт.

6

A45971

PIN

- guide, Serial Range: cover-housing

2шт.

7

A46439

GASKET

- cover to housing (Replaces A45868)

1шт.

8

A45865

COVER

- timing gear housing

1шт.

9

813-10085

BOLT,Hex, M10 x 1.5 x 85mm, Cl 8.8

- 10 x 1.5 x 85 mm, hex head (Replaces 513-717)

6шт.

10

513-709

BOLT

- 10 x 1.5 x 45 mm, hex head

7шт.

11

195-525

WASHER,3/8", SAE

- 13/32 x 13/16 x 1/16" (10.32 x 20.64 x 1.59 mm)

13шт.

15

A45870

COVER

- drive gear, injection pump

1шт.

16

A45871

GASKET

- cover

1шт.

17

813-10030

BOLT,Hex, M10 x 1.5 x 30mm, Cl 8.8, Full Thd

- 10 x 1.5 x 30 mm hex head (Replaces 513-706)

1шт.

18

513-719

BOLT

- 10 x 1.5 x 100 mm, hex head

1шт.

19

513-713

BOLT

- 10 x 1.5 x 65 mm, hex head

6шт.

20

195-525

WASHER,3/8", SAE

- 13/32 x 13/16 x 1/16" (10.32 x 20.64 x 1.59 mm)

8шт.

25

A46435

SEALING RING

- oil, crankshaft, front (Replaces A45867 and A46343)

1шт.

26

A45869

COVER

- blind, front

1шт.

27

A46178

O-RING,99.5 mm ID x 3mm

- blind cover

1шт.

28

A45874

STUD

- blind cover

2шт.

29

100016

NUT,M10 x 1.5, Cl 8

2шт.

30

195-525

WASHER,3/8", SAE

- 13/32 x 13/16 x 1/16" (10.32 x 20.64 x 1.59 mm)

2шт.

33

A45872

COVER

- rear, oil filler mounting

1шт.

34

A45876

RING,119.5 mm ID x 125.5 mm OD

O-RING - rear cover

1шт.

35

513-904

BOLT

- 14 x 2.0 x 30 mm, hex head

3шт.

36

A46179

WASHER

- cover bolt

2шт.

37

A46168

TUBE

- oil filler, engine oil

1шт.

38

A46436

GASKET

- tube to cover (Replaces A45881)

1шт.

39

513-607

SCREW

BOLT - 8 x 1.25 x 30 mm, hex head

2шт.

40

195-103

WASHER,5/16"

- 3/8 x 7/8 x 5/64" (9.53 x 22.23 x 1.98 mm)

2шт.

41

A46207

CAP

- oil filler tube

1шт.

Выбрано товаров: 0