Запчасти Case IH 2870 (104) - BATTERY PACK COLD START (04) - ELECTRICAL SYSTEMS

Схема запчастей Case IH 2870 - (104) - BATTERY PACK COLD START (04) - ELECTRICAL SYSTEMS
2
16
13
8
29
26
8
10
7
6
15
4
31
12
28
14
3
13
14
5
22
24
9
23
30
25
5
27
20
7
11
21
1
6
10
17
12
9
FIT
1:1
100%

Артикул

Название

Примечание

Количество

A150775

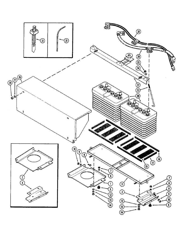
COLD START ATTACHMENT - battery pack (Machine item), Includes: Ref. 1 - 31

1шт.

1

A150665

BRACKET

- mounting, rear (Straight)

1шт.

2

A150667

BRACKET

- mounting, rear (Angle)

1шт.

3

A150664

BRACKET

- mounting, front (Straight)

1шт.

4

A150666

BRACKET

- mounting, front (Angle)

1шт.

5

A150668

SHOCK ABSORBER

BUMPER - neoprene

4шт.

6

192-19

LOCK WASHER,Helical Spring, 0.256" ID, CST, ZND

WASHER, LOCK, 1/4"

4шт.

7

7770

NUT,Hex, 1/4 - 20, Cl 5

1/4"-20, G5

4шт.

8

113-208

BOLT,Hex, 3/8" - 16 x 1-1/4", Gr 5

5шт.

9

192-21

LOCK WASHER,3/8"

WASHER, LOCK, 3/8"

5шт.

10

129-103

NUT,Hex, 3/8" - 16, Gr 5

NUT, 3/8"-16, G5

5шт.

11

A150649

BASE

- battery pack

1шт.

12

195-525

WASHER,3/8", SAE

- 13/32 x 13/16 x 1/16" (10.32 x 20.64 x 1.59 mm)

4шт.

13

192-201

WASHER - 3/8" lock

4шт.

14

129-103

NUT,Hex, 3/8" - 16, Gr 5

NUT, 3/8"-16, G5

4шт.

15

A150654

PAD

- face, battery pack, 1/8 x 2 x 7" (3.18 x 50.8 x 177.8 mm)

6шт.

To be attached with adhesive 345-22.

1шт.

16

A150653

PAD

- face, battery pack, 1/8 x 1/2 x 13-5/16" (3.18 x 12.7 x 338.14 mm

4шт.

To be attached with adhesive 345-22.

1шт.

17

A150652

PAD

- face, battery pack, 1/8 x 1/2 x 6-11/16" (3.18 x 12.7 x 169.86 mm)

4шт.

To be attached with adhesive 345-22.

1шт.

20

A145205

WET BATTERY

- 12 volt (Not included in A150775 attachment)

2шт.

21

A152966

TUBE

- drain, acid resistant vinyl, 3/16 x 5/16 x 25" (4.76 x 7.94 x 635 mm)

2шт.

22

A150658

CLAMP

ASSEMBLY - battery hold down

1шт.

23

A150663

STUD

- clamp

3шт.

24

195-521

WASHER,5/16", SAE

- 11/32 x 11/16 x 1/16" (8.73 x 17.46 x 1.59 mm)

3шт.

25

231-1445

NUT,5/16"-18, GB

NUT - 5/16"-18 ESNA lock

3шт.

26

A150645

COVER

- battery pack

1шт.

27

195-104

WASHER,3/8"

- 7/16 x 1 x 5/32" (11.11 x 25.4 x 3.97 mm)

2шт.

28

131-52

NUT,3/8"-16, GC

NUT - 3/8"-16 ESNA lock

2шт.

29

A150739

CABLE

- battery, positive

1шт.

30

A150738

CABLE

- battery, negative

1шт.

31

L18331

CABLE TIE,375.9mm L, Nylon, Black

STRAP - wire harness (Replaces L11541)

1шт.

Выбрано товаров: 33