Запчасти Case IH 4156 (F-26) - HYDRAULIC SYSTEM, DOUBLE ACTING CHECK VALVE AND CONNECTIONS (07) - HYDRAULIC SYSTEM

Схема запчастей Case IH 4156 - (F-26) - HYDRAULIC SYSTEM, DOUBLE ACTING CHECK VALVE AND CONNECTIONS (07) - HYDRAULIC SYSTEM
14
17
2
5
3
13
8
8
1
21
11
19
11
4
2
10
6
7
1
5
18
4
9
16
6
3
12
7
15
20
12
FIT
1:1
100%

Артикул

Название

Примечание

Количество

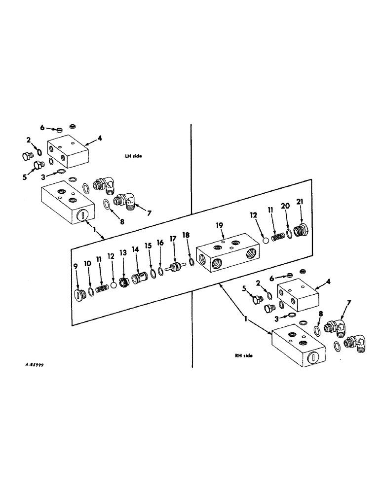
SERVICE PARTS, for tractors w/auxiliary valves & rear outlets. To be mounted to RH valve outlet, consists of all Refs. marked unit A

1шт.

SERVICE PARTS, for tractors w/two auxiliary control valves and two rear outlets, consists of all Refs. marked unit B

1шт.

1

374083R92

VALVE

ASSY, double acting check, unit A, 2 for unit B

1шт.

191249

BOLT,Hex, 3/8" - 16 x 3 3/4", Gr 5

SCREW, 3/8-16 x 3-3/4 C-Z hex-hd cap, 2 for unit A, 4 for unit B

1шт.

120394

WASHER,3/8", SAE

WASHER, 13/32 x 13/16 x .065 C-Z, 2 for unit A, 4 for unit B

1шт.

2

350429R1

O-RING,0.103" Thk x 0.612" ID, -114, Cl 5, 75 Duro

5/8 x 13/16 x 3/32, 2 for unit A, 4 for unit B

1шт.

3

364885R1

O-RING,0.097" Thk x 0.755" ID, -910, Cl 6, 90 Duro

3/4 x 15/16 x 3/32, 2 for unit A, 4 for unit B

1шт.

4

381136R91

BLOCK

ASSY, manifold, unit A, 2 for unit B

1шт.

120377

NUT,3/8" - 16, Gr 5

2 for unit A; 4 for unit B 3/8"-16, G5

1шт.

5

9410360

PLUG

7/8-14 C-Z str thd o-ring boss, 2 for unit A, 4 for unit B

1шт.

6

24523D

WASHER

SPACER, junction block to support, 2 for unit A, 4 for unit B

1шт.

7

9410978

ELBOW,90 Degree, 7/8"-14, 37 Degree x 7/8"-14, O-Ring

7/8-14 C-Z 37 deg hyd flared tube adj str thd 90 deg 2 for unit A, 4 for unit B

1шт.

8

364885R1

O-RING,0.097" Thk x 0.755" ID, -910, Cl 6, 90 Duro

3/4 x 15/16 x 3/32, 2 for unit A, 4 for unit B

1шт.

9

374088R1

PLUG

check valve

1шт.

10

368269R1

O-RING,0.116" Thk x 0.924" ID, -912, Cl 6, 90 Duro

59/64 x 1-1/16 x 7/64, check valve plug

1шт.

11

372649R1

SPRING

check valve

2шт.

12

17016R1

BALL,1/2" Dia

2шт.

13

374172R1

NUT

check valve ball retainer

1шт.

14

374087R21

RETAINER

ASSY, check valve ball

1шт.

15

384943R1

O-RING,0.739" ID x 0.07" Width

-018, 90 Duro, .739" ID x .070" Thk, Ball Retainer, Large

1шт.

16

383024R1

O-RING,0.07" Thk x 0.676" ID, -17, Cl 6, 90 Duro

11/16 x 13/16 x 1/16, ball retainer, small

1шт.

17

374085R11

PISTON

ASSY, check valve actuator

1шт.

18

606271C1

O-RING,0.103" Thk x 0.612" ID, -114, Cl 6, 90 Duro

5/8 x 13/16 x 3/32, piston

1шт.

19

BLOCK ASSY, check valve, order check valve, 374083R92

1шт.

20

364885R1

O-RING,0.097" Thk x 0.755" ID, -910, Cl 6, 90 Duro

3/4 x 15/16 x 3/32, check valve plug

1шт.

21

374089R1

PLUG

check valve

1шт.

Выбрано товаров: 26