Запчасти Case IH 4156 (H-02) - CONTROLS, ENGINE CONTROLS AND INSTRUMENTS Controls

Схема запчастей Case IH 4156 - (H-02) - CONTROLS, ENGINE CONTROLS AND INSTRUMENTS Controls
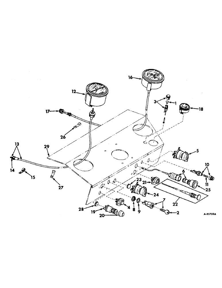
4
18
26
23
6
28
15
19
12
16
13
5
25
24
14
10
2
3
8
11
17
21
1
7
29
20
27
9
22
FIT
1:1
100%

Артикул

Название

Примечание

Количество

1

9412348

BULB,C2B, #257, 14V

LAMP, no. 257 12 volt, transmission oil pressure light

1шт.

2

382458R2

KEY

ignition switch

1шт.

3

392441R91

LIGHT

ASSY, transmission oil pressure

1шт.

4

366317R93

SWITCH

ASSY, push button starting

1шт.

4

366317R93GV

CONTROL

Value, Control Switch

1шт.

120611

NUT,#10 - 32

10-32 C-Z sq mach screw

2шт.

132903

ADAPTER

SCREW, 10-32 x 7/16 C-Z slt-RH-hd mach

2шт.

120217

LOCK WASHER,#10

WASHER, LOCK, #10

2шт.

5

376851R92

SWITCH

ASSY, lighting

1шт.

6

382672R91

LIGHTER, CIGARETTE

LIGHTER ASSY, cigarette

1шт.

7

403562R2

SWITCH

ASSY, ignition key

1шт.

8

365502R1

NUT

ignition key switch mounting

1шт.

9

375431R1

LOCK WASHER

ignition key switch mounting

1шт.

10

376852R91

HOUSING

ASSY, fuse

1шт.

11

9426333

FUSE,15 Amp, Type 3AG

cartridge type 3 AGC, 15 amp

1шт.

11

432644

FUSE,20 Amp, Type SFE

cartridge type SFE 20, tractors with cab

1шт.

12

390846R91

SPEEDOMETER

-TACHOMETER ASSY

1шт.

13

393332R91

CABLE

ASSY, tachometer flexible drive

1шт.

376359R1

GROMMET

tachometer flexible drive rubber

1шт.

14

393333R91

CABLE

CORE ASSY, tachometer flexible drive cable

1шт.

15

362126R1

CLIP

flexible drive cable, on crankcase front cover

1шт.

179837

BOLT,Hex, 3/8" - 16 x 3/4", Gr 5

1шт.

103321

LOCK WASHER,3/8"

WASHER, LOCK, 3/8"

1шт.

16

376854R93

CLUSTER

ASSY, gage

1шт.

17

51510D

BUSHING

capillary tube bulb installation

1шт.

18

389871R91

GAUGE

INDICATOR ASSY, electric air cleaner

1шт.

19

393209R91

SWITCH

horn

1шт.

20

371487R1

CYLINDER END CAP

CAP, horn swtich dust

1шт.

21

397940R93

SWITCH

ether injection solenoid control, tractors with solenoid operated ether injection

1шт.

120611

NUT,#10 - 32

10-32 C-Z sq mach screw

2шт.

132903

ADAPTER

SCREW, 10-32 x 7/16 C-Z slt-RH-hd mach

2шт.

120217

LOCK WASHER,#10

WASHER, LOCK, #10

2шт.

22

(Not used in this application)

1шт.

23

432602

PLUG, fender light switch button, tractors without fender lights

1шт.

24

390748R92

IGNITION SWITCH

SWITCH ASSY, lighting, tractors with fender lights

1шт.

25

378781R91

PACKAGE

UNIT, pop-out

1шт.

26

363812R1

CLIP, capillary tube, long

1шт.

102635

NUT,3/8"-16, G5

1шт.

179837

BOLT,Hex, 3/8" - 16 x 3/4", Gr 5

1шт.

103321

LOCK WASHER,3/8"

WASHER, LOCK, 3/8"

1шт.

27

362126R1

CLIP

tachometer flexible drive shaft

2шт.

28

374342R1

PLUG

51/64 OD button horn switch hole

1шт.

29

PANEL ASSY, instrument, refer to hood, radiator grille, steering support, floor plates, console and instrument panel listing, section A

1шт.

Выбрано товаров: 43