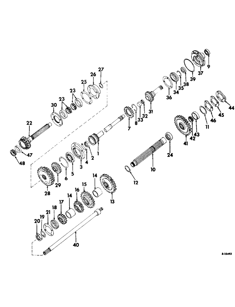
Запчасти Case IH 4156 (B-03) - POWER TRAIN, SPEED TRANSMISSION, IN CLUTCH HOUSING (03) - POWER TRAIN

Схема запчастей Case IH 4156 - (B-03) - POWER TRAIN, SPEED TRANSMISSION, IN CLUTCH HOUSING (03) - POWER TRAIN
41
11
31
32
43
39
2
42
25
17
7
4
9
8
27
35
23
30
44
10
37
1
22
47
34
3
20
16
36
48
12
13
15
21
29
33
24
18
46
14
28
5
14
38
23
19
6
26
40
45
FIT
1:1
100%

Артикул

Название

Примечание

Количество

1

380076R3

SHAFT

transmission drive, 26 T

1шт.

2

572181R91

NEEDLE BEARING,Needle, 38.09mm ID x 47.64mm OD x 25.4mm W

ASSY, main shaft front needle

1шт.

3

380080R1

CAGE

constant mesh drive gear brg

1шт.

4

380081R1

PLATE

constant mesh drive gear brg cage lock

2шт.

179840

BOLT,Hex, 3/8" - 16 x 1 1/8", Gr 5

SCREW, 3/8-16 x 1-1/8 hex-hd cap

4шт.

5

ST697

BALL BEARING,75 mm ID x 130 mm OD x 22 mm

BEARING, constant mesh drive gear

1шт.

6

392683R1

RING

constant mesh drive bearing cage internal retaining

1шт.

7

406456R1

GEAR

constant mesh drive, 26 T

1шт.

8

381330R1

RING

constant mesh drive gear ext snap

1шт.

9

524598R91

BALL BEARING,20mm ID x 52mm OD x 15mm W

clutch shaft pilot

1шт.

9

524598R91GV

BEARING

Value, Ball Bearing

1шт.

10

380082R2

SHAFT

COUNTERSHAFT

1шт.

11

384103R1

SEAL RETAINER

SEAL, PTO front brg retainer

1шт.

12

357035R1

RING

constant mesh gear snap

1шт.

13

406457R1

GEAR

constant mesh, 47 T

1шт.

14

380126R1

BUSHING

SPACER, countershaft gears

2шт.

15

406458R1

PINION

GEAR, third speed driving, 44 T

1шт.

16

406459R1

GEAR WHEEL

GEAR, second speed driving, 40 T

1шт.

17

406473R1

GEAR

first speed driving, 27 T

1шт.

18

389379R91

BEARING

countershaft gear

1шт.

19

380091R2

THRUST WASHER,59.51mm ID x 82.55mm OD x 1.52mm Thk

countershaft brg lock nut

1шт.

20

380092R1

NUT

countershaft brg lock

1шт.

21

380093R1

RETAINER

countershaft rear brg

1шт.

NLS

NO LONGER SERVICED

3/8-16 x 1-1/8 hex hd cap

4шт.

103321

LOCK WASHER,3/8"

WASHER, LOCK, 3/8"

4шт.

22

390260R3

SHAFT

main, 23 T

1шт.

23

ST2132

BEARING ASSY,55mm ID x 90mm OD x 23mm W

main shaft rear

2шт.

24

384114R91

NEEDLE BEARING

countershaft front

1шт.

25

380095R1

SHIM

main shaft rear bearing

1шт.

26

380096R2

CAGE

main shaft rear bearing

1шт.

27

380097R1

RING

main shaft rear bearing snap

1шт.

28

406475R1

PINION

GEAR, 3rd & 4th speed sliding, 29 T

1шт.

29

406474R1

GEAR WHEEL

GEAR, 1st & 2nd speed sliding, 47 and 32T

1шт.

30

380098R2

RETAINER

main shaft rear bearing

1шт.

NLS

NO LONGER SERVICED

4шт.

31

405182R1

SHAFT

PTO drive, 28 T

1шт.

32

535208R91

SEAL

PTO drive shaft oil

1шт.

33

384185R1

BUSHING,38.18mm ID x 44.58mm OD x 12.7mm L

PTO drive shaft

1шт.

34

405185R91

ROLLER BEARING

ASSY, PTO drive shaft

1шт.

ST453

RING

drive shaft bearing snap

1шт.

35

384337R1

RING

PTO shaft bearing retaining

1шт.

36

384184R1

RETAINER

PTO shaft brg

1шт.

297330R1

BOLT

SCREW, 3/8-16 x 1 hex-hd nylok

3шт.

37

384079R2

CAGE

PTO drive shaft brg

1шт.

179838

BOLT,Hex, 3/8" - 16 x 7/8", Gr 5, Full Thd

3/8-16 x 7/8 hex-hd cap

5шт.

38

535209R91

OIL SEAL

PTO shaft brg cage oil

1шт.

39

22419R1

O-RING,0.139" Thk x 7.484" ID, -264, Cl 8, 90 Duro

7-1/2 x 7-3/4 x 1/8, PTO shaft bearing cage sealing

1шт.

40

390263R11

SHAFT

ASSY, PTO driven

1шт.

384342R2

SPACER, driven gear

1шт.

41

405183R1

GEAR, PTO driven, 58 T

1шт.

42

G15215

ROLLER BEARING

BEARING ASSY, PTO driven shaft front cone

1шт.

43

619387R1

BEARING CUP

BEARING, PTO driven shaft front cup

1шт.

44

380107R1

RETAINER

PTO driven shaft brg

1шт.

297330R1

BOLT

SCREW, 3/8-16 x 1 hex-hd nylok

4шт.

45

384382R1

SHIM

PTO shaft brg retainer, .028

1шт.

46

384106R1

SHIM

PTO driven shaft brg retainer (or as required)

3шт.

47

871245R1

BEARING, CUP,72.233 mm OD x 19.842 mm

BEARING, main shaft front cup

1шт.

48

871244R91

ROLLER BEARING

BEARING ASY, main shaft front cone

1шт.

372703R5

FLUID, Hy-Tran, quart can

1шт.

372704R5

FLUID

Hy-Tran, gallon can

1шт.

372705R5

FLUID

Hy-Tran, five gallon can

1шт.

407024R5

FLUID, Hy-Tran, fifteen gallon can

1шт.

Выбрано товаров: 0