Запчасти Case IH 4156 (B-18) - POWER TRAIN, FRONT DRIVE SHAFT (03) - POWER TRAIN

Схема запчастей Case IH 4156 - (B-18) - POWER TRAIN, FRONT DRIVE SHAFT (03) - POWER TRAIN
6
3
4
9
9
3
2
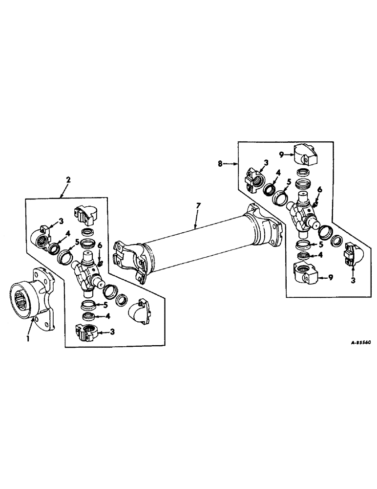
1
4
3
4
7
5
5
4
8
3
6
5
5
FIT
1:1
100%

Артикул

Название

Примечание

Количество

1

394893R1

YOKE ASSY W/SLINGER

1шт.

313289R1

BOLT,7/16" x 1 1/8", Gr 8

SCREW, 7/16-20 x 1-1/8 hex-hd cap

4шт.

103322

LOCK WASHER,7/16"

WASHER, LOCK, 7/16"

4шт.

2

136512HB

KIT

PACKAGE, spider & bearing, transmission end

1шт.

3

206967R91

BEARING ASSY, threaded

6шт.

4

304109R91

RETAINER & SEAL

8шт.

5

38016H

SHIELD, dust

8шт.

6

86636814

LUBE NIPPLE,1/4"-28 x .52" lg

FITTING, 1/4-28 NF2 str lub

2шт.

7

394892R1

TUBE ASSY, front drive

1шт.

313289R1

BOLT,7/16" x 1 1/8", Gr 8

SCREW, 7/16-20 x 1-1/8 hex-hd cap

8шт.

103322

LOCK WASHER,7/16"

WASHER, LOCK, 7/16"

8шт.

8

140604R92

STRIPPER PACKAGE

PACKAGE, spider & bearing, axle end

1шт.

9

240811R91

BEARING ASSY, plain

2шт.

327184R1

BOLT,Hex, 1/2"-20 x 2", G8

4шт.

103323

LOCK WASHER,1/2"

WASHER, LOCK, 1/2"

4шт.

Выбрано товаров: 0