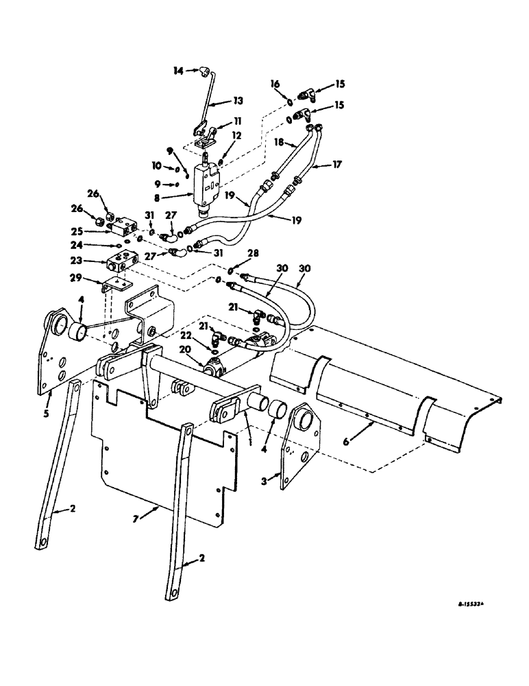
Запчасти Case IH 4166 (09-03) - FRAME, HYDRAULIC DRAWBAR (12) - FRAME

Схема запчастей Case IH 4166 - (09-03) - FRAME, HYDRAULIC DRAWBAR (12) - FRAME
18
2
26
15
15
13
16
8
3
14
31
28
29
25
2
21
9
27
30
10
6
1
23
19
21
24
26
9
5
31
27
4
30
11
19
4
12
7
22
17
20
FIT
1:1
100%

Артикул

Название

Примечание

Количество

390718R93

PARTS ACCESSORY, hydraulic drawbar

1шт.

1

390721R11

ROCKSHAFT ASSY

1шт.

392158R1

PIN

1 x 1-3/8 std headed

2шт.

32-1632

COTTER PIN,1/4" x 2"

PIN, SPLIT (COTTER), 1/4" x 2"

2шт.

2

390726R1

SUPPORT, drawbar

2шт.

2

403964R1

SUPPORT, drawbar LH, tractors with independent PTO, Not included in the parts accessory

1шт.

2

403965R1

SUPPORT, drawbar RH, tractors with independent PTO, Not included in the parts accessory

1шт.

3

390727R93

SUPPORT ASSY, rockshaft RH

1шт.

426099

NUT,3/4"-16, G5

3/4-16 C-Z hex

3шт.

271789

CURTAIN,Hex, 3/4" - 16 x 1 1/2", Gr 5

SCREW, 3/4-16 x 1-1/2 C-Z hex-hd cap

3шт.

4

390730R1

BUSHING, rockshaft

2шт.

5

390731R93

SUPPORT ASSY, rockshaft & cylinder

1шт.

225861

NUT,5/8"-18, G8

5/8-18 C-Z hex, type 4

2шт.

124944

JAM NUT,Hex, 5/8" - 18, Gr 5

1шт.

426099

NUT,3/4"-16, G5

3/4-16 C-Z hex

2шт.

414-1024

BOLT,Hex, 5/8" - 18 x 1-1/2", Gr 5

5/8-18 x 1-1/2 C-Z hex-hd cap

1шт.

20523R1

BOLT,5/8" x 2 1/2", Gr 8

SCREW, 5/8-18 x 2-1/2 C-Z hex-hd cap type 4

1шт.

414-1224

BOLT,Hex, 3/4" - 16 x 1-1/2", Gr 5

SCREW, 3/4-16 x 1-1/2 C-Z hex-hd cap

2шт.

400839R1

WASHER,21/32" x 1 5/16" x .188", HDN

.656 x 1.312 x .188 hardened

2шт.

495-31069

WASHER,5/8" x 1.469" x .134"

11/16 x 1-1/2 x .134 C-Z

2шт.

575810R1

WASHER

21/32 x 1-1/2 x .105

2шт.

6

393710R3

COVER, rear top

1шт.

7

390737R11

COVER ASSY, rear lower

1шт.

8

383271R96

VALVE ASSY, hyd open center control 3 position, spring centered, For components see list of parts under details of three position hydraulic control valve listing, group 10

1шт.

20847R1

BOLT,Hex, 3/8" - 16 x 6 1/4", Gr 8

SCREW, 3/8-16 x 6-1/4 hex-hd cap

3шт.

20849R1

SCREW, 3/8-16 x 8-1/4 hex-hd cap, tractors equipped with LH auxiliary valve

3шт.

9

381884R1

O-RING,0.103" Thk x 0.987" ID, -120, Cl 6, 90 Duro

1 x 1-3/16 x 3/32

2шт.

10

381885R1

O-RING,0.103" Thk x 1.362" ID, -126, Cl 6, 90 Duro

1-3/8 x 1-9/16 x 3/32

1шт.

11

378029R1

BRACKET

auxiliary valve

1шт.

426367

SCREW, 5/16-18 x 3/4 hex-soc-hd cap

2шт.

492-21031

LOCK WASHER,5/16"

5/16"

2шт.

J547M

PIN

1/2 x 1-7/16 std hd

1шт.

395-11053

WASHER,0.53" ID x 1.06" OD x 0.1" Thk

17/32 x 1-1/16 x .074

1шт.

432-1220

COTTER PIN,3/16" x 1 1/4"

Pin, Split (Cotter), 3/16" x 1 1/4"

1шт.

12

370290R1

SNAP RING,#50, .392" Dia, E-Type

Ring, Retaining, #50, .392" Dia, E-Type

1шт.

13

390738R91

HANDLE ASSY, hyd drawbar control valve

1шт.

14

379022R2

KNOB

hyd valve control lever

1шт.

15

9410978

ELBOW,90 Degree, 7/8"-14, 37 Degree x 7/8"-14, O-Ring

7/8-14 C-Z 37 deg hyd flared tube adj str thd 90 deg, hyd drawbar control valve ports

2шт.

16

364885R1

O-RING,0.097" Thk x 0.755" ID, -910, Cl 6, 90 Duro

3/4 x 15/16 x 3/32, elbow seal

2шт.

17

392644R11

TUBE ASSY, drawbar valve lift port

1шт.

18

390740R11

PIPE ASSY, drawbar valve drop port

1шт.

19

467163R91

HOSE

ASSY, control valve to check valve

2шт.

20

381854R93

CYLINDER

ASSY, 3 x 8 in. doulbe acting, For components see list of parts under details of double acting hydraulic cylinder, group 10

2шт.

21

9410978

ELBOW,90 Degree, 7/8"-14, 37 Degree x 7/8"-14, O-Ring

7/8-14 C-Z 37 deg hyd flared tube adj str thd 90 deg, hyd drawbar cyl ports

2шт.

22

364885R1

O-RING,0.097" Thk x 0.755" ID, -910, Cl 6, 90 Duro

3/4 x 15/16 x 3/32, elbow seal

2шт.

23

530260R91

VALVE

ASSY, double acting check, For components see list of parts under details of double acting check vavle, group 10

1шт.

24

350429R1

O-RING,0.103" Thk x 0.612" ID, -114, Cl 5, 75 Duro

5/8 x 13/16 x 3/32, check valve to junction block seal

2шт.

25

381136R91

BLOCK

ASSY, hyd manifold

1шт.

26

9403373

CAP,37 Degree, 7/8"-14

7/8-14 37 deg hyd flared tube

2шт.

27

371357R91

ELBOW

7/8-14 90 deg adjustable, junction block ports

2шт.

28

364885R1

O-RING,0.097" Thk x 0.755" ID, -910, Cl 6, 90 Duro

3/4 x 15/16 x 3/32, elbow seal

2шт.

29

392645R1

BRACKET, junction block mounting

1шт.

120377

NUT,3/8" - 16, Gr 5

4шт.

180122

BOLT,Hex, 3/8" - 16 x 1", Gr 5

3/8-16 x 1 C-Z hex-hd cap

2шт.

189305

BOLT,Hex, 3/8" - 16 x 3 1/2", Gr 5

SCREW, 3/8-16 x 3-1/2 C-Z hex-hd cap

2шт.

30

468879R91

HOSE ASSY, drop and lift

2шт.

31

364885R1

O-RING,0.097" Thk x 0.755" ID, -910, Cl 6, 90 Duro

3/4 x 15/16 x 3/32

4шт.

Выбрано товаров: 57