Запчасти Case IH 4166 (12-01) - POWER, AIR CLEANER AND CONNECTIONS Power

Схема запчастей Case IH 4166 - (12-01) - POWER, AIR CLEANER AND CONNECTIONS Power
15
16
17
11
18
19
7
10
9
13
5
2
8
12
3
6
14
4
FIT
1:1
100%

Артикул

Название

Примечание

Количество

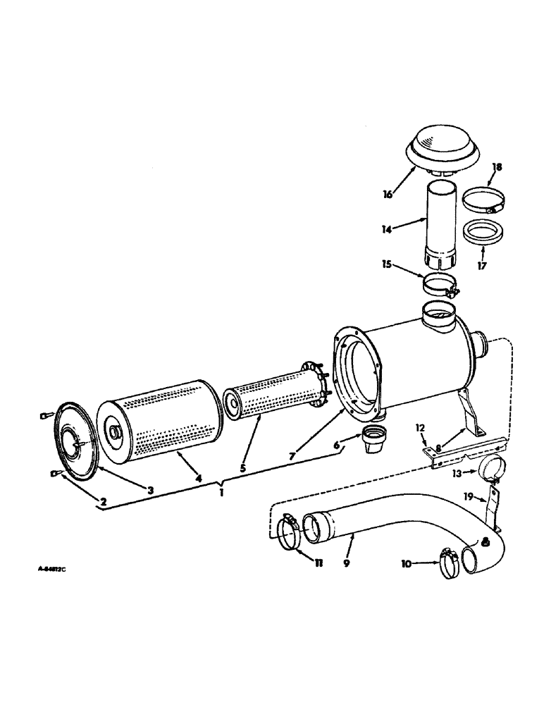
1

390595R92

CLEANER ASSY, air

1шт.

179837

BOLT,Hex, 3/8" - 16 x 3/4", Gr 5

6шт.

103321

LOCK WASHER,3/8"

WASHER, LOCK, 3/8"

6шт.

2

606863C91

NUT, 5/16-18 wing

3шт.

3

606862C91

COVER ASSY, air cleaner

1шт.

4

390642R91

AIR CLEANER

ELEMENT ASSY, air cleaner main

1шт.

5

390643R91

ELEMENT

ASSY, air cleaner safety

1шт.

102635

NUT,3/8"-16, G5

8шт.

103321

LOCK WASHER,3/8"

WASHER, LOCK, 3/8"

8шт.

6

383734R2

VALVE

vaculator

1шт.

7

BODY, air cleaner, Not serviced separately, Order air cleaner assy 390595R92

1шт.

8

538943R1

STRIP, air cleaner support

1шт.

179838

BOLT,Hex, 3/8" - 16 x 7/8", Gr 5, Full Thd

3/8-16 x 7/8 hex-hd cap

2шт.

103321

LOCK WASHER,3/8"

WASHER, LOCK, 3/8"

2шт.

95-11041

WASHER,3/8"

(13/32 x 13/16 x .065) 3/8"

4шт.

102635

NUT,3/8"-16, G5

2шт.

9

538944R1

HOSE

ASSY, air, Serial Range: cleaner-turbocharger

1шт.

10

613626C91

CLAMP ASSY, hose, turbocharger end

1шт.

11

397270R1

HOSE CLAMP,#72, 4.06/5.00 Type F Worm, W/liner

CLAMP ASSY, hose, air cleaner end

1шт.

12

538942R1

ANGLE, air cleaner hose support

1шт.

179837

BOLT,Hex, 3/8" - 16 x 3/4", Gr 5

2шт.

13

650526R1

CLAMP, air cleaner hose front

1шт.

15010R1

CARRIAGE BOLT,Short Sq Nk, 1/2" - 13 x 1", Gr 2

BOLT, 1/2-13 x 1 short sq-nk crg

1шт.

102637

NUT,1/2"-13, G5

1шт.

14

345672R1

TUBE

PIPE, air cleaner extension, 26 in, Replaces 390593R1 & 390615R91

1шт.

15

333908R91

COLLAR CLAMP

CLAMP ASSY, air cleaner extension pipe

1шт.

16

257883C91

CAP

ASSY, air cleaner pipe rain, 5 in.

1шт.

17

395094R1

RING, air cleaner extension pipe sealing

1шт.

18

427312R91

HOSE CLAMP,#100, 5.88/6.75 Type F Worm

CLAMP ASSY, extension pipe sealing ring

1шт.

19

538945R1

SUPPORT, air cleaner hose front

1шт.

179902

BOLT,Hex, 9/16" - 12 x 1", Gr 5

SCREW, 9/16-12 x 1 hex-hd cap

1шт.

Выбрано товаров: 31