Запчасти Case IH 4186 (10-22) - HYDRAULICS, DOUBLE ACTING CHECK VALVE AND CONNECTIONS (07) - HYDRAULICS

Схема запчастей Case IH 4186 - (10-22) - HYDRAULICS, DOUBLE ACTING CHECK VALVE AND CONNECTIONS (07) - HYDRAULICS
18
17
13
12
12
4
14
2
7
11
5
3
10
11
2
4
20
6
15
21
8
7
9
3
5
1
16
6
1
19
8
FIT
1:1
100%

Артикул

Название

Примечание

Количество

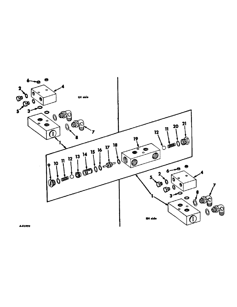
1

530260R91

VALVE

ASSY, double acting check, Replaces 374083R92 valve, unit A

1шт.

1

530260R91

VALVE

ASSY, double acting check, Replaces 374083R92 valve, unit B

2шт.

191249

BOLT,Hex, 3/8" - 16 x 3 3/4", Gr 5

SCREW, 3/8-16 x 3-3/4 C-Z hex-hd cap, unit A

2шт.

191249

BOLT,Hex, 3/8" - 16 x 3 3/4", Gr 5

SCREW, 3/8-16 x 3-3/4 C-Z hex-hd cap, unit B

4шт.

120394

WASHER,3/8", SAE

WASHER, 13/32 x 13/16 x .065 C-Z, unit A

2шт.

120394

WASHER,3/8", SAE

WASHER, 13/32 x 13/16 x .065 C-Z, unit B

4шт.

2

350429R1

O-RING,0.103" Thk x 0.612" ID, -114, Cl 5, 75 Duro

5/8 x 13/16 x 3/32, unit A

2шт.

2

350429R1

O-RING,0.103" Thk x 0.612" ID, -114, Cl 5, 75 Duro

5/8 x 13/16 x 3/32, unit B

4шт.

3

364885R1

O-RING,0.097" Thk x 0.755" ID, -910, Cl 6, 90 Duro

3/4 x 15/16 x 3/32, unit A

2шт.

3

364885R1

O-RING,0.097" Thk x 0.755" ID, -910, Cl 6, 90 Duro

3/4 x 15/16 x 3/32, unit B

4шт.

4

381136R91

BLOCK

ASSY, manifold, unit A

1шт.

4

381136R91

BLOCK

ASSY, manifold, unit B

2шт.

120377

NUT,3/8" - 16, Gr 5

Unit A 3/8"-16, G5

2шт.

120377

NUT,3/8" - 16, Gr 5

Unit B 3/8"-16, G5

4шт.

5

9410360

PLUG

7/8-14 C-Z str thd o-ring boss, unit A

2шт.

5

9410360

PLUG

7/8-14 C-Z str thd o-ring boss, unit B

4шт.

6

24523D

WASHER

SPACER, junction block to support, unit A

2шт.

6

24523D

WASHER

SPACER, junction block to support, unit B

4шт.

7

9410978

ELBOW,90 Degree, 7/8"-14, 37 Degree x 7/8"-14, O-Ring

7/8-14 C-Z 37 deg hyd flared tube adj str the 90 deg, unit A

2шт.

7

9410978

ELBOW,90 Degree, 7/8"-14, 37 Degree x 7/8"-14, O-Ring

7/8-14 C-Z 37 deg hyd flared tube adj str the 90 deg, unit B

4шт.

8

364885R1

O-RING,0.097" Thk x 0.755" ID, -910, Cl 6, 90 Duro

3/4 x 15/16 x 3/32, unit A

2шт.

8

364885R1

O-RING,0.097" Thk x 0.755" ID, -910, Cl 6, 90 Duro

3/4 x 15/16 x 3/32, unit B

4шт.

9

374088R1

PLUG

check valve

1шт.

10

368269R1

O-RING,0.116" Thk x 0.924" ID, -912, Cl 6, 90 Duro

59/64 x 1-1/16 x 7/64, check valve plug

1шт.

11

372649R1

SPRING

check valve

2шт.

12

17016R1

BALL,1/2" Dia

2шт.

13

374172R1

NUT

check valve ball retainer

1шт.

14

374087R21

RETAINER

ASSY, check valve ball

1шт.

15

384943R1

O-RING,0.739" ID x 0.07" Width

-018, 90 Duro, .739" ID x .070" Thk, Ball Retainer, Large

1шт.

16

383024R1

O-RING,0.07" Thk x 0.676" ID, -17, Cl 6, 90 Duro

11/16 x 13/16 x 1/16, ball retainer, small

1шт.

17

374085R11

PISTON

ASSY, check valve actuator, Use w/374083R92 valve assy

1шт.

17

530442R2

PISTON ASSY.

PISTON ASSY, alternating check, Used w/530260R91 valve assy

18шт.

18

606271C1

O-RING,0.103" Thk x 0.612" ID, -114, Cl 6, 90 Duro

5/8 x 13/16 x 3/32, piston

1шт.

19

BLOCK ASSY, check valve, Order check valve, 530260R91

1шт.

20

364885R1

O-RING,0.097" Thk x 0.755" ID, -910, Cl 6, 90 Duro

3/4 x 15/16 x 3/32, check valve plug

1шт.

21

374089R1

PLUG

check valve

1шт.

Выбрано товаров: 36