Запчасти Case IH 4186 (07-04) - DRIVE TRAIN, TRANSFER CASE AND COVERS (04) - Drive Train

Схема запчастей Case IH 4186 - (07-04) - DRIVE TRAIN, TRANSFER CASE AND COVERS (04) - Drive Train
3
5
9
2
7
3
6
8
4
9
FIT
1:1
100%

Артикул

Название

Примечание

Количество

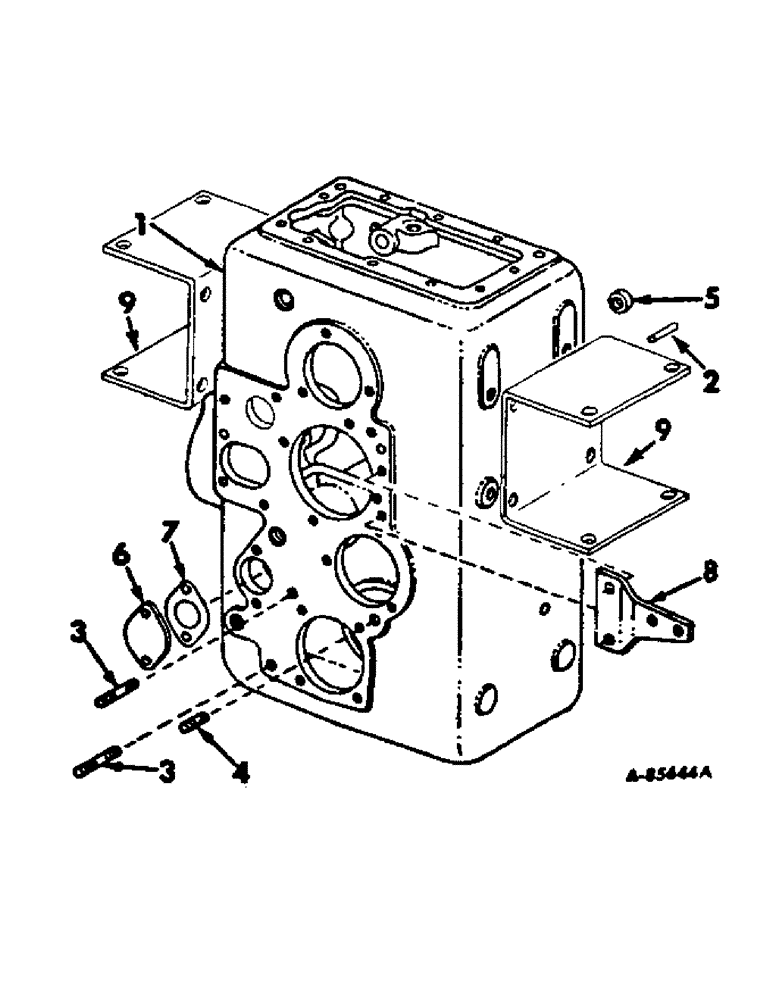
1

390337R21

CASE

ASSY, transfer, Composed of

1шт.

NSS

NOT SOLD SEPARAT

CASE

1шт.

19846R1

DOWEL,1/2" x 1 1/4"

PIN

1шт.

160170R1

STUD

2шт.

190942R1

STUD

1шт.

444788

DRAIN PLUG,Sq Soc, 1/2"-14 NPTF

PLUG, 1/2-14 auto sq-soc pipe

2шт.

2

19846R1

DOWEL,1/2" x 1 1/4"

PIN, 1/2 x 1-1/4 dowel

1шт.

3

160170R1

STUD, brake bracket long

2шт.

4

190942R1

STUD

brake bracket short

1шт.

5

549712R1

OIL SEAL

shift shaft, Replaces 111710R91

1шт.

6

390339R1

COVER, IPTO suction opening

1шт.

179837

BOLT,Hex, 3/8" - 16 x 3/4", Gr 5

2шт.

7

390340R1

GASKET

IPTO suction opening cover

1шт.

8

390703R1

BRACKET, brake cable anchor

1шт.

186282

BOLT,Hex, 3/8" - 16 x 3 1/4", Gr 5

SCREW, 3/8-16 x 3-1/4 hex-hd cap

2шт.

9

390212R1

BRACKET, transfer case mounting

2шт.

525841R1

BOLT,Hex, 5/8" - 11 x 1 1/2", Gr 8

SCREW, 5/8-11 x 1-1/2 hex-hd cap type 4

8шт.

103325

LOCK WASHER,5/8"

WASHER, LOCK, 5/8"

8шт.

20859R1

BOLT,5/8" x 2 3/4", Gr 8

WASHER, .656 x 1.312 x .188 hardened

16шт.

225861

NUT,5/8"-18, G8

8шт.

114498

JAM NUT,Jam, 5/8"-18, G5

8шт.

Выбрано товаров: 21