Запчасти Case IH 4366 (04-01) - BRAKES, MASTER BRAKE AND CONTROLS, 4366 TRACTORS WITH SERIAL NO. 10294 AND BELOW (5.1) - BRAKES

Схема запчастей Case IH 4366 - (04-01) - BRAKES, MASTER BRAKE AND CONTROLS, 4366 TRACTORS WITH SERIAL NO. 10294 AND BELOW (5.1) - BRAKES
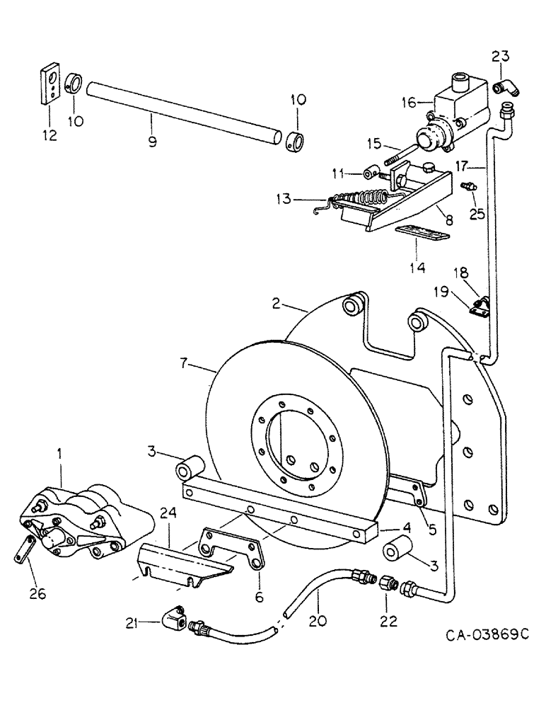
13
2
5
7
1
12
24
23
20
14
4
21
22
3
26
9
3
10
15
8
25
19
11
16
18
10
17
FIT
1:1
100%

Артикул

Название

Примечание

Количество

1

69841C93

BRAKE

CALIPER ASSY, brake, For components, See list of parts under details of brake caliper

1шт.

2

69462C2

PLATE

ASSY, brake mtg

1шт.

426-1040

BOLT,Hex, 5/8" - 11 x 2-1/2", Gr 8

SCREW, 5/8-11 x 2-1/2 znd

6шт.

492-11062

BEARING WASHER,5/8"

WASHER, LOCK, 5/8"

6шт.

3

69463C1

SPACER

brake mtg bar

2шт.

4

69464C2

BAR

brake mtg, Replaces 69464C1

1шт.

273312

BOLT,Hex, 5/8" - 11 x 5 1/2", Gr 5

SCREW, 5/8-11 x 5 znd

1шт.

492-11062

BEARING WASHER,5/8"

WASHER, LOCK, 5/8"

2шт.

396-21066

WASHER,16.66mm ID x 33.33mm OD x 4.27mm Thk

21/32 x 1-5/16

2шт.

280374

NUT,Hex, 5/8" - 11, Gr 5

5/8-11

1шт.

5

69465C3

PLATE ASSY.

PLATE, brake back

1шт.

6

69466C3

PLATE ASSY.

PLATE, brake front

1шт.

180190

LOCK SCREW,Hex, 1/2" - 13 x 3", Gr 5

SCREW, 1/2-13 x 3 znd hex

2шт.

120384

WASHER,1/2"

LOCK, 1/2"

2шт.

495-11053

WASHER,1/2", SAE

17/32 x 1-1/16 x

2шт.

7

69467C1

DISC

brake

1шт.

8

68627C1

PEDAL

ASSY, brake

1шт.

9

68629C1

SHAFT

brake & clutch control

1шт.

10

610513R1

COLLAR

COLLAR

1шт.

115321

SET SCREW,Hex Skt, 5/16"-18 x 5/16"

SCREW, 5/16-18 x 5/16 hex-soc-hd cup pt set

1шт.

11

68630C1

PIVOT

push rod

1шт.

12

68631C1

STOP

end control

1шт.

120394

WASHER,3/8", SAE

WASHER, .406 x .812 x .051

1шт.

24764R1

LOCK NUT,3/8"-16, GB

NUT, 3/8-16 zn nylon

1шт.

13

69793C1

VALVE SPRING

SPRING, pedal return

1шт.

14

109656C1

BRAKE PAD

PAD, pedal

1шт.

15

68632C2

PUSH ROD

ROD, brake master cyl push

1шт.

120377

NUT,3/8" - 16, Gr 5

1шт.

16

70135C91

MASTER CYLINDER

CYLINDER ASSY, master, For components see list of parts under detail of master cylinder this group

1шт.

180122

BOLT,Hex, 3/8" - 16 x 1", Gr 5

3/8-16 x 1 znd hex

3шт.

120382

LOCK WASHER,Helical Spring, 3/8"

WASHER, LOCK, 3/8"

3шт.

120377

NUT,3/8" - 16, Gr 5

3шт.

17

69460C1

BRAKE LINE

TUBE ASSY, brake

1шт.

18

299399C1

CLIP

CLAMP, tube

2шт.

436699

SCREW,Slotted Pan Hd, #8-32 x 1"

8-32 x 1 slt-pan

2шт.

446143

WASHER

3/16 x 3/8 x .036

2шт.

120622

NUT,#8-32

2шт.

19

69461C1

BRACKET

brake tube clamp

1шт.

20

69775C1

HOSE

ASSY, brake line

1шт.

21

9409931

ELBOW,90 Degree, 1/8"-28 NPTF, Fem x 1/8"-27 NPTF Male

1/8-27 auto 90 deg pipe

1шт.

22

125620

ROD, CONNECTING

CONNECTOR, 1/8-27 45 deg flared tube

1шт.

23

222-762

ELBOW,90 Degree, 7/16"-20, 45 Degree Fl x 1/8" NPT

1/8-27 45 deg flared tube

1шт.

24

69919C1

SHIELD

master brake

1шт.

25

219-8

LUBE NIPPLE,1/4" - 28 NPTF

NIPPLE, LUBE, , PTR, Straight 1/4"-28 NPT x .54" lg

1шт.

26

104527R1

EXTENSION

CLIP, spring

1шт.

71618C92

PARTS ACCESSORY, dual caliper brake system, Consists of, For components, See list of parts details of caliper brake listing

1шт.

68841C93

CALIPER ASSY, brake

1шт.

104527R1

EXTENSION

CLIP

1шт.

110495C1

VALVE SPRING

SPRING, caliper

2шт.

64728C2

PLATE ASSY.

PLATE ASSY, brake mtg

1шт.

69464C2

BAR

ASSY, brake mtg

2шт.

20166R1

BOLT,Hex, 5/8" - 11 x 6", Gr 5

5/8 x 6 type 5

2шт.

396-21066

WASHER,16.66mm ID x 33.33mm OD x 4.27mm Thk

.656 x 1.312 x .074

4шт.

9413969

NUT,5/8"-11, GB

5/8 cad p/t lock type 5

4шт.

271731

SHAFT,Hex, 5/8" - 11 x 4", Gr 5

5/8 x 4 type 5

2шт.

116900C1

BRACKET

brake line support

1шт.

69465C3

PLATE ASSY.

PLATE, brake back

1шт.

69466C3

PLATE ASSY.

PLATE, brake front

1шт.

180192

BOLT (SPREADER),Hex, 1/2" - 13 x 3 1/2", Gr 5

BOLT, 1/2 x 3-1/2 type 5

4шт.

180191

BOLT,Hex, 1/2" - 13 x 3 1/4", Gr 5

1/2 x 3-1/4 type 5

2шт.

120384

WASHER,1/2"

LOCK, 1/2"

2шт.

120390

WASHER,1/2"

.562 x 1.375 x .086

2шт.

71616C1

DISC

brake

1шт.

69919C1

SHIELD

master brake

1шт.

118802C1

TUBE

ASSY, brake

1шт.

299399C1

CLIP

CLAMP, 1/4 phc closed

1шт.

436699

SCREW,Slotted Pan Hd, #8-32 x 1"

no. 8 x 1 znp p/hds mach

1шт.

446143

WASHER

.188 x .375 x .036

1шт.

120622

NUT,#8-32

1шт.

69755C1

SPACER

HOSE ASSY, brake line

1шт.

9409931

ELBOW,90 Degree, 1/8"-28 NPTF, Fem x 1/8"-27 NPTF Male

1/8-27 auto 90 deg pipe street

1шт.

118748

CONNECTOR, ELEC

CONNECTOR, 1/8-27 NPT x 45 deg fld tube

1шт.

9409935

TEE,1/8"-27 NPTF Fem

1/8-27 auto

1шт.

294134R1

CONNECTOR, ELEC

FITTING, int-ext swivel

2шт.

119075C1

BAR

brake cable clip mtg

1шт.

119076C1

BAR

SUPPORT, cable clip mtg bar

1шт.

180126

BOLT,Hex, 3/8" - 16 x 1 1/2", Gr 5

3/8 x 1-1/2 type 5

2шт.

120394

WASHER,3/8", SAE

WASHER, .406 x .812 x .051

2шт.

9411655

LOCK NUT,3/8"-16, GB

NUT, 3/8 cad p/t lock type 5

2шт.

71617C1

ELBOW, 45 deg 1 inch OD tube frt dr unit

1шт.

124577C1

HOSE, transfer, Serial Range: case-axle

1шт.

Выбрано товаров: 81