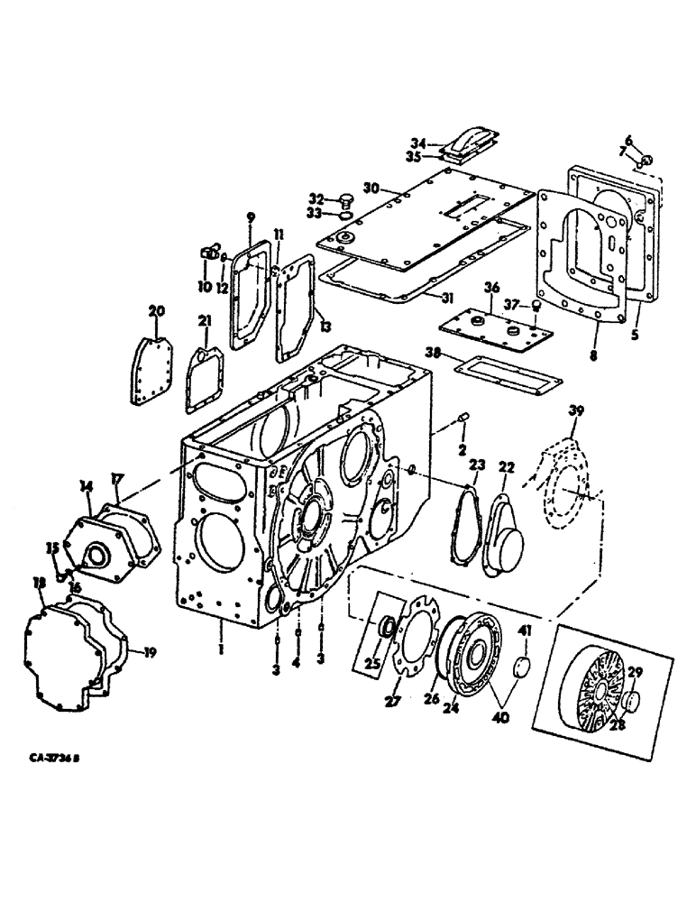
Запчасти Case IH 4366 (07-17) - DRIVE TRAIN, FRONT AND REAR AXLE CENTER FRAME, 4366 TRACTOR (04) - Drive Train

Схема запчастей Case IH 4366 - (07-17) - DRIVE TRAIN, FRONT AND REAR AXLE CENTER FRAME, 4366 TRACTOR (04) - Drive Train
27
25
19
3
18
37
41
13
10
11
28
12
6
21
3
5
31
40
17
14
26
16
29
23
15
30
35
38
20
4
34
8
24
2
33
32
22
7
9
36
39
FIT
1:1
100%

Артикул

Название

Примечание

Количество

1

67890C91

FRAME ASSY

rear, Includes ref. nos. 2, 3 and 4

2шт.

2

19846R1

DOWEL,1/2" x 1 1/4"

PIN, 1/2 x 1-1/4 dowel

2шт.

3

444788

DRAIN PLUG,Sq Soc, 1/2"-14 NPTF

PLUG, 1/2-14 automotive sq-soc-hd drain

4шт.

4

9409947

DRAIN PLUG,Sq Soc, 3/4"-14 NPTF

PLUG, 3/4-14 automotive sq-soc-hd pipe

2шт.

5

67892C2

COVER, input

2шт.

413-1032

BOLT,Hex, 5/8" - 11 x 2", Gr 5

SCREW, 5/8-11 x 2 znd hex-hd cap

20шт.

6

9410362

PLUG,Hex Hd, 1 3/16"-12 ORB

1-3/16-12 C-Z str-thd o-ring boss, oil level 31 gallon

2шт.

6

9410356

PLUG

7/16-20 C-Z str-thd o-ring boss, oil level 21 gallon

2шт.

7

297459R1

O-RING,0.116" Thk x 1.048" ID, -914, Cl 6, 90 Duro

7/8 OD tube, large

2шт.

8

71902C1

GASKET

GASKET, input cover

2шт.

9

68607C1

COVER

drive attach opening, front axle

1шт.

9

380330R3

COVER

drive attach opening, rear axle

1шт.

179883

BOLT,Hex, 1/2" - 13 x 1 1/4", Gr 5

8шт.

10

180444C1

ELBOW

90 deg, front, Serial Range: -7715

1шт.

10

71617C1

ELBOW, 45 deg frt drive unit tube, Start Serial: 7716

1шт.

11

9410064

WASHER

1-5/16-12 C-Z adj str thd fitting lock, front

1шт.

12

296247R1

O-RING,16-1, 90 Duro, 1.171" ID x .116" Thk

1 in. OD tube, front

1шт.

13

GASKET, drive attaching opening cover, For service use

1шт.

474517C2

GASKET

TUBE, gasket eliminator

1шт.

14

67893C1

COVER

draft control adj opening, front axle

1шт.

14

383329R1

COVER

draft control adj opening, Replaces 67921C1, rear axle

1шт.

413-1036

BOLT,Hex, 5/8" - 11 x 2-1/4", Gr 5

SCREW, 5/8-11 x 2-1/4 hex-hd cap, Used w/67921C1 cover

6шт.

271556

WHEEL CYLINDER,Hex, 5/8" - 11 x 1 1/4", Gr 5

SCREW, 5/8-11 x 1-1/4 hex-hd cap, Used w/383329R1 cover

6шт.

15

9410356

PLUG

7/16-20 C-Z str thd-o-ring boss oil level, front

1шт.

17

GASKET, draft control adj opening cover, For service use

1шт.

474517C2

GASKET

TUBE, gasket eliminator

1шт.

18

380272R1

COVER

IPTO opening, Replaces 67898C1

2шт.

180180

SCREW,Hex, 1/2" - 13 x 1 7/8", Gr 5

1/2-13 x 1-7/8 znd hex-hd cap, 9 used w/67898C1 cover

1шт.

413-818

BOLT,Hex, 1/2" - 13 x 1-1/8", Gr 5

SCREW, 1/2-13 x 1-1/8 hex-hd cap, 18 used w/380272R1 cover

1шт.

19

GASKET, IPTO opening cover, For service use

1шт.

474517C2

GASKET

TUBE, gasket eliminator

1шт.

20

382243R1

COVER ASSY

COVER, pump opening

2шт.

179838

BOLT,Hex, 3/8" - 16 x 7/8", Gr 5, Full Thd

3/8-16 x 7/8 hex-hd cap

24шт.

21

382244R4

GASKET

pump opening cover

2шт.

22

382256R1

COVER ASSY

COVER, oil filter

2шт.

Filter P/N 528493R3 goes under P/N 382256R1.

1шт.

179837

BOLT,Hex, 3/8" - 16 x 3/4", Gr 5

16шт.

23

GASKET, oil filter cover, For service use

1шт.

474517C2

GASKET

TUBE, gasket eliminator

1шт.

24

527442R2

RETAINER, bull pinion brg and oil seal, Used w/527443R11 cover assy, Serial Range: -9553

2шт.

25

530806R91

SEAL,53.59mm ID x 76.33mm OD x 9.53mm Thk

pinion shaft outer, Used w/527443R11 cover assy

2шт.

26

530789R1

O-RING,6.712" ID x 0.139" Width

O-RING, bull pinion brg and oil seal retainer

4шт.

27

391816R1

SHIM

retainer hsg, .035, 2 or as required

1шт.

27

391817R1

SHIM

retainer hsg, .012, 4 or as required

1шт.

27

391818R1

SHIM

retainer hsg, .007, 6 or as required

1шт.

27

391819R1

SHIM

retainer hsg, .004, 1 or as required

1шт.

27

391820R1

SHIM

retainer hsg, .003, 1 or as required

1шт.

28

527443R11

HOUSING

COVER ASSY, axle carrier, Used on tractors so equiped only

2шт.

20819R1

SCREW

w/nylon pellet hex-hd cap

8шт.

NLS

NO LONGER SERVICED

SCREW, 5/8-11 x 3-3/4 hex-hd cap

4шт.

393158R1

BOLT,Hex, 5/8" - 11 x 4 3/4", w/ Nylon Pellet

SCREW, w/nylon pellet hex-hd cap

8шт.

29

384339R1

PLUG,Cup, 2 3/16"

2-3/16 cup, Used w/527443R11 cover assy

2шт.

30

134529C91

COVER ASSY, diff top main, Replaces 67899C1

2шт.

271556

WHEEL CYLINDER,Hex, 5/8" - 11 x 1 1/4", Gr 5

SCREW, 5/8-11 x 1-1/4 hex-hd cap

32шт.

31

GASKET, diff top main cover, For service use

1шт.

474517C2

GASKET

TUBE, gasket eliminator

1шт.

32

9410362

PLUG,Hex Hd, 1 3/16"-12 ORB

1-3/16-12 str thd o-ring boss oil fill

2шт.

33

297459R1

O-RING,0.116" Thk x 1.048" ID, -914, Cl 6, 90 Duro

7/8 OD tube

2шт.

34

67903C2

COVER, diff bevel gear

2шт.

179816

BOLT,Hex, 5/16" - 18 x 3/4", Gr 5

12шт.

35

GASKET, diff bevel gear cover, For service use

2шт.

474517C2

GASKET

TUBE, gasket eliminator

1шт.

36

67947C1

COVER

ASSY, diff top small, front axle

1шт.

36

67922C1

COVER

diff top small, rear axle

1шт.

179839

BOLT,Hex, 3/8" - 16 x 1", Gr 5

20шт.

37

152127H1

BREATHER,1/8"-27, Short

1/8-27 axle, Replaces 110891H

2шт.

38

67905C1

GASKET

diff top small cover

2шт.

39

CARRIER, axle, Refer to axle listing this group

1шт.

40

110401C91

RETAINER, bull pinion brg, Start Serial: 9554

4шт.

21371R1

SCREW

5/8-11 x 2 hex-hd cap w/nylon pellet

16шт.

41

21280R1

PLUG,Cup, 3"

3 in. OD, Used w/110401C91 retainer

4шт.

19968R1

DOWEL,3/4" x 1 3/4"

3/4 x 1-1/4

1шт.

119969R1

PIN dowel, 3/4 x 2

1шт.

7

369751R1

O-RING,0.072" Thk x 0.351" ID, -904, Cl 6, 90 Duro

4-1, 90 Duro, .351" ID x .072" Thk, 1/4 OD tube

2шт.

16

369751R1

O-RING,0.072" Thk x 0.351" ID, -904, Cl 6, 90 Duro

4-1, 90 Duro, .351" ID x .072" Thk, 1/4 OD tube, Front

1шт.

Выбрано товаров: 0