Запчасти Case IH 4386 (10-38) - HYDRAULICS, FOURTH VALVE AND CONNECTIONS, FOR FOUR AUXILIARY VALVES, 4386 TRACTORS (07) - HYDRAULICS

Схема запчастей Case IH 4386 - (10-38) - HYDRAULICS, FOURTH VALVE AND CONNECTIONS, FOR FOUR AUXILIARY VALVES, 4386 TRACTORS (07) - HYDRAULICS
9
4
3
1
8
11
12
9
14
8
2
9
9
10
5
7
8
6
13
7
FIT
1:1
100%

Артикул

Название

Примечание

Количество

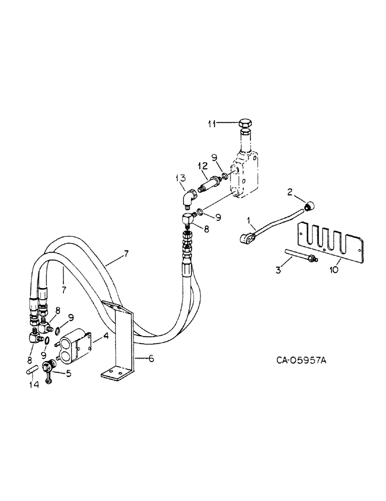
1

124532C3

LEVER

ASSY, valve actuating outer, Serial Range: -2096

1шт.

1

132637C1

LEVER

ASSY, valve actuating outer, Start Serial: 2097

1шт.

2

387885R1

KNOB

actuating lever - black, Serial Range: -2500

1шт.

2

147095C1

KNOB, actuating lever - tan, Start Serial: 2501

1шт.

3

129479C1

SHAFT

lever pivot

1шт.

98724H

AXLE PIN,1/2" x 1.688"

PIN, 1/2 x 1.688 pln clevis

1шт.

103374

COTTER PIN,3/32" x 1"

Pin, Split (Cotter), 3/32" x 1"

1шт.

4

544786R95

COUPLING, BREAK AWAY

COUPLER ASSY, female, For serviceable components, See female coupler listing this group

1шт.

5

64757C1

PLUG

coupler dust

2шт.

6

132692C1

SUPPORT

aux valve coupler - support, tractor w/three point hitch

1шт.

114368C1

BRACKET

female coupler

2шт.

180173

BOLT,Hex, 1/2" - 13 x 1", Gr 5

6шт.

NLS

NO LONGER SERVICED

17/32 x 1-1/16 x .074 znd

6шт.

120384

WASHER,1/2"

LOCK, 1/2"

6шт.

180177

BOLT,Hex, 1/2" - 13 x 1 1/2", Gr 5

SCREW, 1/2-13 x 1-1/2 znd hex-hd cap

6шт.

9413967

LOCK NUT,1/2"-13, GB

NUT, 1/2 cad p/t lock type 5

6шт.

7

69556C1

HOSE

ASSY, valve to coupler, Serial Range: -2146

1шт.

7

141963C1

HOSE

ASSY, valve to coupler, Start Serial: 2147

2шт.

306132C1

CABLE TIE,14.5" L

STRAP, hose

1шт.

8

9410978

ELBOW,90 Degree, 7/8"-14, 37 Degree x 7/8"-14, O-Ring

7/8-14 C-Z 37 deg hyd flared tube 90 deg, Serial Range: -2146

4шт.

8

9410978

ELBOW,90 Degree, 7/8"-14, 37 Degree x 7/8"-14, O-Ring

7/8-14 C-Z 37 deg hyd flared tube 90 deg, Start Serial: 2147

2шт.

9

364885R1

O-RING,0.097" Thk x 0.755" ID, -910, Cl 6, 90 Duro

5/8 OD tube

4шт.

10

129476C1

COVER

four valve bank auxiliary

1шт.

552897R1

SELF-TAP SCREW,1/4" - 20 x 1/2"

SCREW, 1/4-20 x 1/2 zn hex-washer-hd tap

3шт.

11

124708C1

CAP

valve weather

1шт.

12

9410230

HYD CONNECTOR,7/8"-14, 37 Degree x 7/8"-14, Pipe

CONNECTOR, 7/8-14 C-Z 37 deg hyd flrd tube long, Start Serial: 2147

1шт.

13

9410282

ELBOW,90 Degree, 7/8"-14, 37 Degree x 7/8"-14, 37 Degree Fem Sw

7/8-14 C-Z 37 deg tube 90 deg swivel, Start Serial: 2147

1шт.

14

139349C1

SLEEVE

coupling lever - tan

2шт.

Выбрано товаров: 28